
(modificale nel modulo Rassicurazioni cliente)
(modificale nel modulo Rassicurazioni cliente)
(modificale nel modulo Rassicurazioni cliente)
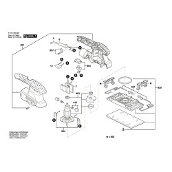
| Levigatrice 7338/F 015 733 801 | ||
| Pos | Codice | Descrizione |
| 2 | 2610Z06071 | Espansione Polare 230V |
| 5 | 2604460259 | Linea Di Collegamento EU 230V 2,7m 2 x 0,75mm H05 VV-F |
| 6 | 2610Z06073 | Beccuccio |
| 12 | 2610Z06074 | Condensatore Policarbonato |
| 801 | 2610Z06075 | Kit Di Scatola |
| 803 | 2610Z06076 | Indotto 230V |
| 804 | 2610Z06068 | Interrrutore Apre Chiude |
| 807 | 2610Z06069 | Portacavo |
| 810 | 2610Z06070 | Serie Spazzole |
| 820 | 2610Z06065 | Piastra Di Base |
| 821 | 2610Z06066 | Molla Di Arresto |
| 822 | 2610Z06067 | Gamba Oscillante |
| 824 | 2610Z06072 | Bobina Soppress Disturbi |
Tutte le informazioni tecniche dei prodotti in questo catalogo si basano su informazioni tratte da fonti ufficiali, tra cui i siti web del produttore Bosch, che riteniamo affidabili. Purtroppo, anche i documenti ufficiali possono contenere errori o errori di stampa - non siamo in grado di confermare che tutti questi dati sono precisi e rappresentino realmente i fatti. La maggior parte dei produttori si riservano il diritto di modificare le caratteristiche dei prodotti o completare le descizioni senza preavviso. Si consiglia vivamente di utilizzare le informazioni pubblicate come informazioni di base soggette alla revisione del marchio Bosch. Si prega di chiarire i parametri importanti con un assistente alla vendita al momento dell'acquisto. Tutti i contenuti inclusi in questo catalogo sono di proprietà intellettuale di www.bricoutensili.com. E' vietata qualsiasi pubblicazione o riproduzione (totale o parziale) senza un riferimento alla pagina di origine.
Scheda tecnica
Potrebbe anche piacerti