
(modificale nel modulo Rassicurazioni cliente)
(modificale nel modulo Rassicurazioni cliente)
(modificale nel modulo Rassicurazioni cliente)
Ripara il tuo Martello Demolitore SDS-MAX K750S, tutti i pezzi di ricambio sono fornibili a prezzi scontati. I nostri ricambi sono ricambi originali e sono dotati di una garanzia completa.
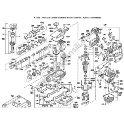
Nella tabella seguente scegliete il modello del Trapano Avvitatore ed i relativi codici delle componenti di ricambio.![]()
| Milwaukee K750S/DEMOLITORI E PERFORATORI IN2 4933398753 - K750S - 4000398754 |
||
| Pag.1 | ||
| Pos. | Codice | Descrizione |
| 4 | 4931624585 | CAVO ALIMENTAZIONE |
| 8 | 4931455687 | TARGHETTA |
| 10 | 4931398789 | STRIP-BAND |
| 11 | 4931398596 | IMPUGNATUR.SUPPLEM. |
| 12 | 4931449510 | SMORZATORE |
| 71 | 4931398672 | FONDALE |
| 100 | 4931398850 | CARCASSA MOTORE |
| 105 | 4931442746 | CAMPO ELLETRICO |
| 106 | 4931442688 | INDOTTO |
| 111 | 4931426441 | CUSCINETTO ZOLLA |
| 112 | 4931624541 | VITE |
| 114 | 4931890311 | ANELLO D.BLOCCAGGIO |
| 115 | 4931398198 | GUARNIZIONE |
| 116 | 4931398612 | ANELLO GUIDA ARIA |
| 118 | 4931398613 | TAPA DE MOTOR |
| 119 | 4931624542 | VITE |
| 120 | 4931398208 | IMPUGNATURA |
| 121 | 4931364667 | VITE |
| 123 | 4931624263 | CAVO |
| 124 | 4931624538 | VITE |
| 125 | 4931256500 | COLLARE PER CAVO |
| 126 | 4931624538 | VITE |
| 129 | 4931624517 | VITE |
| 130 | 4931381694 | BRUSH HOLDER |
| 131 | 4931624504 | VITE |
| 132 | 4931398673 | GRUPPO ELETTRONICO |
| 133 | 4931398114 | CONDUTTOR.DEL.LUCE |
| 135 | 4931375458 | INTERRUTTORE |
| 136 | 4931398531 | PULSANTE |
| 140 | 4931398660 | TAMPONE DI GOMMA |
| 141 | 4931398661 | ADATTATORE |
| 142 | 4931398665 | ADATTATORE |
| 143 | 4931398662 | CONTRAPPESO |
| 144 | 4931398664 | MOLLA |
| 145 | 4931398663 | ALBERO |
| 146 | 4931398666 | DADO |
| 156 | 4931398095 | CUSCINETTO |
| 157 | 9170315810 | L ANELLO D.SICUREZ. |
| 158 | 4931398746 | PERNO |
| 200 | 4931409533 | CARCASSA ANTERIORE |
| 201 | 4931398624 | ISOLAZIONE CARCASSA |
| 212 | 4931426454 | COPERCHIO |
| 214 | 4931624555 | VITE |
| 225 | 4931432431 | FRIZIONE |
| 236 | 4931409601 | MANOVELLA |
| 238 | 4931426170 | BOCCOLA Fuori Produzione |
| 239 | 4931398031 | BACK-PRESSURE RING |
| 241 | 4931398642 | CORE LIFTER RING |
| 246 | 4931455749 | PERCUSSORE |
| 258 | 4931398792 | PISTONE COMPL. |
| 268 | 4931398078 | ANELLO D ARRESTO |
| 270 | 4931621847 | CUSCINETTO A RULLI |
| 272 | 4931432188 | PIGNONE CO.D.ALBERO |
| 273 | 4931398154 | ELEMENTO DI REGOLA. |
| 274 | 4931398075 | LAMIERA DI ARRESTO |
| 275 | 4931398626 | INTERRUTTORE |
| 282 | 4931624479 | ANELLO INTERMEDIO |
| 288 | 4931398749 | THRUST COLLAR |
| 290 | 4931624499 | RANELLA |
| 291 | 4931398658 | MORSETTO |
| 292 | 4931624236 | VITE |
| 293 | 4931398097 | PUNTALE |
| 294 | 4931455748 | RANELLA |
| 295 | 4931398099 | MOLLA |
| 297 | 4931624535 | RANELLA |
| 305 | 4931398744 | BOCCOLA |
| 306 | 4931426248 | INTERLOCK SLEEVE |
| 309 | 4931398856 | MOLLA |
| 310 | 4931426013 | INTERLOCK ELEMENT |
| 400 | 4931432431 | RIPARAZIONE SET |
| 406 | 4931449973 | INDOTTO |
| 420 | 4931455736 | RIPARAZIONE SET |
| 700 | 4931402576 | VALIGETTA TRASPORTO |
| 705 | 4931398676 | IMPUGNATURA COMPLETA |
| 1200 | 4931398607 | SET DI MANUTENZIONE |
| 1201 | 4931398132 | SET DI CARBONCINO |
| 1204 | 4931622166 | ANELLO N874701 26X3 |
| 1205 | 4931393422 | SALVACAVO |
| 1207 | 4931398748 | SMORZATORE |
| 1208 | 4931398101 | GUARNIZIONE |
| 1209 | 4931398085 | BOSSOLA DI GOMMA |
| 1210 | 4931624440 | GUARNIZIONE |
| 1212 | 4931398639 | PERCUSSORE |
| 1213 | 4931398297 | ANELLO (FKM) |
| 1216 | 4931398539 | GUARNIZIONE |
| 1219 | 4931624621 | ANELLO |
| 1220 | 4931398033 | CORE LIFTER RING |
| 1221 | 4931398073 | ANELLO INTERMEDIO |
| 1222 | 9170319040 | ANELLO |
| 1223 | 4931487601 | INTERLOCK ELEMENT |
| 1224 | 4931398790 | SEAL RETAINER |
| 1225 | 4931398080 | INTERLOCK DISC |
| 1226 | 4931624495 | GUARNIZIONE |
| 1227 | 4931398064 | CAPPELLO DI GOMMA |
| 1230 | 4931426013 | RIPARAZIONE SET |
| 1231 | 4931398298 | RANELLA |
| 1232 | 4931624586 | RANELLA |
| 1234 | 4931398189 | CUSCINETTO |
| 1235 | 4931341741 | CUSCINETTO |
| 1236 | 4931426570 | DISCO MAGNETICO |
| 1238 | 4931409781 | L ANELLO IL FRENO |
| Accessori Pag.2 | ||
| 1500 | 4932343740 | Scalpello a sgorbia SDS-Max |
| 1501 | 4932451354 | Piantapicchetti SDS-Max |
| 1502 | 4932343739 | Scalpello piatto SDS-Max |
| 1503 | 4932343734 | Scalpello a punta SDS-Max |
| 1504 | 4932343747 | Scalpello a spatola SDS-Max |
| 1505 | 4932352918 | Scalpello bocciarda SDS-Max |
| 1506 | 4932399234 | Scalpello a spatola SDS-Max |
| 1507 | 4932343743 | Scalpello largo SDS-Max |
| 1508 | 4932343771 | Attacco SDS-Max. |
| 1509 | 9170086960 | Cuffia parapolvere. |
| 1510 | 4932399128 | Drill connect. |
| 1511 | 4932359490 | Adattatore SDS-Max - SDS-Plus |
Scheda tecnica
Potrebbe anche piacerti