(modificale nel modulo Rassicurazioni cliente)
(modificale nel modulo Rassicurazioni cliente)
(modificale nel modulo Rassicurazioni cliente)
Distribuiamo i ricambi originali MAKITA per Trapano a Percussione HP2033, disponiamo di tutte le informazioni sulla riparazione, l'esploso, l'elenco delle parti di ricambio ed effettuiamo la loro riparazione rendendoli nuovamente funzionanti come nuovi.
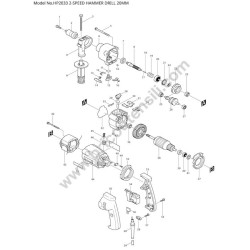
Nella tabella seguente, cercate il modello del Trapano ed il rispettivo codice del ricambio.![]()
| MAKITA TRAPANO HP2033 Ricambi |
||
| Pos. | Codice | Descrizione |
| 1 | 251464-3 | VITE MANDRINO M6X22 X HP2033 |
| 2 | 194254-0 | MANDRINO AUTOSERRANTE 13 |
| 3 | 921919-9 | BULLONE M8X110 |
| 4 | 415485-1 | SUPPORTO IMPUGNATURA X HP1500 |
| 5 | 266038-7 | VITE M5 X 70 HP2030 |
| 5 | 266108-2 | VITE |
| 6 | 317111-7 | SCATOLA CAMBIO X HP2032 |
| 7 | 213314-0 | SIGILLO OLIO 19 HP2030 |
| 8 | 323854-1 | ALBERINO HP2032 |
| 9 | 152489-9 | IMPUGNATURA 36 X HP1500 |
| 10 | 256251-5 | SPINOTTO 4 HP1500 |
| 11 | 213162-7 | GUARNIZIONE 14 |
| 12 | 232143-2 | MOLLA A BALESTRA HP2030 |
| 13 | 344179-0 | PIASTRA CAMBIO HP2030 |
| 14 | 415621-9 | PIASTRA 12 HP2030 |
| 15 | 415620-1 | LEVA CAMBIO B HP2030 |
| 16 | 344178-2 | PIASTRA BLOCCO HP2030 |
| 17 | 216040-0 | SFERA 3,5 |
| 18 | 256251-5 | SPINOTTO 4 HP1500 |
| 19 | 233091-8 | MOLLA 16 X HP1500 |
| 20 | 211228-7 | CUSCINETTO SFERE 6202DD |
| 21 | 962153-2 | ANELLO DI RITEGNO R35 |
| 22 | 226289-4 | INGRANAGGIO 27-38 HP2030 |
| 23 | 223104-3 | CAMMA A HP2030 |
| 24 | 961055-9 | ANELLO DI RITEGNO S15 |
| 25 | 211012-0 | CUSCINETTO SFERA 606ZZ |
| 26 | 226818-3 | INGRANAGGIO 8-19-26 HP2030 |
| 27 | 211012-0 | CUSCINETTO SFERA 606ZZ |
| 28 | 415619-6 | LEVA CAMBIO A HP2030 |
| 29 | 213162-7 | GUARNIZIONE 14 |
| 30 | 322787-7 | SPINOTTO CAMBIO 8 HP2030 |
| 31 | 416747-0 | COPRI FORCELLA X HP2032 |
| 32 | 213759-2 | GUARNIZIONE 72 HP2030 |
| 33 | 232053-3 | MOLLA PIAST.HP1020/6012/62DW |
| 34 | 344178-2 | PIASTRA BLOCCO HP2030 |
| 35 | 151550-9 | SCATOLA CAMBIO CPL X HP2032 |
| 36 | 210005-4 | CUSCINETTO SFERE 608 DDW |
| 37 | 415618-8 | CONVOGLIATORE HP2030 |
| 38 | 517103-8 | INDOTTO HP2030 |
| 39 | 681614-0 | RONDELLA ISOLANTE |
| 40 | 210025-8 | CUSCINETTO X 4324 |
| 41 | 253707-9 | ROND.P.16 99B/6000R/8410B |
| 42 | 266060-4 | VITE M4 X 65 JN1601 |
| 42 | 266113-9 | |
| 43 | 633413-6 | STATORE 220 X HP2032 |
| 44 | 415601-5 | CARCASSA MOTORE HP2030 |
| 45 | 195015-1 | CARBONCINI CB-419(406,407)418 |
| 46 | 643923-5 | SUPPORTO CARBONCINI X 6408 |
| 47 | 851534-4 | |
| 48 | 415622-7 | PIASTRA DI BLOCCO HP2030 |
| 49 | 266007-8 | VITE M3 X10 HP2030 |
| 50 | 182724-1 | IMPUGNATURA COMPLETA HP2030 |
| 51 | 819063-3 | ETICHETTA MAKITA X BFL300F |
| 52 | 421505-1 | ANELLO AMMORTIZZATORE HP2030 |
| 53 | 182724-1 | IMPUGNATURA COMPLETA HP2030 |
| 54 | 651986-7 | INTERRUTTORE X 8450 |
| 55 | 266121-0 | VITE M4X18 X 9524NB |
| 55 | 265995-6 | VITE M4X18 |
| 56 | 645144-5 | CONDENSATORE 0.22MF |
| 56 | 645144-5 | CONDENSATORE 0.22MF |
| 57 | 266121-0 | VITE M4X18 X 9524NB |
| 57 | 265995-6 | VITE M4X18 |
| 58 | 687063-9 | FERMACAVO X 4304T |
| 59 | 666066-6 | |
| 60 | 682502-4 | MANICOTTO CAVO 8/85 6408 |
| 1001 | 415486-9 | MISURATORE DI PROFONDITÀ |
| 1002 | 824485-4 | VALIGERRA IN PLASTICA |
| 5003 | 654128-2 | TERMINALE DI TERRA |
| 5004 | 654556-1 | CONNETTORE |
Scheda tecnica
Potrebbe anche piacerti