(modificale nel modulo Rassicurazioni cliente)
(modificale nel modulo Rassicurazioni cliente)
(modificale nel modulo Rassicurazioni cliente)
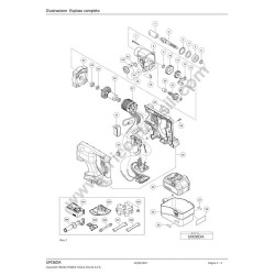
| Hikoki Miscelatore Brushless UM36DA Ricambi | ||
| Pos. | Codice | Descrizione |
| 1 | 376520 | PORTAPUNTA (M14) |
| 2 | 376580 | ALBERO |
| 3 | 939556 | ANELLO TIPO C X FORI D.35 (10PZ) |
| 4 | 334633 | PARAPOLVERE |
| 5 | 6202DD | CUSCINETTO A SFERE 6202DD |
| 6 | 375195 | ANELLO D15 |
| 8 | 376579 | SCATOLA INGRANAGGI |
| 9 | 322799 | RONDELLA (C) |
| 10 | 376582 | INGRANAGGIO BASSA VELOCITA' |
| 11 | 376583 | INGRANAGGIO ALTA VELOCITA' |
| 12 | 338742 | SELETTORE |
| 13 | 322860 | FERMO DV18V |
| 14 | 981328 | MOLLA (H) |
| 15 | 319535 | SFERE D3.5(10 PZ.) |
| 16 | 322848 | RULLINO |
| 17 | 878885 | ANELLO |
| 18 | 338737 | LEVA CAMBIO INCLUD.16.17 |
| 19 | 323048 | ANELLO DI TENUTA (E-TYPE) |
| 20 | 376682 | DISTANZIALE |
| 21 | 376584 | SECONDO PIGNONE |
| 22 | 322852 | RONDELLA DM20V |
| 23 | 376581 | COPERCHIO INTERNO (B) |
| 24 | 608DDM | CUSCINETTO A SFERE 608DDM |
| 25 | 982631 | RONDELLA |
| 26 | 361140 | ROTORE |
| 27 | 341078 | STATORE |
| 30 | 376586 | CARCASSA (A+B) |
| 31 | 376123 | COPERCHIO INTERRUTTORE |
| 32 | 376124 | PULSANTE |
| 33 | 319760 | PULSANTE |
| 35 | 376122 | COPERCHIO BATTERIA |
| 36 | 373913 | ETICHETTA (F) |
| 37 | 373914 | ETICHETTA (B) |
| 38 | 376587 | ETICHETTA |
| Accessori Standard | ||
| 502 | 376521 | PROTEZIONE IN GOMMA |
| 503 | 376517 | FRUSTA (A5) 150MM |
| 504 | 338768 | IMPUGNATURA LATERALE |
| 506 | 376516 | ALBERO (A2)=600mm |
| 507 | 376518 | CHIAVE 17/22MM |
| 508 | 931161 | CHIAVE 17/19MM |
Tutte le informazioni tecniche dei prodotti in questo catalogo si basano su informazioni tratte da fonti ufficiali, tra cui i siti web del produttore Hitachi, che riteniamo affidabili. Purtroppo, anche i documenti ufficiali possono contenere errori o errori di stampa - non siamo in grado di confermare che tutti questi dati sono precisi e rappresentino realmente i fatti. La maggior parte dei produttori si riservano il diritto di modificare le caratteristiche dei prodotti o completare le descizioni senza preavviso. Si consiglia vivamente di utilizzare le informazioni pubblicate come informazioni di base soggette alla revisione del marchio Hitachi. Si prega di chiarire i parametri importanti con un assistente alla vendita al momento dell'acquisto. Tutti i contenuti inclusi in questo catalogo sono di proprietà intellettuale di www.bricoutensili.com. E' vietata qualsiasi pubblicazione o riproduzione (totale o parziale) senza un riferimento alla pagina di origine.
Scheda tecnica
Potrebbe anche piacerti