(modificale nel modulo Rassicurazioni cliente)
(modificale nel modulo Rassicurazioni cliente)
(modificale nel modulo Rassicurazioni cliente)
Distribuzione, Vendita di Ricambi originali e centro di assistenza autorizzato Hitachi-HIKOKI Tanaka, prezzi bassi e un servizio di riparazione professionale in grado di consigliarti l'acquisto del ricambio più adatto a risolvere rapidamente ogni problema di manutenzione e riparazione della Smerigliatrice Angolare G13SR2.
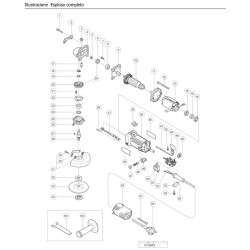
Nella tabella seguente, cercate il modello della smerigliatrice ed il ripettivo codice del ricambio.![]()
| Smerigliatrice Angolare G13SR2 | ||
| Pos. | Codice | Descrizione |
| 2 | 302149 | PIASTRA |
| 3 | 301944 | PULSANTE CON MOLLA G13SB3 |
| 4 | 314125 | CARTER INGRANAGGI |
| 5 | 309191 | DADO SPECIALE M6 |
| 6 | 321742 | PINION |
| 8 | 608VVM | CUSCINETTO A SFERE 608VVM |
| 9 | 301935 | CARTER INTERNO |
| 10 | 360605E | INDOTTO G12SR2-G13SR2 |
| 11 | 306840 | GUIDA ARIA |
| 12 | 963712 | VITE STATORE D4X65 |
| 13 | 340552E | STATORE G12SR2-G13SR2 |
| 14 | 321722 | PARAPOLVERE |
| 15 | 626VVM | CUSCINETTO A SFERE 626VVM |
| 16 | 309929 | BOCCOLA |
| 17 | 301943 | SPINOTTO |
| 18 | 316487 | SEEGER |
| 19 | 316486 | RONDELLA ONDULATA |
| 20 | 321743 | GEAR |
| 22 | 938058 | COPERCHIO CUSCINETTO (B) |
| 23 | 6001VV | CUSCINETTO A SFERE 6001VV |
| 24 | 301946 | ANELLO IN FELTRO |
| 25 | 301947 | SEDE CUSCINETTO |
| 27 | 302047 | CHIAVETTA ALBERINO |
| 28 | 321729 | ALBERINO |
| 30 | 301949 | FASCETTA |
| 31 | 319116 | PROTEZIONE DISCO |
| 32 | 376067 | GHIERA PORTADISCO |
| 34 | 339579 | GHIERA STRINGIDISCO M14 |
| 35 | 321741 | COPPIA CONICA G13SR2 |
| 36 | 314429 | MOLLA |
| 37 | 314427 | ASTA SCORREVOLE |
| 38 | 314428 | CURSORE INTERRUTTORE |
| 39 | 321721 | CARCASSA G12SR2-G13SR2 |
| 41 | 314854 | EARTH TERMINAL |
| 42 | 980063 | TERMINALE |
| 43 | 994273 | FILTRO ANTIDISTURBI |
| 44 | 314432 | SEDE INTERRUTTORE |
| 45 | 938307 | PILLAR TERMINAL (OLD 938307Z/512-31 |
| 47 | 936551 | COPERCHIO SPAZZOLA |
| 48 | 999021 | SPAZZOLE (1 PAIO) |
| 49 | 313777 | PORTASPAZZOLA |
| 50 | 314603 | INTERRUTTORE |
| 52 | 980063 | TERMINALE |
| 53 | 937631 | MORSETTO SERRAFILI |
| 55 | 953327 | MANICOTTO SALVACAVO D8.8 |
| 56 | 321726 | COPERCHIO INFERIORE G12SR2-G13SR2 |
| 58 | 714500 | CAVO 5M 2 X 1,0 CON SPINA |
| STANDARD ACCESSORIES | ||
| 501 | 938332Z | WRENCH |
| 502 | 711283 | IMPUGNATURA LATERALE M10 |
Tutte le informazioni tecniche dei prodotti in questo catalogo si basano su informazioni tratte da fonti ufficiali, tra cui i siti web del produttore Hitachi, che riteniamo affidabili. Purtroppo, anche i documenti ufficiali possono contenere errori o errori di stampa - non siamo in grado di confermare che tutti questi dati sono precisi e rappresentino realmente i fatti. La maggior parte dei produttori si riservano il diritto di modificare le caratteristiche dei prodotti o completare le descizioni senza preavviso. Si consiglia vivamente di utilizzare le informazioni pubblicate come informazioni di base soggette alla revisione del marchio Hitachi. Si prega di chiarire i parametri importanti con un assistente alla vendita al momento dell'acquisto. Tutti i contenuti inclusi in questo catalogo sono di proprietà intellettuale di www.bricoutensili.com. E' vietata qualsiasi pubblicazione o riproduzione (totale o parziale) senza un riferimento alla pagina di origine.
Scheda tecnica
Potrebbe anche piacerti