- Solo online

(modificale nel modulo Rassicurazioni cliente)
(modificale nel modulo Rassicurazioni cliente)
(modificale nel modulo Rassicurazioni cliente)
Ripara la tua Idropulitrice 8.619.0001 - IDRO MISSOURI 230/50, tutti i pezzi di ricambio sono fornibili a prezzi scontati per la spedizione. I nostri ricambi sono ricambi originali e sono dotati di una garanzia completa.
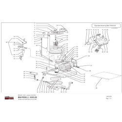
Nelle tabelle seguenti, cercate il pezzo di ricambio ed il suo rispettivo codice.![]()
| MISSOURI 8.619.0001 - BOILER Pag.1 | ||
| Pos. | Codice | Descrizione |
| 001 | 3.002.0159 | VITE STEI M6X6 CILINDRICA UNI 5923 INOX |
| 002 | 3.100.0075 | RACCORDO M 1/8 CONICO F D.4 CURVO COD.E2L39C02 |
| 003 | 4.608.0145 | TUBO MANDATA GASOLIO RILSAN PARANA' L=540 |
| 004 | 4.005.0194 | COPERCHIO X CALDAIA FKX (PRESSOFUS.) |
| 005 | 3.099.0124 | ANELLO SEEGER X ALBERO D.42 UNI 7435 |
| 006 | 4.607.0236 | TUBO D40 L=420 Fe37 PREZINCATO |
| 007 | 3.003.0011 | DADO E. M6 MEDIO UNI 5588 CL8 ZNT |
| 008 | 3.004.0010 | ROND.EL.DENT.EX.D6X11 Sp0,7 DI N6798A ZNT |
| 009 | 4.607.0238 | TIRANTE PER CALDAIA PARANA' |
| 010 | 4.008.0465 | TUBO PVC ANTIBENZINA NERO D.9X6 L=280 |
| 011 | 3.100.0057 | RACCORDO D.4X1/8M COD E2L01002 |
| 012 | 5.009.0637 | ASSIEME COP.+FARFALLA REG.FKX |
| 013 | 4.007.0185 | DISTANZIALE X FASCETTA FISSAGG IO POMPA JET FIRE '98 |
| 014 | 3.099.0452 | FASCETTA D.20 CLAMP 20 W2 X FISSAGGIO POMPA V.P. |
| 015 | 3.002.0085 | VITE TE M6X40 UNI 5739 ZNT |
| 016 | 3.004.0001 | RONDELLA PIANA D.6X11 Sp.0,8 ZNT UNI1736 |
| 017 | 4.008.0749 | FARFALLA DI REGOLAZIONE ARIA X FKX |
| 018 | 3.551.0018 | POMPA GASOLIO CEME AMG2000 90w 230-240/50-60 CAVI L=400mm |
| 019 | 5.611.0043 | GRUPPO FILTRO GASOLIO JOLLY 4 '93/MISSOURI/MEK |
| 020 | 3.002.0048 | VITE AUTOFIL.TC-TC 3,9X45 ZNT. |
| 021 | 3.004.0002 | RONDELLA PIANA 4,3X9 Sp.0,8 ZNT UNI6592 |
| 022 | 5.009.0545 | TRASF. ACC. 230-240/50-60 C/PIPETTE FKX-PARANA' +CAVO |
| 023 | 4.012.0102 | CAVETTO MOT.SPAZZ.L=850 SEZ.0,75 IEC227-3/1979 S/FAST. |
| 024 | 3.003.0005 | DADO M6 AUTOBL. BASSO ZNT UNI 7474 |
| 025 | 4.008.0470 | COPERCHIO MOTORE VENTILAZIONE FKX |
| 026 | 3.304.0005 | MOTORE X BRUC.230/50 COMP. DI VENTOLA,FLANGIA,CAVETTI,COPERCHIO (FKX) |
| 029 | 4.606.0115 | CORPO TERMOSTATO PARANA' OUT. M22x1.5x15 |
| 030 | 3.004.0036 | RONDELLA RAME 3/8 17X22 SP.1,5 |
| 031 | 3.100.0094 | RACC. 90gradi 3/8F.GIR. 3/8F.G IR 1135001 |
| 032 | 3.004.0007 | RONDELLA PIANA D.6X18 Sp.2 ZNT UNI6593 |
| 035 | 4.007.0184 | TUBO X MANICOTTO DI MANDATA PARANA' L=47 |
| 036 | 4.008.0449 | MANICOTTO TERMORESISTENTE MORB IDO 31X56 sp.3 FKX |
| 037 | 4.007.0158 | FONDELLO CALDAIA PER NUOVA FIRE |
| 038 | 4.008.0503 | FASCIA TERMORESISTENTE FIBRA C ERAMICA 120X635 SP.4 |
| 039 | 4.605.0042 | BASAMENTO CALDAIA PARANA' |
| 040 | 4.007.0200 | RONDELLA 20.2X26X3 Fe37 |
| 041 | 4.607.0237 | RACCORDO TUBO-SERP. PARANA' |
| 042 | 4.618.0067 | TUBO 5/16 R1 150GR. 210 BAR 3/8 F GIR-3/8 F GIR L=250 |
| 043 | 5.613.0154 | SUPPORTO MOTOP./CALDAIA PARANA' |
| 044 | 4.008.0450 | FONDELLO TERMORESISTENTE RIGIDO (FKX) |
| 045 | 4.008.0658 | FONDELLO TERMORESISTENTE IN FELTRO (FKX/PARANA') |
| 046 | 4.008.0514 | PIEDE SUPPORTO MOTOPOMPA EAGLE NERO |
| 047 | 5.001.0455 | MOTOP.PT'02 125h110 230/50 D.1 2 11'35 TS IN.1,7 S/REG(PARANA |
| 048 | 3.704.0007 | PRESS. PR5 25BAR 1/8M L.550 F. F 29008016 |
| 049 | 3.100.0023 | NIPPLO 3/8 CIL. SV. 3/8 CIL. SV |
| 050 | 4.008.0031 | FILTRO ASP.H2O D.16 CONICO |
| 051 | 5.009.0611 | PROLUNGA D'INGRESSO C/GUARN. |
| 053 | 3.002.0138 | VITE TCEI M6X20 ZNT UNI 5931 |
| 054 | 4.007.0287 | FASCIA FISSAGGIO MOTOP. D.125 SCARICATA |
| 056 | 4.007.0307 | RACCORDO X SERPENTINA C/PORTAGOMMA |
| 057 | 3.106.0004 | VALVOLA DI SICUREZZA G1/8 M D6 200BAR MTM (00036020) |
| 058 | 4.608.0141 | BASE SCATOLA ELETTRICA MOTOPOMPA PARANA' |
| 059 | 4.608.0140 | COPERCHIO SCATOLA ELETTRICA MOTOPOMPA PARANA' |
| 060 | 5.613.0155 | CORPO CALDAIA PARANA' |
| 061 | 4.604.0017 | SERPENTINA D.202 PER PARANA' |
| 062 | 5.013.0027 | DISCO PORTABOCCAGLIO X FKX |
| 063 | 4.012.0177 | CAVETTO MORS.-TRASF. L=540 F/F + OCCHIELLO X TRK1 |
| 064 | 3.099.0297 | DEFLETTORE PARANA' S/ELETTRODI |
| 065 | 3.104.0007 | UGELLO GASOLIO 0.75 60gradi CONO PIENO |
| 066 | 4.006.0187 | PERNO PORTAUGELLO X CALDAIA FKX |
| 067 | 4.008.0848 | GUARNIZIONE NUOVO TRASF. FKX |
| 068 | 5.611.0101 | CAVETTO ALTA TENSIONE L=480 PI PETTE BLU X TRK1 |
| 069 | 3.002.0110 | VITE AUTOF.TC-TC 3,9X19 RAPID FIX ZNT |
| 070 | 4.608.0071 | COPERCHIO PASSACAVO CRUSCOTTO '93 |
| 071 | 3.004.0017 | RONDELLA PIANA D.5X10 Sp.1 ZNT UNI6592 |
| 073 | 3.002.0176 | VITE TC-TC M5X16 UNI 7985 ZNT |
| 074 | 3.405.0011 | MORSETTIERA PA 32/6 |
| 075 | 5.009.0538 | ASSIEME INTERR. 0/1 +PROTEZ. TRASP. 14(14) |
| 076 | 4.608.0164 | MANOPOLA REGOLAZIONE TERMOST. -N- PARANA' |
| 078 | 4.608.0065 | SCATOLA CRUSCOTTO '93 |
| 079 | 3.404.0016 | CONDENSATORE 45mF 450V D.45x90 F/M |
| 080 | 3.403.0032 | TERMOSTATO 30/90 BULBO D. 6,5 PARANA' |
| 081 | 4.608.0207 | CRUSCOTTO MISSOURI -GR- RAL 9006 C/TAMPOGR. |
| 082 | 4.608.0078 | GUARNIZIONE CRUSCOTTO '93 ( 3x 900) |
| 083 | 4.006.0283 | GHIERA M22x1,5 L=16 |
| 084 | 3.200.0001 | GUARNIZIONE OR 9,92 X 2,62 RIF .112 |
| 085 | 4.606.0088 | PORTAGOMMA 1/4 G M D.7 |
| 086 | 3.106.0006 | DEAREATORE IN VITON PER POMPA GASOLIO |
| 087 | 5.611.0120 | ASSIEME POMPA GASOLIO CEME C/VALVOLA E AREATORE |
| MISSOURI 8.619.0001 - CARENATURA Pag.2 | ||
| 001 | 4.608.0142 | BASE IN SOFFIATO X PARANA' |
| 002 | 4.613.0175 | CARENATURA SUPERIORE MISSOURI -G- PANT.108C (INIEZ.) |
| 003 | 4.608.0027 | TAPPO DIAM.30 PER SERBATOIO FIRE 100 -N- |
| 004 | 6.605.0018 | KIT RUOTE + BORCHIE D.250 |
| 005 | 5.009.0431 | CABLAG.ALIM.PARTN.3X1,5 PVC MT 5,2 SP.SCHUKO |
| 006 | 6.001.0053 | PISTOLA S'02C 3/8'-M22 |
| 007 | 4.618.0049 | TUBO R1 1/4 8MT RACC.GIR.3/8F-M22 C/MAN. (MAX 21MPa) |
| 008 | 3.701.0015 | LANCIA INOX L.700 RIVEST. +ROS.+ATT. RAP. M22 41102850 |
| 010 | 5.009.0340 | ASSIEME PORTAGOMMA D.17 OTT. C/OR +GHIERA |
| 011 | 3.103.0049 | UGELLO ALTA PRESSIONE 15040 1/8M 1/8MC4-04/15 |
| 012 | 4.613.0176 | CARENATURA POSTER. MISSOURI -G- PANT.108C (INIEZ.) |
| 013 | 4.607.0220 | ASSALE PER VICTORIA - PARANA' |
| MISSOURI 8.619.0001 - MOTORE Pag.3 | ||
| 001 | 5.009.0538 | ASSIEME INTERR. 0/1 +PROTEZ. TRASP. 14(14) |
| 002 | 3.406.0004 | PRESSACAVO PG.11 STAGNO ANTISTRAPPO |
| 004 | 3.002.0135 | VITE AUTOF. TC-TC 2,9X13 UNI 6 954 ZNT |
| 005 | 3.404.0016 | CONDENSATORE 45mF 450V D.45x90 F/M |
| 007 | 4.008.0583 | COPRIVENTOLA X MOTORE '96 SENZA GRIGLIA |
| 008 | 3.099.0049 | ANELLO DI FERMO D.23 X VENTOLA |
| 009 | 4.008.0092 | VENTOLA FB80 CON FORO D.16,5 ( PARTNER) |
| 010 | 5.002.0121 | CARCASSA'96 D125 h110 230/50 2P 2800W |
| 011 | 3.001.0020 | CUSCINETTO RADIALE A SFERE 6203 2RS |
| 012 | 5.005.0029 | ALBERO ROTORE D.65 H.110 (125'96) |
| 013 | 3.002.0115 | VITE TCEI M5X35 TRILOBATA ZNT |
| 014 | 4.005.0183 | FLANGIA ANTERIORE MOTORE D.125 H110 X PARTNER |
| 015 | 3.201.0001 | ANELLO TENUTA 20/35/6/6,5 BABS L |
| 016 | 3.001.0002 | CUSCINETTO OBLIQUO A SFERA 20x52x15 7304 B |
| 017 | 4.005.0054 | PIATTELLO INCLINATO CORSA 9,85 11,35' - NON FORNIBILE |
| 018 | 3.001.0003 | RALLA CUSCINETTO ASSIALE AS4565 |
| 019 | 3.001.0025 | GABBIA RULLINI TIPO AXK4565 -ACCIAIO- |
| 020 | 4.007.0001 | RALLA REGGISPINTA D.65x30x6 (C10Pb) FINITA |
| 021 | 5.009.0530 | ASSIEME FERMO TORNITO/PISTONE D.12 AISI 440B PARTNER |
| 022 | 3.200.0014 | GUARNIZIONE OR 85 X 2,5 NITRILICA |
| 023 | 4.007.0025 | MOLLA RICHIAMO X PISTONE D.14- 12 |
| 024 | 5.009.0516 | ASSIEME MICRO+CAVO TS MACH USA/EU |
| 025 | 4.006.0270 | RACCORDO TOTAL STOP V.COMP.'02 |
| 026 | 4.006.0269 | SPESSORE IN OTTONE PER MOLLA V.COMP.'03 |
| 027 | 4.007.0284 | MOLLA RICHIAMO ASTA V.COMP.'02 Di7,3 L=11 FILO D.1,3 |
| 028 | 3.200.0073 | GUARNIZIONE OR 6,75X1,78 NBR SH70 |
| 029 | 4.008.0782 | ASTA COMANDO MICRO X NUOVA V.COMP. |
| 030 | 4.007.0305 | VITE TSPEI M3x25 A2-70 AISI304 C/3M-SCOTCH-GRIP 2353 |
| 031 | 4.006.0272 | SEDE TENUTA C/DISTANZIALE |
| 032 | 3.200.0113 | GUARNIZIONE OR 15,08X2,62 NBR SH70 |
| 033 | 4.007.0285 | MOLLA NUOVA V.COMP.'02 Di6,6 De10,2 L=23,8 FILO D.1,8 |
| 034 | 4.006.0268 | PISTONE DIAM.11 IN OTTONE X V.COMP.'02 |
| 035 | 3.200.0059 | GUARNIZIONE OR 7,66 X 1,78 NBR 82 SH. |
| 036 | 4.608.0153 | ANELLO ANTIESTRUSIONE DIM.8x11 x1,5 |
| 037 | 4.006.0273 | SEDE PISTONE E VALVOLA RITEGNO |
| 038 | 3.200.0118 | GUARNIZIONE OR 14X1,78 NBR SH 90 |
| 039 | 3.200.0029 | GUARNIZIONE OR 18,72X2,62 RIF. 3075 SH.70 |
| 042 | 5.009.0503 | PORTAGOMMA ASPIRAZ.DETERG.M10 C/O-RING |
| 044 | 3.005.0006 | SFERA D.5,55 INOX 420 B |
| 045 | 4.007.0014 | MOLLA VALV.RITEGNO DETERG.De4, 5/6 L=7 FILO D.0,3 INOX |
| 046 | 4.005.0217 | CORPO GUIDA D.12 VALV.COMP.'02 S/REGOL.ING.ACQUA M20 |
| 048 | 5.609.0041 | ASSIEME VALVOLA DI RITEGNO+OR |
| 049 | 4.007.0324 | MOLLA C/SPIRE UNITE D'ESTREM. X VALV.RIT. FILO D.0,5 |
| 051 | 5.009.0497 | ASSIEME INIETT.D.1,8 (40080781 + OR) |
| 052 | 3.200.0017 | GUARNIZIONE OR 9,13X2,62 Sh.70 RIF.109 |
| 053 | 3.200.0013 | GUARNIZIONE OR 11,1 X 1,78 RIF .114 |
| 054 | 3.201.0014 | ANELLO TENUTA OLIO D.12x20X5/7 |
| 055 | 3.002.0094 | VITE TCEI M6X30 ZNT TRILOBATA |
| 056 | 5.009.0101 | TAPPO VALVOLA ASP./MAND. CON OR MONTATO |
| 057 | 5.009.0005 | VALVOLA ASPIRAZ. MANDATA LAVOR |
| WWWWWW | ||
| 059 | 3.107.0006 | MANOMETRO D.40 0/300 BAR 1/8 GLICERINA |
| 062 | 3.200.0018 | GUARNIZIONE OR 9.92X2.62 SHORE 90 |
| 064 | 4.008.0657 | DISTANZIALE TENUTA OLIO D.12 PARTNER |
| 065 | 4.006.0251 | ANELLO APPOGGIO TENUTA PARTNER D.12 BASSO |
| 066 | 3.202.0003 | ANELLO ANTIESTRUSIONE PARKER WB1218PS033 |
| 067 | 3.201.0027 | ANELLO TENUTA ACQUA 12X18X4,5 W21218Q5018 (TENUTE TELATE NERE) |
| 068 | 5.009.0015 | VALVOLA ASPIRAZIONE COMPLETA T OP |
| 069 | 4.006.0256 | TESTATA PARTNER IN OTTONE SEDI D.18 |
| 070 | 3.002.0130 | VITE TCEI M6X70 CL.12,9 UNI5931 DACROMET |
| 071 | 4.008.0031 | FILTRO ASP.H2O D.16 CONICO |
| 082 | 5.006.0156 | MOTORE'99 D.125 H110 230/50 2P 2800W X PARTNER |
| 083 | 5.007.0166 | CORPO GUIDA PIST.D.12 CERAM.+IN.1,8 S/REG.TS ING.M20 |
| 084 | 5.008.0173 | TESTATA PARTNER OTTONE D.12 C/RACC. 90'-PRESS.(TEN.TEL.NERO) |
| 085 | 3.704.0006 | PRESSOSTATO PS2 1/8M 25BAR ROSSO P/N 4090000008 |
| 087 | 3.406.0011 | GHIERA PER PG.11 ANTISTRAPPO |
| 088 | 5.009.0315 | TAPPO VALVOLA FORATO 1/8 ASP./ MAND.CON OR MONTATO |
| 099 | 3.100.0025 | RACCORDO A GOMITO 1/8 M-1/8 F |
Scheda tecnica
Potrebbe anche piacerti