
(modificale nel modulo Rassicurazioni cliente)
(modificale nel modulo Rassicurazioni cliente)
(modificale nel modulo Rassicurazioni cliente)
Distribuiamo Ricambi originali CASTELGARDEN in offerta a prezzi imbattibili, siamo un centro di assistenza autorizzato con servizio di riparazione in grado di consigliarti l'acquisto del ricambio più adatto a risolvere rapidamente ogni problema di manutenzione e riparazione del Rasaerba XC 48 GSW4 (2014) - 295496843/C13.
Nella tabella seguente, cercate il modello del Decespugliatore ed il rispettivo codice del ricambio.
| Castelgarden Rasaerba XC 48 GSW4 (2014) - 295496843/C13 | ||
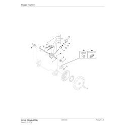
| Chassis Pag.1 | ||
| Pos. | Codice | Descrizione |
| 1 | 381004548/0 | Chassis Rosso |
| 2 | 322108301/0 | Convogliatore Anteriore To 31-August-2011 |
| 2 | 322108301/1 | Convogliatore Anteriore From 01-September-2011 |
| 3 | 112728699/0 | Vite |
| 4 | 322108302/0 | Convogliatore Posteriore |
| 5 | 112728699/0 | Vite |
| 6 | 322545213/0 | Piastrina |
| 7 | 381005139/0 | Staffa Sinistra |
| 8 | 112727801/0 | Vite |
| 9 | 381005137/0 | Staffa Destra |
| 10 | 322060242/0 | Carter Cinghia |
| 11 | 322140239/0 | Mulching Deflector Cruiser 48 |
| 12 | 112728530/0 | Vite |
| Regolazione Altezza di Taglio Pag.2 | ||
| 1 | 322545189/0 | Piastrina |
| 2 | 322735597/0 | Settore Regolazione Altezza Sinistro To 31-August-2011 |
| 2 | 322735597/1 | Settore Regolazione Altezza From 01-September-2011 To S/N 20BA2WBH058855 |
| 2 | 322735611/0 | Settore Regolazione Altezza From S/N 20BA2WBH058856 |
| 3 | 381005141/0 | Supporto Ruota To S/N SK6810777 |
| 3 | 381005159/0 | Supporto Ruota From S/N SK6614968 To S/N 19GA2WBH002978 |
| 3 | 381005253/0 | Supporto Ruota From S/N 20AA2WBH020538 To S/N 20BA2WBH056549 |
| 3 | 381005265/0 | Supporto Ruota From S/N 20BA2WBH056550 |
| 4 | 381003354/0 | Leva Regolazione Altezza |
| 5 | 122519811/0 | Perno |
| 6 | 112521350/0 | Rondella |
| 7 | 112155000/0 | Dado |
| 9 | 322735595/0 | Settore Regolazione Altezza Destro To 31-August-2011 |
| 9 | 322735595/1 | Settore Regolazione Altezza From 01-September-2011 To S/N 20BA2WBH064329 |
| 9 | 322735609/0 | Settore Regolazione Altezza From S/N 20BA2WBH064330 |
| 10 | 322600247/0 | Protezione Ruota As Optional |
| 11 | 112728698/0 | Vite |
| 12 | 322545152/0 | Piastrina |
| 13 | 381302817/0 | Asse Ruote Posteriore To S/N 20BA2WBH061216 |
| 13 | 381302817/1 | Asse Ruote Posteriore From S/N 20BA2WBH061217 |
| 14 | 122534131/0 | Perno |
| 15 | 381003357/0 | Leva Regolazione Altezza To S/N 20BA2WBH076280 |
| 15 | 381003357/1 | Leva Regolazione Altezza From S/N 20BA2WBH076281 |
| 16 | 122446192/0 | Molla |
| 17 | 112154510/0 | Dado |
| 18 | 322600205/0 | Protezione Ruote To 31-August-2014 |
| 18 | 322600205/1 | Protezione Ruota From 01-September-2014 |
| 21 | 112521350/0 | Rondella |
| 22 | 112155000/0 | Dado |
| Scarico Laterale Pag.3 | ||
| 1 | 322108295/0 | Convogliatore Uscite Laterale Black To 31-August-2011 |
| 1 | 322108309/0 | Convogliatore Posteriore Black From 01-September-2011 To 31-August-2014 |
| 1 | 322108309/1 | Convogliatore Posteriore Black From 01-September-2014 |
| 2 | 322600238/0 | Protezione Uscita To 31-August-2014 |
| 2 | 322600314/0 | Protezione Uscita From 01-September-2014 |
| 3 | 112727803/0 | Vite |
| 4 | 322806639/0 | Perno Fulcro |
| 5 | 112154510/0 | Dado |
| 6 | 118203853/0 | Cappuccio |
| 7 | 122450456/0 | Molla |
| 8 | 122517869/0 | Perno To 31-August-2014 |
| 8 | 122517869/1 | Perno From 01-September-2014 |
| 9 | 112604896/0 | Fissatore A Corona |
| Manico, Parte Inferiore Pag.4 | ||
| 1 | 381006737/0 | Manico, Parte Inferiore Nero Black |
| 2 | 112819110/0 | Vite |
| 3 | 122671651/0 | Rondella |
| 4 | 122399900/0 | Manopola Nera Black |
| 5 | 112293200/0 | Dado |
| 7 | 112818900/0 | Vite |
| 9 | 122399900/0 | Manopola Nera Black |
| 10 | 112293200/0 | Dado |
| 11 | 112155000/0 | Dado |
| 12 | 112521350/0 | Rondella |
| 13 | 112369500/0 | Disco Elastico |
| 14 | 112760605/0 | Vite |
| 15 | 381008691/0 | Dotazione Viteria Black |
| Manico, Parte Superiore Pag.5 | ||
| 1 | 381006739/0 | Manico, Parte Superiore Black without Sponge To 31-August-2011 |
| 1 | 381006739/1 | Manico, Parte Superiore Black without Sponge From 01-September-2011 To 31-August-2017 |
| 1 | 381006739/2 | Manico, Parte Superiore Black without Sponge From 01-September-2017 |
| 1 | 381006745/0 | Manico, Parte Sup. Con impugnatura In Spugna Black with Sponge To 31-August-2011 |
| 1 | 381006745/1 | Manico, Parte Sup. con impugnatura in spugna Black with Sponge From 01-September-2013 To 31-August-2017 |
| 1 | 381006745/2 | Manico, Parte Sup. con impugnatura in spugna Black with Sponge From 01-September-2017 To 31-August-2018 |
| 1 | 381006745/3 | Manico, Parte Sup. Nero con impugnatura in spugna Black with Sponge From 01-September-2018 |
| 2 | 122430313/0 | Molla Guida Not used on Electric Start Models |
| 3 | 112521330/0 | Rondella Not used on Electric Start Models |
| 4 | 112154510/0 | Dado Not used on Electric Start Models |
| 5 | 118390020/0 | Fermacavo |
| 6 | 181003363/0 | Leva Freno Motore Nero Black To 31-August-2010 |
| 6 | 181003363/1 | Leva Freno Motore Nera Black From 01-September-2010 |
| 7 | 181030056/0 | Cavo Freno Motore |
| 8 | 112727783/0 | Vite |
| 9 | 112154510/0 | Dado |
| 10 | 181003364/0 | Leva Comando Trazione Black |
| 11 | 381030051/0 | Cavo Comando Trazione |
| 12 | 322551640/0 | Piastrina Fissaggio Cavi To S/N 20AA2WBH066503 |
| 12 | 322551685/0 | Piastrina Fissaggio Cavi ø22 From S/N 20AA2WBH066504 |
| Gruppo Trazione Pag.6 | ||
| 1 | 112608600/0 | Seeger |
| 2 | 122570120/1 | Pignone Sinistro |
| 3 | 122570110/1 | Pignone Destro |
| 4a | 322042066/0 | Boccola For wheels ø180/200/240 |
| 5 | 112521371/0 | Rondella |
| 6 | 181003092/0 | Gruppo Trazione |
| 7 | 122601904/0 | Puleggia To 31-August-2013 |
| 7 | 122601909/0 | Puleggia From 01-September-2013 |
| 8 | 112645705/0 | Spina Elastica ø5X32 |
| 9 | 122033283/0 | Asta Regolazione |
| 10 | 135063800/0 | Cinghia Trapezoidale |
| 11 | 122041957/1 | Boccola |
| 12 | 122450063/0 | Molla |
| 13 | 322680009/0 | Rondella |
| 14 | 112154510/0 | Dado |
| 15 | 122110230/0 | Coprimozzo |
| 16 | 122753000/0 | Spina |
| Ruote e Coprimozzi Pag.7 | ||
| 1 | 381007455/0 | Ruota - Short Lungo To 31-August-2012 |
| 1 | 381007455/1 | Ruota - Short Lungo From 01-September-2012 |
| 2 | 119216035/0 | Cuscinetto |
| 3 | 322110636/0 | Coprimozzo Grigio |
| 5 | 381007467/0 | Ruota To 31-August-2012 |
| 5 | 381007467/1 | Ruota From 01-September-2012 |
| 6 | 119216035/0 | Cuscinetto |
| 7 | 112728706/0 | Vite |
| 8 | 322120117/0 | Corona Trascinamento |
| 9 | 322110637/0 | Coprimozzo Grigio |
| Coltello (Lama) Pag.8 | ||
| 1 | 112735108/1 | Vite |
| 2 | 122465607/3 | Mozzo Con Puleggia, Albero Motore Ø 22.2 |
| 3 | 181004346/3 | Lama Sinistra Mulching To 31-August-2015 |
| 3 | 181004460/0 | Lama Mulching From 01-September-2015 |
| 4 | 112523080/0 | Rondella To 31-August-2015 |
| 4 | 322680021/0 | Rondella From 01-September-2015 |
| 5 | 112508125/0 | Disco Elastico |
| 6 | 112735698/0 | Vite |
| 7 | 112139100/0 | Linguetta |
| 8 | 112154210/0 | Dado |
| Sacco Di Raccolta Pag.9 | ||
| 1 | 322785331/0 | Supporto Fulcro Parasassi Nero |
| 2 | 122450464/0 | Molla |
| 3 | 322109557/0 | Copertura Parasassi, Grigio Grey ( New code 381008163/0 ) |
| 4 | 112728699/0 | Vite |
| 5 | 322600216/0 | Parasassi Grigio Grey To 31-August-2011 |
| 5 | 322600216/1 | Parasassi Grigio Grey From 01-September-2011 |
| 6 | 322393645/0 | Maniglia Sacco Grigia Grey |
| 7 | 322486263/0 | Parte Superiore Sacco Grigio Grey To 31-August-2016 |
| 8 | 322486267/0 | Parte Inferiore Sacco Grey To 31-August-2016 |
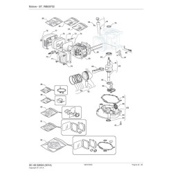
| Motore - ST. WBE0702 Pag.10 | ||
| 1 | 112292102/0 | Dado |
| 2 | 118550276/1 | Assieme Avviatore |
| 3 | 118550274/0 | Impugnatura Avviamento |
| 4 | 118550779/0 | Fune avviamento |
| 5 | 118550778/0 | Puleggia Avviamento |
| 6 | 118550275/0 | Kit Agganci Avviatore |
| 7 | 118550336/0 | Dado |
| 8 | 118550335/0 | Coppa Avviamento |
| 9 | 118550254/0 | Ventola Volano |
| 10 | 118550253/0 | Assieme Volano |
| 11 | 118550774/0 | Protezione |
| 12 | 112791213/1 | Vite |
| 13 | 118550302/0 | Prigioniero |
| 14 | 118550301/0 | Prigioniero |
| 15 | 118550255/0 | Bobina Elettronica |
| 16 | 112791500/0 | Vite |
| 17 | 112790500/0 | Vite |
| 18 | 118550378/0 | Assieme Guarnizione Sfiato Olio |
| 19 | 112791500/0 | Vite |
| 20 | 118550376/0 | Assieme Freno Volano |
| 21 | 118550259/0 | Comando Acceleratore |
| 22 | 118550337/0 | Fermaglio Cavo |
| 23 | 118550338/0 | Vite |
| 24 | 112791213/1 | Vite |
| 25 | 118550260/0 | Molla |
| 26 | 118550266/0 | Leva Comando Acceleratore |
| 27 | 118550397/0 | Astina Acceleratore |
| 28 | 118550263/0 | Molla |
| 29 | 118550264/0 | Leva Comando Aria |
| 30 | 118550390/0 | Carburatore |
| 31 | 118550738/0 | Guarnizione Filtro Aria |
| 32 | 118550737/0 | Assieme Filtro Aria |
| 33 | 118550452/0 | Filtro Aria |
| 34 | 118550739/0 | Coperchio Filtro Aria |
| 35 | 118550377/0 | Tubo Sfiato |
| 36 | 118550298/0 | Prigioniero |
| 37 | 112292102/0 | Dado |
| 40 | 118550315/0 | Prigioniero |
| 41 | 118550316/0 | Serbatoio Benzina |
| 42 | 118550339/1 | Tappo Serbatoio |
| 43 | 112292102/0 | Dado |
| 44 | 118550314/0 | Filtro Carburante |
| 45 | 118550340/0 | Tubo Carburante |
| 50 | 118550407/0 | Motore Completo |
| Motore - ST. WBE0702 Pag.11 | ||
| 51 | 112674550/0 | Vite |
| 52 | 118550382/0 | Assieme Carter Motore |
| 53 | 118550379/0 | Anello Di Tenuta |
| 54 | 118550775/0 | Gommino |
| 55 | 118550312/0 | Assieme Regolatore |
| 56 | 118550380/1 | Guarnizione Carter Motore |
| 58 | 118550271/0 | Albero Camme |
| 59 | 118550283/0 | Rondella |
| 60 | 118550385/0 | Albero Motore |
| 61 | 118550288/0 | Chiavetta Volano |
| 62 | 118550284/0 | Assieme Asta Collegamento |
| 63 | 118550387/0 | Assieme Pistone |
| 64 | 118550384/0 | Assieme Fasce Elastiche |
| 65 | 118550280/0 | Cuscinetto A Sfere |
| 66 | 118550308/0 | Assieme Albero Regolatore |
| 67 | 118550291/0 | Assieme Alzavalvole |
| 68 | 118550289/0 | Assieme Aste Di Punteria |
| 69 | 118550244/0 | Assieme Testa Cilindro |
| 70 | 118550296/1 | Coperchio Valvole |
| 71 | 112791213/1 | Vite |
| 72 | 9400-0244-00 | Candela |
| 73 | 118550297/0 | Vite |
| 74 | 118550298/0 | Prigioniero |
| 75 | 118550270/0 | Guarnizione Silenziatore |
| 76 | 118550269/0 | Silenziatore |
| 77 | 118550268/1 | Protezione Silenziatore |
| 78 | 112292102/0 | Dado |
| 79 | 118550300/0 | Anello Di Tenuta |
| 80 | 112674550/0 | Vite |
| 81 | 118550311/0 | Assieme Tappo Livello Olio |
| 85 | 118550273/0 | Set Bilancieri Valvole |
| 86 | 118550294/0 | Assieme Valvola Scarico |
| 87 | 118550292/0 | Assieme Valvola Aspirazione |
| 88 | 118550389/0 | Kit Riparazione |
| 89 | 118550388/0 | Kit Riparazione Carburatore |
| 90 | 118550743/0 | Kit Guranizioni Carburatore |
| 91 | 118550405/0 | Assieme Guarnizioni Testa Cilindro |
| 92 | 118550741/0 | Assieme Guarnizioni Motore |
| Motore - ST. WBE0702 Pag.12 | ||
| 60 | 322055452/0 | Capottina Nera |
| 61 | 322055450/0 | Capottina Nera |
| 62 | 322055439/0 | Capottina Nera |
| 63 | 322055463/1 | Cappottina |
| 65 | 322820078/0 | Tappo |
| 71 | 381002068/0 | Cappottina |
| 72 | 381002067/0 | Cappottina |
| 100 | 118550407/0 | Motore Completo |
Scheda tecnica
Potrebbe anche piacerti