
(modificale nel modulo Rassicurazioni cliente)
(modificale nel modulo Rassicurazioni cliente)
(modificale nel modulo Rassicurazioni cliente)
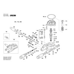
| Idropulitrice GHP 5-75/3 600 J10 700 | ||
| Pos. | Codice | Descrizione |
| 1 | F016L73283 | Carcassa |
| 2 | F016L72008 | Pulsante |
| 3 | F016L73028 | Base Di Gomma |
| 4 | F016L73029 | Ripostiglio Accessori |
| 5 | F016L73284 | Carcassa |
| 6 | F016L73031 | Copertura |
| 7 | F016L73032 | Ripostiglio Accessori |
| 8 | F016L73033 | componente carcassa |
| 9 | F016L73034 | componente carcassa |
| 10 | F016L73336 | Asta |
| 11 | F016L73036 | Maniglia |
| 12 | F016L73037 | Ripostiglio Accessori |
| 13 | F016L73038 | Ripostiglio Accessori |
| 14 | F016L73039 | Pulsante Di Regolazione |
| 15 | F016L73040 | Piastra Di Copertura |
| 16 | F016L73041 | Filtro per l'acqua |
| 17 | F016L73239 | Tubo Di Aspirazione |
| 18 | F016L73053 | Vite |
| 19 | F016L73044 | Carcassa |
| 20 | F016L73045 | Albero Di Ruote |
| 21 | F016L73046 | Ruota |
| 22 | F016L73047 | Rondella piana |
| 23 | F016L73048 | Copertura |
| 24 | F016L72122 | Coperchio Di Protezione |
| 25 | F016L72010 | Adattatore |
| 26 | F016L73591 | Filtro Passante |
| 27 | F016L72119 | Base Di Gomma |
| 28 | F016L72012 | Vite |
| 29 | F016L72187 | Vite |
| 30 | F016L73337 | Vite Maschiante In Pvc |
| 31 | F016L73051 | Rondella piana |
| 32 | F016L72109 | Beccuccio |
| 33 | F016L72120 | Rondella piana |
| 34 | F016L73711 | Vite |
| 35 | F016L73100 | Ammortizzatore Vibrazion |
| 36 | F016L73338 | Tubo Di Aspirazione |
| 37 | F016L73278 | Tappo Di Chiusura |
| 38 | F016L72169 | Pulsante |
| 101 | F016L72124 | Tappo Di Chiusura |
| 102 | F016L72170 | Testa pompa |
| 103 | F016L72126 | Vite |
| 104 | F016L72035 | O-ring |
| 105 | F016F04381 | Adattatore |
| 106 | F016L72014 | O-ring |
| 107 | F016F04382 | Adattatore |
| 108 | F016L72074 | O-ring |
| 109 | F016L72129 | Valvola |
| 110 | F016L72130 | Guarnizione |
| 111 | F016L72131 | O-ring |
| 112 | F016L72132 | Bronzina |
| 113 | F016L72133 | Bronzina |
| 115 | F016L72134 | Vite |
| 116 | F016L72135 | Guida pistone |
| 117 | F016L72136 | Molla |
| 118 | F016F04323 | Pistone 3 Stück |
| 119 | F016L72137 | Disco Obliquo |
| 121 | F016L72139 | Vite |
| 122 | F016L72138 | Tappo Di Chiusura |
| 124 | F016L72141 | O-ring |
| 126 | F016L72072 | Molla |
| 127 | F016L72073 | Sfera |
| 128 | F016L72074 | O-ring |
| 129 | F016L72143 | Nipplo |
| 130 | F016L72019 | O-ring |
| 131 | F016L72018 | Valvola Completa |
| 132 | F016L72017 | Molla |
| 133 | F016L72016 | O-ring |
| 134 | F016L72015 | Iniettore |
| 135 | F016L72065 | O-ring |
| 136 | F016L72030 | O-ring |
| 137 | F016L72066 | Pin/Piedino |
| 138 | F016L72067 | Molla |
| 139 | F016L72068 | Rondella piana |
| 140 | F016L72069 | O-ring |
| 141 | F016L72070 | Adattatore |
| 142 | F016L72071 | Adattatore |
| 143 | F016L72174 | Boccola Filettata |
| 144 | F016L72030 | O-ring |
| 145 | F016L72031 | Pistone |
| 146 | F016L72032 | Pistone |
| 147 | F016L72033 | O-ring |
| 148 | F016L72030 | O-ring |
| 149 | F016L72034 | Spessore |
| 150 | F016L72035 | O-ring |
| 151 | F016L72014 | O-ring |
| 152 | F016L72036 | Guida pistone |
| 153 | F016L72037 | Disco Obliquo |
| 154 | F016L72038 | Molla |
| 155 | F016L72039 | Disco Obliquo |
| 156 | F016L72040 | Pin/Piedino |
| 157 | F016L72041 | Inserto |
| 158 | F016L72042 | Tappo Di Chiusura |
| 159 | F016L72043 | Dado |
| 160 | F016L73290 | Pulsante |
| 161 | F016F04355 | Valvola |
| 162 | F016L73294 | Testa pompa |
| 401 | F016L72144 | Cuscinetto A Sfere |
| 402 | F016L72176 | Disco Obliquo |
| 403 | F016L72146 | Cuscinetto A Sfere |
| 404 | F016L73063 | Guarnizione Tenuta Radial |
| 405 | F016L72177 | Vite |
| 406 | F016L72149 | Pompa |
| 407 | F016L72150 | Cuscinetto A Sfere |
| 408 | F016L72151 | Copertura |
| 409 | F016L72152 | Guarnizione |
| 410 | F016L72153 | O-ring |
| 411 | F016L72154 | Ventilatore |
| 412 | F016L73065 | Canale Per Aria Compressa |
| 413 | F016L72156 | Rondella piana |
| 414 | F016L72157 | Vite |
| 415 | F016L72158 | O-ring |
| 416 | F016L72159 | Carcassa |
| 417 | F016L72160 | Rondella piana |
| 418 | F016L72161 | Vite |
| 419 | F016L73339 | Copertura |
| 420 | F016L72087 | Interruttore |
| 421 | F016L72092 | Beccuccio |
| 422 | F016L73340 | Linea Di Collegamento |
| 423 | F016L72163 | O-ring |
| 424 | F016L72178 | Condensatore |
| 425 | F016L73324 | Elettromotore |
| 426 | F016L72094 | Mancetto Di Arresto |
| 427 | F016L72093 | Modulo Elettronico |
| 428 | F016L72086 | Vite |
| 429 | F016L72096 | Beccuccio |
| 430 | F016L72260 | O-ring |
| 431 | F016L73343 | O-ring |
| 501 | F016L73068 | Maniglia |
| 501/1 | 1619PA9742 | Dispositivo Attivazione |
| 501/2 | 1619PA9743 | Molla |
| 501/3 | 1619PA9744 | Chiusura |
| 502 | F016L73327 | TUBO RAGGIO |
| 502/815 | 1619PB2119 | O-ring 9,5x1,5 |
| 503 | F016L73384 | TUBO RAGGIO |
| 503/815 | 1619PB2119 | O-ring 9,5x1,5 |
| 504 | F016F04524 | Tubo Flessibile |
| 505 | F016L72099 | O-ring |
| 511 | F016L73351 | Filtro Passante |
| 512 | F016L73352 | Filtro Passante |
| 814 | F016F04324 | Guarnizione |
| 880 | F016L73319 | SET PEZZI SOGGETTI USURA |
Scheda tecnica