- Solo online
(modificale nel modulo Rassicurazioni cliente)
(modificale nel modulo Rassicurazioni cliente)
(modificale nel modulo Rassicurazioni cliente)
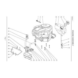
| Trattorino SG 180-102H - 13902 - 2004 Ricambi | ||
| Sezione 1 Pag.1 | ||
| 1 | RTA000888305 | Oil drain valve |
| 2 | RTA201958449 | Oil drain coupler |
| 4 | RTA000721802 | Engine, INTEK V-TWIN 18 HP-B&S |
| 5 | RTA000900955 | Fuel tank cap |
| 6 | RTA000490644 | Fuel tank |
| 7 | RTA000005005 | Fuel line 240mm |
| 8 | RTA000476300 | Fuel tank valve |
| 9 | RTA000318164 | Fuel line clamp UM 5008 |
| 10 | RTA000008646 | Fuel line 70mm |
| 11 | RTA000299530 | Hex screw M8x35 DIN 933 8.8 |
| 12 | RTA000291500 | Flat washer 8.4 DIN 125 A |
| 13 | RTA000280885 | Self locking nut M8 DIN 985 CI.8 |
| 14 | RTA000201003 | Spring washer 8 DIN 127 B |
| 15 | RTA000201531 | Exhaust screw 5/16-18NC 3/4 LG |
| 16 | RTA000291500 | Flat washer 8.4 DIN 125 A |
| 17 | RTA000201003 | Spring washer 8 DIN 127 B |
| 18 | RTA000244563 | Hex screw M8x20 DIN 933 8.8 |
| 19 | RTA195800062 | Muffler heat guard, left |
| 20 | RTA505900065 | Taptite thread form screw M6x12 DIN 7500 D |
| 21 | RTA505900054 | Muffler |
| 22 | RTA203058134 | Gasket cap |
| 28 | RTA195800926 | Muffler heat guard, right |
| 30 | RTA595900101 | Exhaust tube, left - INTEK |
| 31 | RTA595900102 | Exhaust tube, right - INTEK |
| 32 | RTA571001801 | Exhaust gasket 18 HP - INTEK |
| 33 | RTA000033242 | Hair pin clip |
| 37 | RTA000247357 | Screw M6x12 DIN 933 8.8 |
| 38 | RTA000283118 | Self locking nut M6 DIN 985 Cl.8 |
| 39 | RTA200058399 | Heat shield |
| 40 | RTA000290389 | Washer 6.4 DIN 125 A |
| 41 | RTA000259094 | Screw M5x12 Ecofix 4.8 |
| 42 | RTA000239448 | Flat washer 5.3 DIN 9021 B |
| 43 | RTA000285912 | Self locking nut M5 DIN 985 Cl.8 |
| Sezione 2 Pag.2 | ||
| 1 | RTA221012090 | Hex screw M12x90 DIN 931 8.8 |
| 2 | RTA201221175 | Hex screw M10x75 DIN 931 8.8 |
| 3 | RTA201058447 | Spacer |
| 4 | RTA000740113 | Grease fitting MK 6 DIN 71412 |
| 5 | RTA000295966 | Flat washer 19 DIN 125 A |
| 6 | RTA000230230 | Spring clip 15 DIN 6799 |
| 7 | RTA000093852 | Front axle |
| 8 | RTA000292061 | Flat washer 10.5 DIN 125 A |
| 9 | RTA000281446 | Self locking nut M10 DIN 985 Cl.8 |
| 10 | RTA505900004 | Front axle bushing |
| 11 | RTA000282557 | Self locking nut M12 DIN 982 Cl.8 |
| 12 | RTA000069080 | Tie rod front axle |
| 13 | RTA000207152 | Square key 5x7.5 DIN 6888 |
| 14 | RTA000283118 | Self locking nut M6 DIN 985 Cl.8 |
| 15 | RTA000407121 | Hub cap SC 1-1/2 |
| 16 | RTA000230230 | Spring Clip 15 DIN 6799 |
| 17 | RTA000096349 | Washer |
| 18 | RTA203959258 | Front tyre wheel assy 16x6.5-8 KST |
| 19 | RTA200958719 | Spindle, left |
| 20 | RTA221006045 | Hex screw M6x45 DIN 931 8.8 |
| 21 | RTA200058647 | Steering spindle lever for Y2K |
| 22 | RTA000273625 | Hex nut M10 DIN 934 Cl.8 |
| 26 | RTA000235246 | Locking stirrups 16 DIN 71805 S |
| 27 | RTA200958718 | Spindle, right |
| 28 | RTA201852444 | Washer 10.3 NORD-LOCK |
| 50 | RTA204598001 | Tyre 16x6.5-8 KENDA SUPER TURF |
| 51 | RTA000415426 | Tube 16x6.5-8 |
| 52 | RTA204598014 | Rim complete 16x6.5-8 |
| 55 | RTA195800901 | Ball angle joint 16 |
| Sezione 2 Pag.3 | ||
| 22 | RTA000273625 | Hex nut M10 DIN 934 Cl.8 |
| 26 | RTA000235246 | Locking stirrups 16 DIN 71805 S |
| 28 | RTA201852444 | Washer 10.3 NORD-LOCK |
| 55 | RTA195800901 | Ball angle joint 16 |
| 70 | RTA000243441 | Hex screw M8x16 DIN 933 8.8 |
| 71 | RTA000280885 | Self-locking nut M8 DIN 985 Cl.8 |
| 72 | RTA000291500 | Flat washer 8.4 DIN 125 A |
| 73 | RTA000244563 | Hex screw M8x20 DIN 933 8.8 |
| 74 | RTA000230230 | Spring clip C15 DIN 6799 |
| 75 | RTA105800970 | Distanziale Superiore |
| 76 | RTA505900002 | Spherical bearing FJB 12 |
| 77 | RTA105800969 | Spacer, lower |
| 78 | RTA195800920 | Steering shaft pinioin gear |
| 79 | RTA000282557 | Self-locking nut M12 DIN 985 Cl.8 |
| 80 | RTA505900043 | Eccentric bolt washer 12.4x50x5 |
| 81 | RTA000281446 | Self-locking nut M10 DIN 985 Cl.8 |
| 82 | RTA201058244 | Bushing |
| 83 | RTA201058248 | Steering plate |
| 84 | RTA000040667 | Sector gear |
| 85 | RTA201058246 | Shoulder bolt |
| 86 | RTA201058247 | Steering pin |
| 87 | RTA220012045 | Hex screw M12x45 DIN 933 8.8 |
| 88 | RTA000050413 | Drag link |
| Sezione 3 Pag.4 | ||
| 1 | RTA505900074 | Idler pulley V3000-3316-steel |
| 2 | RTA000280885 | Self locking nut M8 DIN 985 CI.8 |
| 3 | RTA000291500 | Flat washer 8.4 DIN 125 A |
| 11 | RTA200492077 | Traction v-belt La 103 |
| 12 | RTA000358698 | Tuff Torq transmission K46 |
| 13 | RTA000407121 | Hub cap SC 1-1/2 - black |
| 14 | RTA000230230 | Spring clip 15 DIN 6799 |
| 15 | RTA000096349 | Washer |
| 16 | RTA000299299 | Square key 3/16x3/16x2.5 |
| 17 | RTA203959262 | Rear tyre wheel assy 20x10.00-8 KST |
| 18 | RTA200058432 | Spacer, axle |
| 19 | RTA201221875 | Hex screw M8x75 DIN 931 8.8 |
| 22 | RTA000238414 | Hex screw M10x40 DIN 931 8.8 |
| 23 | RTA000292061 | Flat washer 10.5 DIN 125 A |
| 24 | RTA000091993 | Idler bushing |
| 25 | RTA000281446 | Self locking nut M10 DIN 985 CI.8 |
| 28 | RTA200058260 | Spring |
| 29 | RTA000292061 | Flat washer 10.5 DIN 125 A |
| 30 | RTA000281446 | Self locking nut M10 DIN 985 CI.8 |
| 31 | RTA000244563 | Hex screw M8x20 DIN 933 8.8 |
| 33 | RTA000924605 | Retainer |
| 35 | RTA000273955 | Square key 1/4x1/4x1-1/4 |
| 36 | RTA000294833 | Clutch bolt 7/16-20x2-1/2 LG |
| 37 | RTA000276012 | Spring washer 7/16 |
| 38 | RTA000892595 | El. magnet clutch Warner MSS-80C 5217-9 |
| 39 | RTA200959137 | Engine pulley |
| 42 | RTA000298760 | Flat washer 8.4 DIN 9021 B |
| 43 | RTA200958721 | Idler arm |
| 44 | RTA000786445 | Idler pulley F 3000-0750 |
| 45 | RTA000091993 | Idler bushing |
| 46 | RTA000238414 | Hex screw M10x40 DIN 931 8.8 |
| 60 | RTA204598004 | Tyre 20x10.00-8 KENDA SUPER TURF |
| 61 | RTA000496826 | Tube 20x10.00-8 |
| 62 | RTA204598018 | Rim complete 20x10.00-8 |
| 66 | RTA200958444 | Stabilizer |
| 67 | RTA000221845 | Screw M8x45 DIN 931 10.9 |
| 68 | RTA000246235 | Screw M8x25 DIN 933 8.8 |
| 72 | RTA201058448 | Support plate |
| 73 | RTA000740113 | Grease fitting MK 6 DIN 71412 |
| 74 | RTA203958746 | Bracket, left |
| 75 | RTA203958007 | Bracket, right |
| Sezione 4 Pag.5 | ||
| 1 | RTA000784256 | Handle grip - black |
| 2 | RTA000015994 | Ratchet pivot plate |
| 3 | RTA000403535 | Plunger button - black |
| 4 | RTA000045639 | Connection rod |
| 5 | RTA000280885 | Self-locking nut M8 DIN 985 Cl.8 |
| 7 | RTA000244563 | Hex screw M8x20 DIN 933 8.8 |
| 8 | RTA201058107 | Gear segment |
| 9 | RTA000001485 | Spring |
| 10 | RTA105800953 | Arm lever pin |
| 11 | RTA000926222 | Height adjustment arm lever |
| 12 | RTA275200006 | Clip for pin 6 DIN 6799 |
| 13 | RTA000324467 | Spring pin 5x30 DIN 1481 |
| 14 | RTA201958365 | Height adjuster shaft |
| 17 | RTA000291500 | Flat washer 8.4 DIN 125 A |
| 21 | RTA000281446 | Self-locking nut M10 DIN 985 Cl.8 |
| 22 | RTA000292061 | Flat washer 10.5 DIN 125 A |
| 23 | RTA000910283 | Eye bolt M10x50x14 - Zc |
| 24 | RTA000080608 | Lift spring |
| 25 | RTA000957110 | Pivot arm assy |
| 27 | RTA000072985 | Lifting pin |
| 29 | RTA000235323 | Cotter pin 5x50 DIN 94 |
| 30 | RTA202958277 | Bent pin |
| 31 | RTA000033242 | Hair pin 2.5-63 |
| 32 | RTA000965305 | Front suspension mower deck |
| 33 | RTA000282557 | Self-locking nut M12 DIN 985 Cl.8 |
| 34 | RTA000228019 | Hex nut M12 DIN 934 Cl.8 |
| 35 | RTA000918005 | Front holder |
| 36 | RTA000293172 | Flat washer 13 DIN 125 A |
| 37 | RTA000037246 | Pin |
| 38 | RTA000075812 | Hair pin clip 3.15-49 |
| 41 | RTA200958670 | Height adjustment rod |
| 42 | RTA000282218 | Cotter pin 2x18 DIN 94 |
| 43 | RTA202056038 | Rubber washer |
| Sezione 4 Pag.6 | ||
| 103 | RTA105800975 | Spring lever |
| 104 | RTA000200090 | Flat washer 4.3 DIN 125 A |
| 105 | RTA000284240 | Self locking nut M4 DIN 985 CI.8 |
| 107 | RTA200958754 | Bracket, brake rod |
| 112 | RTA000406560 | Caps A281/B1 1/2 |
| 113 | RTA200058634 | Lever bypass |
| 116 | RTA201958399 | Arm, by-pass lever |
| 118 | RTA000290389 | Flat washer 6.4 DIN 125 A |
| 119 | RTA200258742 | Cotter pin 1.6x12 DIN 94 |
| 120 | RTA000411312 | Pedal pad - black |
| 121 | RTA195800998 | Pedal |
| 123 | RTA000280885 | Self locking nut M8 DIN 985 CI.8 |
| 124 | RTA000291500 | Flat washer 8.4 DIN 125 A |
| 125 | RTA000054340 | Brake spring |
| 126 | RTA200958651 | Brake connecting rod |
| 128 | RTA200958707 | Brake - shaft |
| 129 | RTA000060280 | Hand brake spring |
| 130 | RTA195800964 | Hand brake lever |
| 131 | RTA000244563 | Hex screw M8x20 DIN 933 8.8 |
| 132 | RTA000048400 | Parking brake lever clamp |
| 135 | RTA000291610 | Spring pin 5x22 DIN 1481 |
| 136 | RTA220004025 | Hex screw M4x25 DIN 933 8.8 |
| 137 | RTA200059136 | Hair pin 1.8-36 |
| 138 | RTA200958761 | Bracket, brake rod |
| 139 | RTA200058690 | Spring |
| 140 | RTA201058193 | Plate by-pass |
| 141 | RTA200208243 | Stirrup 4 DIN 6799 |
| 142 | RTA000208263 | Stirrup 7 DIN 6799 |
| 144 | RTA000292061 | Washer 10.5 DIN 125 A |
| 145 | RTA201878008 | Flat washer 10.5 BN 735 |
| 146 | RTA201852111 | Spring washer 10.5 DIN 137 A |
| 147 | RTA201852112 | Spring washer 6.4 DIN 137 A |
| 148 | RTA201878006 | Flat washer 6.4 BN 735 |
| Sezione 4 Pag.7 | ||
| 150 | RTA200958756 | Travel pedal, rear |
| 151 | RTA000406901 | Pedal pad - Skoda |
| 152 | RTA203958202 | Travel pedal, front |
| 153 | RTA202056153 | Pedal pad, front |
| 154 | RTA200958752 | Travel pad weldment |
| 155 | RTA200958755 | Tie rod |
| 156 | RTA200958760 | Diagonal shaft |
| 157 | RTA203958216 | Formed link |
| 158 | RTA200958758 | Diagonal shaft |
| 159 | RTA200058594 | Pin |
| 160 | RTA000292061 | Washer 10.5 DIN 125 A |
| 161 | RTA000282218 | Cotter pin 2x18 DIN 94 |
| 162 | RTA000255530 | Cotter pin 2.5x18 DIN 94 |
| 163 | RTA200058606 | Spacer |
| 164 | RTA200058618 | Pin |
| 165 | RTA000272503 | Nut M8 DIN 934 Cl.8 |
| 166 | RTA200225405 | Screw M8x60 DIN 931 8.8 |
| 167 | RTA000291610 | Spring pin 5x22 DIN 1481 |
| 168 | RTA203126311 | Spring pin 5x26 ISO 8748 |
| 169 | RTA200296000 | Washer 9 DIN 126 |
| 170 | RTA000246235 | Screw M8x25 DIN 933 8.8 |
| Sezione 5 Pag.8 | ||
| 1 | RTA200119023 | Cutting system, complete |
| 2 | RTA221010090 | Hex screw M10x90 DIN 931 8.8 |
| 3 | RTA105700018 | Gauge wheel |
| 4 | RTA000281446 | Self locking nut M10 DIN 985 Cl.8 |
| 5 | RTA200958647 | Mower housing, complete |
| 6 | RTA232108008 | Self locking flange nut M8 DIN 6926 CI.8 |
| 7 | RTA203056136 | Quill housing |
| 9 | RTA201852083 | Hex flange bolt M8x30 DIN 6921 8.8 |
| 10 | RTA505900059 | Ring support |
| 11 | RTA222008035 | Hex flange bolt M8x35 DIN 6921 8.8 |
| 12 | RTA000106590 | Key 6h9x6x63 DIN 6885 A |
| 13 | RTA105800988 | Blade shaft, left |
| 14 | RTA000233453 | Hex screw M10x1x35 |
| 15 | RTA202056048 | Blade, left |
| 16 | RTA202056049 | Blade, right |
| 17 | RTA000245025 | Hex screw M10x1x35, left |
| 18 | RTA505900073 | Belleville washer 40x10.2x2x3.1 |
| 19 | RTA000281490 | Grooved shear pin |
| 20 | RTA202058022 | Blade adaptor |
| 21 | RTA000296076 | Locking ring 25 DIN 471 |
| 22 | RTA201878010 | Bearing 6205 2RS P6 |
| 23 | RTA000206030 | Square key 6h9x6x25 DIN 6885 A |
| 24 | RTA105800987 | Blade shaft, right |
| 26 | RTA200292003 | Plastic connection |
| 28 | RTA201852163 | Washer 10.5 DIN 93 |
| Sezione 5 Pag.9 | ||
| 40 | RTA000013783 | Engagement lever |
| 41 | RTA000280885 | Self locking nut M8 DIN 985 CI.8 |
| 42 | RTA000320870 | Spring |
| 43 | RTA000224730 | Hex nut M8 DIN 439 B CI.04 |
| 44 | RTA000201003 | Spring washer 8 DIN 127 B |
| 45 | RTA000298761 | Flat washer 8.4 DIN 7349 |
| 46 | RTA000785884 | Idler pulley W3500 - 3712 |
| 47 | RTA105800931 | Bushing |
| 48 | RTA105800943 | Belt retainer |
| 49 | RTA000282557 | Self locking nut M12 DIN 985 CI.8 |
| 50 | RTA000078573 | Flat washer |
| 51 | RTA000903606 | Drive pulley |
| 52 | RTA000246235 | Hex screw M8x25 DIN 933 8.8 |
| 53 | RTA000201003 | Spring washer 8 DIN 127 B |
| 54 | RTA000069729 | Shoulder spacer |
| 55 | RTA105800944 | Idler arm |
| 56 | RTA000221850 | Hex screw M8x50 DIN 931 8.8 |
| 57 | RTA203258354 | Hex screw M6x16 DIN 912 8.8 |
| 58 | RTA271030064 | Flat washer 6.4 BN 737 |
| 59 | RTA105800863 | Rubber washer 6.4 |
| 60 | RTA202248107 | Cog belt 20DS 8M 1760 Bando |
| 61 | RTA195800954 | Cog pulley assy |
| 62 | RTA105800928 | Cog pulley pin |
| 63 | RTA000280885 | Self locking nut M8 DIN 985 CI.8 |
| 64 | RTA000291500 | Flat washer 8.4 DIN 125 A |
| 65 | RTA105800945 | Pulley support |
| 66 | RTA000993663 | Drive cog pulley 28 |
| 68 | RTA240306016 | Carriage bolt M6x16 DIN 603 6.8 |
| 69 | RTA000290389 | Flat washer 6.4 DIN 125 A |
| 70 | RTA000283118 | Self locking nut M6 DIN 985 CI.8 |
| 72 | RTA105800946 | Flat washer |
| 73 | RTA203958208 | Blade drive plate assy |
| 74 | RTA505900043 | Cog pulley washer |
| 75 | RTA220010045 | Hex screw M10x45 DIN 933 8.8 |
| 76 | RTA105800947 | Bracket idler |
| 77 | RTA000292061 | Flat washer 10.5 DIN 125 A |
| 78 | RTA000281446 | Self locking nut M10 DIN 985 CI.8 |
| 79 | RTA195800887 | Cog pulley 28 |
| 80 | RTA201878011 | Bearing 6203 2RS P6 |
| 81 | RTA275100040 | Locking ring 40 DIN 472 |
| 82 | RTA000293172 | Flat washer 13 DIN 125 A |
| 83 | RTA105700013 | Belt cover - black |
| 84 | RTA000492063 | V-Belt 17x1350 B53 - Mitsuboshi |
| 85 | RTA203056142 | Drive pulley cover - black |
| 86 | RTA203056019 | Cover holder |
| 87 | RTA203125378 | Bolt M4x12 4.6 BN 354 |
| 88 | RTA000271243 | Flat washer 4.3 DIN 9021 B |
| 89 | RTA000254067 | Hex screw M5x16 DIN 933 8.8 |
| 90 | RTA203125377 | Flat washer 5x20 BN 732 |
| 91 | RTA000285912 | Self locking nut M5 DIN 985 CI.8 |
| Sezione 6 Pag.10 | ||
| 1 | RTA202958270 | Tunnel |
| 2 | RTA000284240 | Self locking nut M4 DIN 985 CI.8 |
| 3 | RTA000072765 | Support plate |
| 4 | RTA000071082 | Rubber seal |
| 7 | RTA202359367 | Hex screw M8x12 DIN 933 8.8 |
| 8 | RTA253504012 | Ecofix screw M4x12 BN 4825 H 4.8 |
| 9 | RTA000262911 | Head slotted screw M4x12 DIN 84 A 8.8 |
| 10 | RTA105800926 | Switch cover |
| 11 | RTA255108016 | Carriage bolt M8x16 BN 11252 10.9 |
| 12 | RTA000251691 | Screw M8x25 Verbus Ripp BN 2797 CI.100 |
| 13 | RTA200958653 | Collector support, right |
| 14 | RTA200958652 | Collector support, left |
| 15 | RTA200058625 | Tow hitch |
| 16 | RTA222008020 | Hex screw M8x20 DIN 6921 8.8 |
| 17 | RTA201958419 | Collector plate assy |
| 18 | RTA000291500 | Flat washer 8.4 DIN 125 A |
| 19 | RTA000280885 | Self locking nut M8 DIN 985 CI.8 |
| 20 | RTA200058623 | Tow hitch support |
| 21 | RTA000213312 | Hex screw M8x25 DIN 6921 8.8 |
| 23 | RTA202056034 | Tunnel support, left |
| 24 | RTA202056033 | Tunnel support, right |
| 26 | RTA200058627 | Protective shield bracket |
| 27 | RTA201058222 | Protective shield |
| 28 | RTA201058237 | Adjustable shield |
| 29 | RTA201058238 | Rear plate chute |
| 31 | RTA200958656 | Overload switch assy, complete |
| 32 | RTA201058119 | Overload switch actuation lever |
| 33 | RTA201058121 | Upper housing, over-load switch |
| 34 | RTA201058120 | Lower housing, over-load switch |
| 35 | RTA200059134 | Pin, over-load switch |
| 36 | RTA240306016 | Carriage bolt M6x16 DIN 603 6.8 |
| 37 | RTA000247357 | Hex screw M6x12 DIN 933 8.8 |
| 38 | RTA000283118 | Self locking nut M6 DIN 985 CI.8 |
| 39 | RTA000846802 | Plastic wing nut 1/4-20 |
| 40 | RTA000290389 | Flat washer 6.4 DIN 125 A |
| 41 | RTA000207086 | Carriage bolt M5x16 DIN 603 6.8 |
| 42 | RTA000285912 | Nut M5 DIN 985 KL8 |
| 43 | RTA000244563 | Hex screw M8x20 DIN 933 8.8 |
| 44 | RTA000201003 | Spring washer 8 DIN 127 B |
| 45 | RTA201115853 | Reinforcing |
| 46 | RTA203125379 | Bushing KD 716 |
| 48 | RTA000284449 | Hex screw M6x16 DIN 933 8.8 |
| 49 | RTA000289828 | Flat washer 5.3 DIN 125 A |
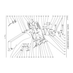
| Sezione 7 Pag.11 | ||
| 1 | RTA201958325 | Grass collector assy |
| 2 | RTA000254067 | Hex screw M5x16 DIN 933 8.8 |
| 3 | RTA000285912 | Self locking nut M5 DIN 985 Cl.8 |
| 4 | RTA105800918 | Collector spring, interlock |
| 5 | RTA201958329 | Spring bracket |
| 6 | RTA000489951 | Handle grip, dump lever |
| 7 | RTA105800952 | Dumping lever |
| 8 | RTA000975249 | Front frame assy |
| 9 | RTA200058278 | Grass collector bag CZ |
| 10 | RTA000019063 | Corner support - right |
| 11 | RTA000239448 | Flat washer 5.3 DIN 9021 B |
| 12 | RTA000272635 | Hex screw M5x30 DIN 933 8.8 |
| 13 | RTA000289828 | Flat washer 5.3 DIN 125 A |
| 14 | RTA000286605 | Hex screw M5x25 DIN 933 8.8 |
| 15 | RTA000060269 | Corner support- left |
| 16 | RTA000024937 | Connecting brace |
| 17 | RTA000283250 | Hex screw M5x35 DIN 933 8.8 |
| 18 | RTA200958657 | Bottom frame assy |
| 19 | RTA000280885 | Self locking nut M8 DIN 985 Cl.8 |
| 20 | RTA000026048 | Brace |
| 21 | RTA000246235 | Hex screw M8x25 DIN 933 8.8 |
| 22 | RTA000207086 | Carriage bolt M5x16 DIN 603 6.8 |
| 23 | RTA000244563 | Hex screw M8x20 DIN 933 8.8 |
| 24 | RTA000201003 | Spring washer 8 DIN 127 B |
| 25 | RTA000298760 | Flat washer 8.4 DIN 9021 B |
| 26 | RTA201958328 | Top frame assy |
| 27 | RTA000978604 | Lift handle |
| 28 | RTA204056413 | Collector cover RAL 2004 |
| 29 | RTA505900065 | Taptite thread form screw M6x12 DIN 7500 D |
| 30 | RTA105800862 | Rubber washer 5 |
| 31 | RTA000639144 | Decal arrow |
| Sezione 8 Pag.12 | ||
| 1 | RTA105800940 | Seat support bracket |
| 2 | RTA000201003 | Spring washer 8 DIN 127 B |
| 3 | RTA000244563 | Hex screw M8x20 DIN 933 8.8 |
| 4 | RTA222008020 | Hex flange bolt M8x20 DIN 6921 8.8 |
| 5 | RTA201058223 | Spacer |
| 7 | RTA105800939 | Seat support |
| 8 | RTA240306030 | Carriage bolt M6x30 DIN 603 6.8 |
| 9 | RTA000298210 | Flat washer 6.4 DIN 9021 B |
| 10 | RTA000331386 | Seat spring |
| 11 | RTA105800935 | Spacer split |
| 12 | RTA505900119 | Seat quatro 400 071 |
| 13 | RTA105800938 | Bracket |
| 14 | RTA000002156 | Bushing |
| 15 | RTA000283118 | Self locking nut M6 DIN 985 Cl.8 |
| 16 | RTA000290642 | Spring washer 8 DIN 137 A |
| 17 | RTA203150000 | Adj. knob KRG 1A 40 M8x15 |
| 18 | RTA200958705 | Chasis frame |
| 19 | RTA000246235 | Hex screw M8x25 DIN 933 8.8 |
| 20 | RTA000074690 | Seat support screw |
| 21 | RTA000291500 | Flat washer 8.4 DIN 125 A |
| 22 | RTA000280885 | Self locking nut M8 DIN 985 Cl.8 |
| 23 | RTA000262064 | Flat head socket screw M5x20 DIN 7991 10.9 |
| 24 | RTA000268774 | Finishing washer 5.3 SN 213912 |
| 25 | RTA204056456 | Fender RAL 2004 |
| 26 | RTA000292061 | Flat washer 10.5 DIN 125 A |
| 27 | RTA000281446 | Self locking nut M10 DIN 985 Cl.8 |
| 28 | RTA000285912 | Self locking nut M5 DIN 985 Cl.8 |
| 29 | RTA000239448 | Flat washer 5.3 DIN 9021 B |
| 30 | RTA200057102 | Footrest assy - black |
| 31 | RTA000098692 | Seat spring |
| 32 | RTA201058111 | Battery box |
| 33 | RTA000298760 | Flat washer 8.4 DIN 9021 B |
| 36 | RTA000239448 | Flat washer 5.3 DIN 9021 B |
| 37 | RTA000207086 | Carriage bolt M5x16 DIN 603 6.8 |
| 38 | RTA000407121 | Hub cap SC 1-1/2 - black |
| 39 | RTA105800864 | Rubber washer 10.5 |
| 40 | RTA105800862 | Rubber washer 5.3 |
| 41 | RTA105800870 | Rubber washer 11.5 |
| 42 | RTA000289828 | Flat washer 5.3 DIN 125 A |
| 43 | RTA254505016 | Flat head screw M5x16 DIN 965 A 4.8 |
| Sezione 8 Pag.13 | ||
| 61 | RTA204956018 | Bumper |
| 62 | RTA204956011 | Hood |
| 63 | RTA000820699 | Bushing 23x2 KD5 |
| 64 | RTA203056190 | Fuel tank holder |
| 65 | RTA203056191 | Support holder |
| 66 | RTA000256300 | Hex screw M5x12 DIN 933 8.8 |
| 67 | RTA203845122 | Screw M5x12 DIN 965 A 4.8 |
| 68 | RTA000323906 | Spring pin 6x45 DIN 7346 |
| 69 | RTA000058527 | Steering wheel, 14 640 CZ |
| 70 | RTA254505016 | Flat head screw M5x16 DIN 965 A 4.8 |
| 71 | RTA250004014 | Head-slotted screw M4x14 DIN 84 A 4.8 |
| 72 | RTA000084414 | Throttle knob - black |
| 73 | RTA000284240 | Self locking nut M4 DIN 985 Cl.8 |
| 74 | RTA000285912 | Self locking nut M5 DIN 985 Cl.8 |
| 75 | RTA000770880 | Throttle lever assy |
| 76 | RTA105800812 | Brace |
| 77 | RTA203056091 | Dash panel - black |
| 78 | RTA204100503 | Nut M5 DIN 934 |
| 79 | RTA000289828 | Flat washer 5.3 DIN 125 A |
| 80 | RTA204120500 | Spring washer 5 DIN 127 B |
| 81 | RTA220005020 | Hex screw M5x20 DIN 933 8.8 |
| 82 | RTA000239448 | Flat washer 5.3 DIN 9021 B |
| 83 | RTA000244563 | Hex screw M8x20 DIN 933 8.8 |
| 84 | RTA000298760 | Flat washer 8.4 DIN 9021 B |
| 86 | RTA105800818 | Safety bar |
| 87 | RTA105800801 | Hood spring |
| 89 | RTA195800866 | Heat shield |
| 90 | RTA000259314 | Self drilling screw 4.2x13 DIN 7504 K |
| 91 | RTA000978450 | Choke - Capro |
| 92 | RTA505900084 | Hex nut 3/8 - 24 |
| 93 | RTA203300113 | Hub cap GL 25x3-3.5 - black |
| 94 | RTA201852111 | Spring washer 10 DIN 137 A |
| 95 | RTA000201003 | Spring washer 8 DIN 127 B |
| 96 | RTA000239448 | Flat washer 5.3 DIN 9021 B |
| Sezione 9 Pag.14 | ||
| 1 | RTA000820556 | Battery 12V-22Ah |
| 2 | RTA000271942 | Hex nut M6 DIN 934 Cl.8 |
| 3 | RTA000284449 | Hex screw M6x16 DIN 933 8.8 |
| 4 | RTA000874962 | Battery clamp |
| 5 | RTA000652388 | Rubber boot |
| 6 | RTA000872421 | Battery cable (-) |
| 7 | RTA000280885 | Self locking nut M8 DIN 985 Cl.8 |
| 8 | RTA000290389 | Flat washer 6.4 DIN 125 A |
| 12 | RTA000323356 | Cable ties RT 360 |
| 14 | RTA000059004 | Wiring harness holder |
| 15 | RTA000829191 | Clip - snap in 1903-00 F/A |
| 16 | RTA201958368 | Light wiring harness CZ |
| 18 | RTA000818323 | Light bulb R 10W 12V BA15s |
| 20 | RTA195800914 | Clutch harness with diode |
| 21 | RTA201958441 | Main wiring harness HYDRO-01 |
| 22 | RTA000890670 | Cap - 15455 - 4539 |
| 23 | RTA000430595 | Bushing 9x1.5 KD 712 |
| 24 | RTA820002202 | Bushing 18x2 |
| 25 | RTA195800915 | Battery cable (+) |
| 26 | RTA000692054 | Nylon clips - adhesive 1/4 PCNY 250-9 |
| 27 | RTA000820699 | Bushing 23x2 KD 5 |
| 28 | RTA203800004 | Bushing 16x2 KD 7 |
| Sezione 9 Pag.15 | ||
| 35 | RTA505900049 | Protective cover 9910 |
| 36 | RTA000877943 | Switch DELTA 6440-04 |
| 37 | RTA201059200 | Switch DELTA 6440-53 |
| 38 | RTA201852333 | Screw 2.9x13 DIN 7981 Z |
| 39 | RTA201958440 | Control modulus HYDRO-01 |
| 40 | RTA200058252 | Holder modulus |
| 41 | RTA201852334 | Flat washer 3 DIN 125 A |
| 47 | RTA000247357 | Hex screw M6x12 DIN 933 8.8 |
| 48 | RTA000200442 | Spring washer 6 DIN 127 B |
| 49 | RTA000290389 | Flat washer 6.4 DIN 125 A |
| 50 | RTA000277816 | Nut W 1/4" - 20 |
| 51 | RTA000453332 | Rubber boot 16x11 |
| 52 | RTA195800916 | El. starter lead (10) |
| 53 | RTA000821117 | Solenoid 94255/12V - 150A |
| 54 | RTA203356752 | Screw 4.2x13 DIN 7981 F |
| Sezione 9 Pag.16 | ||
| 56 | RTA195800895 | Connect cable |
| 57 | RTA505900052 | Locking rocker switch |
| 58 | RTA200830600 | Ignition switch DELTA integral with key |
| 59 | RTA200800001 | Key with moulded cover for integral switch |
| 60 | RTA000304909 | Ring 406 15/40 |
| 65 | RTA201852002 | Buzzer |
| 67 | RTA201958410 | Buzzer compl. |
| 68 | RTA505900098 | Hourmeter 82001 |
| Sezione 10 Pag.17 | ||
| 1 | RTA000639144 | Decal arrow |
| 3 | RTA000604945 | Battery label |
| 4 | RTA201059075 | Decal B&S |
| 5 | RTA203056086 | Decal, dash panel, right |
| 6 | RTA201058188 | Decal, dash panel, left |
| 7 | RTA204056450 | Hood decal, side |
| 8 | RTA204056451 | Hood decal, front |
| 9 | RTA000689315 | Brake locking |
| 10 | RTA000686620 | Users information |
| 11 | RTA000668041 | Safety label |
| 12 | RTA000601920 | Safety label - cutting |
| 13 | RTA000697521 | Label of lifting, left |
| 14 | RTA105800819 | Label of lifting, right |
| 15 | RTA000641179 | Travel direction decal |
| 16 | RTA200058280 | By-pass decal |
| 17 | RTA201058186 | Safety decal |
| 19 | RTA204056452 | Decal, SG 180-102 |
| 23 | RTA201058253 | Rear plate chute decal |
Scheda tecnica
Potrebbe anche piacerti