
(modificale nel modulo Rassicurazioni cliente)
(modificale nel modulo Rassicurazioni cliente)
(modificale nel modulo Rassicurazioni cliente)
Distribuiamo Ricambi originali ALPINA in offerta a prezzi imbattibili, siamo un centro di assistenza autorizzato con servizio di riparazione in grado di consigliarti l'acquisto del ricambio più adatto a risolvere rapidamente ogni problema di manutenzione e riparazione del Rasaerba BL 460 S (2016) 295496044/A14.
Nella tabella seguente, cercate il modello del Rasaerba ed il rispettivo codice del ricambio.![]()
| RASAERBA A TRAZIONE ALPINA BL 460 S (2016) 295496044/A14 | ||
| CHASSIS Pag.1 | ||
| Pos. | Codice | Descrizione |
| 1 | 381004051/0 | Chassis Nero |
| 2 | 322108301/0 | Convogliatore Anteriore To 31-August-2011 |
| 2 | 322108301/1 | Convogliatore Anteriore From 01-September-2011 |
| 3 | 112728699/0 | Vite |
| 4 | 322108302/0 | Convogliatore Posteriore |
| 5 | 112728699/0 | Vite |
| 6 | 322545213/0 | Piastrina |
| 7 | 381005139/0 | Staffa Sinistra |
| 8 | 112727801/0 | Vite |
| 9 | 381005137/0 | Staffa Destra |
| 10 | 322060242/0 | Carter Cinghia |
| 11 | 322140239/0 | Mulching Deflector Cruiser 48 |
| 12 | 112728530/0 | Vite |
| Regolazione Altezza Taglio Pag.2 | ||
| 1 | 322545189/0 | Piastrina |
| 2 | 322735597/0 | Settore Regolazione Altezza Sinistro To 31-August-2011 |
| 2 | 322735597/1 | Settore Regolazione Altezza From 01-September-2011 To S/N 20BA2WBH058855 |
| 2 | 322735611/0 | Settore Regolazione Altezza From S/N 20BA2WBH058856 |
| 3 | 381005141/0 | Supporto Ruota To S/N SK6810777 |
| 3 | 381005159/0 | Supporto Ruota From S/N SK6614968 To S/N 19GA2WBH002978 |
| 3 | 381005253/0 | Supporto Ruota From S/N 20AA2WBH020538 To S/N 20BA2WBH056549 |
| 3 | 381005265/0 | Supporto Ruota From S/N 20BA2WBH056550 |
| 4 | 381003354/0 | Leva Regolazione Altezza |
| 5 | 122519811/0 | Perno |
| 6 | 112521350/0 | Rondella |
| 7 | 112155000/0 | Dado |
| 9 | 322735595/0 | Settore Regolazione Altezza Destro To 31-August-2011 |
| 9 | 322735595/1 | Settore Regolazione Altezza From 01-September-2011 To S/N 20BA2WBH064329 |
| 9 | 322735609/0 | Settore Regolazione Altezza From S/N 20BA2WBH064330 |
| 10 | 322600247/0 | Protezione Ruota As Optional |
| 11 | 112728698/0 | Vite |
| 12 | 322545152/0 | Piastrina |
| 13 | 381302817/0 | Asse Ruote Posteriore To S/N 20BA2WBH061216 |
| 13 | 381302817/1 | Asse Ruote Posteriore From S/N 20BA2WBH061217 |
| 14 | 122534131/0 | Perno |
| 15 | 381003357/0 | Leva Regolazione Altezza To S/N 20BA2WBH076280 |
| 15 | 381003357/1 | Leva Regolazione Altezza From S/N 20BA2WBH076281 |
| 16 | 122446192/0 | Molla |
| 17 | 112154510/0 | Dado |
| 18 | 322600205/0 | Protezione Ruote To 31-August-2014 |
| 18 | 322600205/1 | Protezione Ruota From 01-September-2014 |
| 21 | 112521350/0 | Rondella |
| 22 | 112155000/0 | Dado |
| Manico Parte Inferiore Pag.3 | ||
| 1 | 381006737/0 | Manico, Parte Inferiore Nero Black |
| 2 | 112819110/0 | Vite |
| 3 | 122671651/0 | Rondella |
| 4 | 322399840/0 | Manopola Gialla Yellow |
| 5 | 112293200/0 | Dado |
| 7 | 112818900/0 | Vite |
| 9 | 322399840/0 | Manopola Gialla Yellow |
| 10 | 112293200/0 | Dado |
| 11 | 112155000/0 | Dado |
| 12 | 112521350/0 | Rondella |
| 13 | 112369500/0 | Disco Elastico |
| 14 | 112760605/0 | Vite |
| 15 | 381008692/0 | Dotazione Viteria Yellow |
| Manico Parte Superiore Pag.4 | ||
| 1 | 381006740/0 | Manico, Parte Superiore |
| 2 | 112727783/0 | Vite |
| 3 | 322551640/0 | Piastrina Fissaggio Cavi To S/N 20AA2WBH066503 |
| 3 | 322551685/0 | Piastrina Fissaggio Cavi ø22 From S/N 20AA2WBH066504 |
| 4 | 381030085/0 | Cavo Comando Trazione |
| 5 | 181030084/0 | Cavo Freno Motore B&S / GGP / Honda Engine |
| 6 | 112154510/0 | Dado |
| 7 | 112154510/0 | Dado Not used on Electric Start Models |
| 8 | 112521330/0 | Rondella Not used on Electric Start Models |
| 9 | 122430313/0 | Molla Guida Not used on Electric Start Models |
| 10 | 381003394/0 | Leva Freno Motore Gialla Yellow To 31-August-2019 |
| 10 | 381003394/1 | Leva Freno Motore Gialla Yellow From 01-September-2019 |
| 11 | 381003395/0 | Leva Trazione Gialla |
| Gruppo Trazione Pag.5 | ||
| 1 | 112608600/0 | Seeger |
| 2 | 122570120/1 | Pignone Sinistro |
| 3 | 122570110/1 | Pignone Destro |
| 4a | 322042066/0 | Boccola For wheels ø180/200/240 |
| 5 | 112521371/0 | Rondella |
| 6 | 181003092/0 | Gruppo Trazione |
| 7 | 122601904/0 | Puleggia To 31-August-2013 |
| 7 | 122601909/0 | Puleggia From 01-September-2013 |
| 8 | 112645705/0 | Spina Elastica ø5X32 |
| 9 | 122033283/0 | Asta Regolazione |
| 10 | 1111-9123-01 | Cinghia Stiga Packed into 135063800/0 |
| 10 | 135063800/0 | Cinghia Trapezoidale |
| 11 | 122041957/1 | Boccola |
| 12 | 122450063/0 | Molla |
| 13 | 322680009/0 | Rondella |
| 14 | 112154510/0 | Dado |
| 15 | 122110230/0 | Coprimozzo |
| 16 | 122753000/0 | Spina |
| Ruote e Coprimozzi Pag.6 | ||
| 1 | 381007442/0 | Ruota - Short Lungo To 31-August-2012 |
| 1 | 381007442/1 | Ruota - Short Lungo From 01-September-2012 |
| 2 | 322042064/0 | Boccola |
| 3 | 322110636/0 | Coprimozzo Grigio |
| 5 | 381007462/0 | Ruota To 31-August-2012 |
| 5 | 381007462/1 | Ruota From 01-September-2012 |
| 6 | 322042064/0 | Boccola |
| 7 | 112728706/0 | Vite |
| 8 | 322120117/0 | Corona Trascinamento |
| 9 | 322110637/0 | Coprimozzo Grigio |
| Coltello (LAMA) Pag.7 | ||
| 1 | 112735109/2 | Vite |
| 2 | 122465607/3 | Mozzo Con Puleggia, Albero Motore Ø 22.2 |
| 3 | 1111-9278-01 | Lama Mulching (STIGA Pack) Stiga Packed into 181004460/0 |
| 3 | 181004346/3 | Lama Sinistra Mulching To 31-August-2015 |
| 3 | 181004460/0 | Lama Mulching From 01-September-2015 |
| 4 | 112523080/0 | Rondella To 31-August-2015 |
| 4 | 322680021/0 | Rondella From 01-September-2015 |
| 5 | 112508125/0 | Disco Elastico |
| 6 | 112735698/0 | Vite |
| 7 | 112139100/0 | Linguetta |
| 8 | 112154210/0 | Dado |
| Sacco di Raccolta Pag.8 | ||
| 1 | 322785331/0 | Supporto Fulcro Parasassi Nero |
| 2 | 122450464/0 | Molla |
| 3 | 322109554/0 | Copertura Parasassi, Nero Black To 31-August-2018 |
| 3 | 322109557/0 | Copertura Parasassi, Grigio Grey |
| 4 | 112728699/0 | Vite |
| 5 | 322600206/1 | Parasassi Nero Black |
| 5 | 322600216/0 | Parasassi Grigio To 31-August-2011 |
| 5 | 322600216/1 | Parasassi Grigio From 01-September-2011 |
| 6 | 181006409/0 | Telaio Sacco |
| 7 | 181002319/0 | Sacco, Tela |
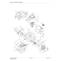
| Motore - Carburatore Serbatoio Pag.9 | ||
| 1 | 118550693/0 | Ass. Capottina Avviamento |
| 2 | 118550694/0 | Maniglia Avviatore |
| 4 | 118550695/0 | Puleggia Avviamento |
| 5 | 118550696/0 | Kit Agganci Avviatore |
| 6 | 118550713/0 | Vite |
| 7 | 118550714/0 | Vite |
| 8 | 112689515/0 | Vite |
| 9 | 118550712/0 | Serbatoio Benzina |
| 10 | 118550711/0 | Tappo Serbatoio |
| 11 | 118550715/0 | Filtro Carburante |
| 12 | 118550716/0 | Tubo Carburante |
| 13 | 118550697/0 | Carburatore |
| 14 | 118550706/0 | Vite |
| 15 | 112292102/0 | Dado |
| 16 | 118550702/0 | Ass. Filtro Aria |
| 17 | 118550704/0 | Filtro Aria |
| 18 | 118550703/0 | Coperchio Filtro Aria |
| 19 | 118550698/0 | Primer |
| 20 | 118550705/0 | Tubo Sfiato |
| 21 | 112292102/0 | Dado |
| 21 | 112292102/0 | Dado |
| 22 | 118550710/0 | Vite |
| 23 | 112735699/0 | Vite |
| 24 | 118550709/0 | Protezione Silenziatore |
| 25 | 118550708/0 | Silenziatore |
| 26 | 118550707/0 | Guarnizione Silenziatore |
| 31 | 118550719/0 | Bobina Elettronica |
| 32 | 112792099/0 | Vite |
| 33 | 118550658/0 | Candela |
| 35 | 118550720/0 | Molla |
| 36 | 118550721/0 | Asta Regolatore |
| 38 | 118550732/0 | Motore Completo |
| 98 | 322055521/0 | Cappottina additional parts not for all models |
| 99 | 322055518/0 | Cuffia, Gialla additional parts not for all models |
| 99 | 381002079/0 | Ass. Cappottina Nera (pos. 98+99) additional parts not for all models |
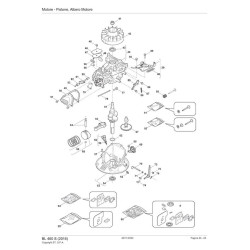
| Motore - Pistone, Albero Motore Pag.10 | ||
| 39 | 118550728/0 | Ass. Freno |
| 40 | 118550727/0 | Molla |
| 41 | 118550717/0 | Dado |
| 42 | 118550718/0 | Ass. Volano |
| 43 | 118550661/0 | Anello Di Tenuta |
| 44 | 118550729/0 | Ass. Testa Cilindro |
| 45 | 112735699/0 | Vite |
| 46 | 118550659/0 | Coperchio |
| 47 | 118550733/0 | Guarnizione Sfiato Olio |
| 48 | 118550660/0 | Filtro Olio |
| 49 | 118550680/0 | Guarnizione |
| 50 | 118550681/0 | Coperchio Valvole |
| 51 | 112735699/0 | Vite |
| 52 | 112791500/0 | Vite |
| 53 | 118550672/0 | Ass. Carter Motore |
| 54 | 118550668/0 | Anello Di Tenuta |
| 55 | 118550669/0 | Ass. Tappo Olio |
| 56 | 118550670/0 | Anello Or |
| 57 | 118550664/0 | Perno |
| 61 | 118550674/0 | Albero Motore |
| 62 | 118550673/0 | Rondella |
| 63 | 118550675/0 | Asta Collegamento |
| 64 | 118550678/0 | Fermo + Spinotto Pistone |
| 65 | 118550677/0 | Ass. Pistone |
| 66 | 118550679/0 | Ass. Fasce Elastiche |
| 67 | 118550682/0 | Albero Camme |
| 68 | 112735699/0 | Vite |
| 69 | 118550662/0 | Ass. Regolatore |
| 70 | 118550665/0 | Albero Regolatore |
| 71 | 118550666/0 | Rondella |
| 72 | 118550671/0 | Guarnizione |
| 73 | 118550723/0 | Supporto Regolazione |
| 74 | 118550726/0 | Vite |
| 75 | 118550722/0 | Dado |
| 76 | 118550667/0 | Coppiglia |
| 77 | 118550683/0 | Alzavalvole |
| 78 | 118550684/0 | Aste Di Punteria |
| 79 | 118550685/0 | Piastrina |
| 80 | 118550686/0 | Vite |
| 81 | 118550687/0 | Bilanciere Valvole |
| 82 | 118550688/0 | Dado |
| 83 | 118550689/0 | Dado |
| 85 | 118550724/0 | Piastrina |
| 86 | 112735699/0 | Vite |
| 87 | 118550725/0 | Molla |
| 89 | 112791500/0 | Vite |
| 90 | 112735699/0 | Vite |
| 91 | 118550692/0 | Ass. Valvola Scarico |
| 92 | 118550691/0 | Ass. Valvola Aspirazione |
| 93 | 118550690/0 | Molla |
| 94 | 118550699/0 | Kit Guarnizioni Carburatore |
| 95 | 118550731/0 | Ass. Guarnizioni Testa Cilindro |
| 96 | 118550730/0 | Ass. Guarnizioni Motore |
Scheda tecnica
Potrebbe anche piacerti