
(modificale nel modulo Rassicurazioni cliente)
(modificale nel modulo Rassicurazioni cliente)
(modificale nel modulo Rassicurazioni cliente)
Distribuiamo Ricambi originali ALPINA in offerta a prezzi imbattibili, siamo un centro di assistenza autorizzato con servizio di riparazione in grado di consigliarti l'acquisto del ricambio più adatto a risolvere rapidamente ogni problema di manutenzione e riparazione del Rasaerba FL 46 LMG (2010) 298436041/ALO.
Nella tabella seguente, cercate il modello del Rasaerba ed il rispettivo codice del ricambio.![]()
| Rasaerba ALPINA FL 46 LMG (2010) 298436041/ALO | ||
| Chassis E Regolazione Altezza di Taglio Pag.1 | ||
| Pos. | Codice | Descrizione |
| 1 | 381000952/0 | Chassis Rosso To 31-August-2006 |
| 1 | 381000952/1 | Chassis Rosso From 01-September-2006 |
| 2 | 112293200/0 | Dado |
| 3 | 112583500/0 | Grower |
| 4 | 112523070/0 | Rondella |
| 5 | 322735547/0 | Settore Regolazione Altezza |
| 6 | 381005082/0 | Supporto Ruota |
| 7 | 481003285/1 | Leva |
| 8 | 122519811/0 | Perno |
| 9 | 381005084/0 | Supporto Ruota |
| 10 | 481003286/0 | Leva Regolazione Altezza |
| Manico, Parte Inferiore Pag.2 | ||
| 1 | 112293200/0 | Dado |
| 2 | 122399900/0 | Manopola Nera |
| 3 | 122551574/0 | Piastrina Esterna - Sostituita da 381008596/1 |
| 4 | 112691115/0 | Vite |
| 5 | 112793300/0 | Vite |
| 6 | 112155000/0 | Dado |
| 7 | 381006512/0 | Manico, Parte Inferiore |
| 8 | 112819201/0 | Vite |
| 9 | 122680006/1 | Rondella |
| 10 | 122551575/0 | Piastrina Interna Isolamento Manico |
| 11 | 381008596/1 | Dotazione Viteria |
| Manico, Parte Superiore Pag.3 | ||
| 1 | 381007018/1 | Manico, Parte Superiore |
| 2 | 181000611/0 | Cavo Freno Motore SV40/RV 40/V35 Engine;From 01-September-2005 |
| 3 | 181003291/2 | Leva Freno Motore To 31-August-2006 |
| 3 | 181003291/3 | Leva Freno Motore From 01-September-2006 |
| 4 | 122041966/0 | Boccola |
| 5 | 112728518/0 | Vite |
| 6 | 322806612/0 | Supporto |
| Comandi Pag.4 | ||
| 1 | 112291000/0 | Dado |
| 2 | 112581500/0 | Grower |
| 3 | 122171005/0 | Distanziale |
| 4 | 112521360/0 | Rondella |
| 5 | 112508100/0 | Molla A Tazza |
| 6 | 381007220/0 | Leva Acceleratore SV40-RV 40-V35 Engine / B&S 450-500 Series;From 01-September-2006 |
| 7 | 481007080/0 | Cavo Acceleratore |
| 8 | 112815000/0 | Vite |
| 9 | 114356702/0 | Etichetta Acceleratore (GGP) |
| Ruote e Coprimozzi Pag.5 | ||
| 1 | 122034508/0 | Boccola |
| 2 | 381007336/0 | Ruota Scolpita Ø 170 |
| 3 | 322110416/0 | Coprimozzo Grigio |
| 4 | 381007337/0 | Ruota Scolpita Ø 210 |
| 5 | 322110417/0 | Coprimozzo Grigio |
| 6 | 112523060/0 | Rondella |
| 7 | 112155000/0 | Dado |
| Coltello (Lama) Pag.6 | ||
| 1 | 122463012/1 | Mozzo To 31-August-2008 |
| 1 | 122463012/2 | Mozzo, Albero Motore Ø 22.2 From 01-September-2008 |
| 2 | 181004346/2 | Lama Sinistra To 31-August-2008 |
| 2 | 181004346/3 | Lama Sinistra Mulching From 01-September-2008 |
| 2 | 181004397/0 | Coltello Alettato |
| 3 | 122160400/0 | Disco Elastico |
| 4 | 112523080/0 | Rondella |
| 5 | 112735698/0 | Vite |
| 6 | 112139100/0 | Linguetta |
| 7 | 112691100/0 | Vite |
| 8 | 112154210/0 | Dado |
| Sacco Di Raccolta Pag.7 | ||
| 1 | 181007302/2 | Parasassi Nero |
| 2 | 122450420/1 | Molla Sinistra |
| 3 | 122517906/1 | Perno Fulcro |
| 4 | 122450410/1 | Molla Destra |
| 5 | 112000930/0 | Anello Benzing |
| 6 | 122486076/0 | Sacco, Parte Superiore |
| 7 | 122486077/0 | Sacco, Parte Inferiore |
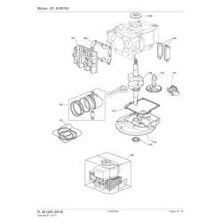
| Motore - ST. SV150 Pag.8 | ||
| 1 | 118550139/1 | Ass. Capottina Avviamento |
| 2 | 118550052/0 | Impugnatura Avviamento |
| 3 | 118550053/0 | Fune Avviamento |
| 4 | 118550004/1 | Kit Agganci Avviatore |
| 5 | 118550138/0 | Deflettore |
| 6 | 118550056/0 | Dado |
| 7 | 118550140/0 | Coppa Avviamento |
| 8 | 118550154/0 | Ventola Volano |
| 9 | 118550197/0 | Linguetta Volano |
| 10 | 118550005/0 | Tubo Carburante |
| 11 | 118550142/0 | Dotazione Viteria |
| 12 | 118550007/0 | Dado |
| 13 | 118550143/0 | Serbatoio Benzina |
| 14 | 118550001/0 | Tappo Serbatoio |
| 15 | 118550141/0 | Filtro Carburante |
| 16 | 112791400/0 | Vite |
| 17 | 118550008/0 | Ass. Tubo Livello Olio |
| 18 | 118550133/0 | Coperchio Filtro Aria |
| 19 | 118550011/0 | Elemento Filtrante |
| 20 | 118550010/0 | Vite |
| 21 | 118550125/1 | Base Filtro Aria |
| 22 | 118550013/0 | Tubo Sfiato |
| 23 | 118550148/0 | Carburatore |
| 24 | 118550019/0 | Kit Guranizioni Carburatore |
| 25 | 118550017/0 | Tirante |
| 26 | 118550149/0 | Tirante Carburatore |
| 28 | 118550129/0 | Collettore Aspirazione |
| 29 | 118550021/0 | Freno |
| 30 | 118550151/0 | Molla Regolatore |
| 31 | 118550150/0 | Molla |
| 32 | 118550152/0 | Staffa Fissaggio Cavo Acceleratore |
| 33 | 118550023/0 | Vite |
| 34 | 118550022/0 | Fermaglio Cavo |
| 35 | 118550126/0 | Bobina Accensione |
| 36 | 118550127/0 | Cappuccio Candela |
| 37 | 118550071/0 | Terminal-Spark Plug 2006 |
| 38 | 118550134/0 | Candela (Qj19Lm) |
| 39 | 118550128/0 | Vite |
| 44 | 118550027/0 | Prigioniero |
| 45 | 118550028/0 | Guarnizione Silenziatore |
| 46 | 118550030/0 | Distanziale |
| 47 | 118550031/1 | Silenziatore |
| 48 | 118550032/0 | Dado |
| 49 | 118550033/0 | Protezione Silenziatore |
| 71 | 322055436/0 | Capottina Nera |
| 72 | 322055437/0 | Capottina Nera |
| 101 | 118550360/0 | Ass. Testa Cilindro |
| 102 | 118550359/0 | Ass. Guarnizioni Testa Cilindro |
| 105 | 118550131/0 | Anello Di Tenuta |
| 106 | 118550364/0 | Ass. Guarnizione Sfiato Olio |
| 108 | 118550361/0 | Albero Motore |
| 110 | 118550357/0 | Ass. Pistone |
| 112 | 118550356/0 | Albero Camme |
| 113 | 118550363/0 | Ass. Regolatore |
| 114 | 118550130/0 | Guarnizione Carter Motore |
| 115 | 118550362/0 | Ass. Carter Motore |
| 116 | 118550131/0 | Anello Di Tenuta |
| 117 | 118550358/0 | Ass. Fasce Elastiche |
| 150 | 118550157/1 | Motore M150 Assemblato |
Scheda tecnica
Potrebbe anche piacerti