
(modificale nel modulo Rassicurazioni cliente)
(modificale nel modulo Rassicurazioni cliente)
(modificale nel modulo Rassicurazioni cliente)
Siamo Distributori di Ricambi originali ALPINA e centro di assistenza autorizzato. Garantiamo prezzi bassi e un servizio di riparazione professionale in grado di consigliarti l'acquisto del ricambio più adatto a risolvere rapidamente ogni problema di manutenzione e riparazione del Rasaerba BL 420 EP/294420064/A19-2019.
Nella tabella seguente, cercate il modello del Rasaerba ed il rispettivo codice del ricambio.![]()
| Chassis E Regolazione Altezza di Taglio Pag.1 | ||
| Pos. | Codice | Descrizione |
| 2 | 322785387/0 | Supporto Ruota |
| 2 | 322785450/0 | Supporto Ruota |
| 3 | 322686105/0 | Ruota |
| 4 | 322110637/0 | Coprimozzo Grigio |
| 5 | 112604903/0 | Rondella |
| 6 | 122033427/0 | Asse Ruote Posteriore |
| 7 | 322545142/0 | Piastrina |
| 8 | 112728714/0 | Vite |
| 9 | 322785388/0 | Leva Regolazione Altezza |
| 9 | 322785388/1 | Leva Regolazione Altezza |
| 9 | 322785443/0 | Leva Regolazione Altezza |
| 9 | 322785443/1 | Leva Regolazione Altezza |
| 10 | 322524354/0 | Perno |
| 11 | 122446195/0 | Molla |
| 12 | 322869680/0 | Asta Comando Regolazione Altezza |
| 12 | 322869690/0 | Asta Comando Regolazione Altezza from 01-September-2014 |
| 13 | 322785415/0 | Piastrina |
| 14 | 122033426/0 | Asse Ruote Posteriore |
| 15 | 322785386/0 | Supporto Ruota |
| 15 | 322785438/0 | Supporto Ruota |
| 16 | 322686104/0 | Ruota |
| 17 | 322110685/0 | Coprimozzo Grigio |
| 18 | 322785385/0 | Supporto Ruota |
| 18 | 322785449/0 | Supporto Ruota |
| Chassis Pag.2 | ||
| 1 | 322055168/0 | Piastra Anteriore |
| 1 | 322055252/0 | Piastra Anteriore |
| 2 | 322055162/0 | Capottina Rossa |
| 2 | 322055209/0 | Capottina Rossa |
| 2 | 322055216/0 | Capottina Nera |
| 2 | 322055217/0 | Capottina Rossa |
| 3 | 112728714/0 | Vite |
| 4 | 322393661/0 | Capottina |
| 4 | 322393661/1 | Capottina |
| 4 | 322393726/0 | Capottina |
| 5 | 322393668/0 | Maniglia |
| 5 | 322393725/0 | Maniglia |
| 6 | 122450470/0 | Molla |
| 7 | 322524356/0 | Perno |
| 8 | 322600236/0 | Parasassi |
| 8 | 322600292/0 | Parasassi |
| 9 | 322486301/0 | Sacco, Parte Inferiore Dx |
| 9 | 322486406/0 | Sacco, Parte Inferiore Dx |
| 10 | 322486302/0 | Sacco, Parte Inferiore Sx |
| 10 | 322486405/0 | Sacco, Parte Inferiore Sx |
| 11 | 322486330/0 | Sacco, Parte Superiore Nero |
| 16 | 322140243/0 | Tappo Mulching |
| 17 | 322393676/0 | Protezione Motore |
| 18 | 322393670/0 | Copertura Motore Destra |
| 19 | 322393671/0 | Copertura Motore Sinistra |
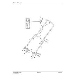
| Manico, Parte Superiore Pag.3 | ||
| CE | 381600547/2 | Salvamotore CE |
| UK | 381600548/2 | Salvamotore UK |
| 1 | 381007516/0 | Manico, Parte Superiore |
| 2 | 322195101/4 | Fermacavo |
| 3 | 112728701/0 | Vite |
| 4 | 381600547/0 | Salvamotore CE |
| 4 | 381600547/1 | Salvamotore CE |
| 4 | 381600547/2 | Salvamotore CE |
| 5 | 122192000/1 | Fascetta |
| 6 | 122192151/0 | Fascetta |
| 7 | 122943016/0 | Vite |
| 8 | 118566112/0 | Puntale In Polietiletilene |
| 9 | 112523050/0 | Rondella |
| 10 | 122399900/0 | Manopola |
| 11 | 112154521/0 | Dado |
| 12 | 381007517/0 | Manico, Parte Inf Dx |
| 13 | 381007518/0 | Manico, Parte Inferiore Sx |
| 14 | 322246102/0 | Giunto |
| 15 | 122430210/0 | Cuscinetto |
| 16 | 322745055/0 | Giunto Destro |
| 17 | 112728714/0 | Vite |
| 18 | 122943017/0 | Vite |
| 19 | 322745056/0 | Giunto Sinistro |
| 20 | 112521320/0 | Rondella |
| 21 | 322319529/0 | Leva Salvamotore |
| Motore Elettrico/Coltello (Lama) Pag.4 | ||
| 1 | 112728699/0 | Vite |
| 3 | 112523020/0 | Rondella |
| 4 | 118563697/0 | Motore Elettrico 1800W |
| 4 | 118563697/1 | Motore Elettrico 1800W |
| 5 | 322465644/0 | Mozzo |
| 5 | 322465644/1 | Mozzo |
| 6 | 181004155/0 | Lama |
| 6 | 181004161/0 | Lama |
| 7 | 381004352/1 | Vite |
| 9 | 118810092/0 | Cinghia |
Scheda tecnica
Potrebbe anche piacerti