
(modificale nel modulo Rassicurazioni cliente)
(modificale nel modulo Rassicurazioni cliente)
(modificale nel modulo Rassicurazioni cliente)
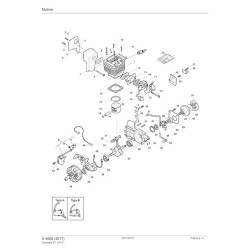
Ripara la tua Motosega A 4000 (2017) 228216000/10, tutti i pezzi di ricambio sono fornibili a prezzi scontati per la spedizione. I nostri ricambi sono ricambi originali e sono dotati di una garanzia completa.
Nella tabella seguente, cercate il modello della Motosega a Scoppio ed il rispettivo codice del ricambio.
| ALPINA A 4000 (2017) 228216000/10 pag.1 | ||
| Pos. | Codice | Descrizione |
| 1 | 118800267/0 | Ass. Cilindro |
| 2 | 2432040 | Dado |
| 3 | 112581500/0 | Grower |
| 4 | 2312090 | Rondella |
| 5 | 123878022/0 | Vite |
| 6 | 118800243/0 | Piastra |
| 7 | 118550582/0 | Silenziatore |
| 8 | 118550583/0 | Guarnizione Silenziatore |
| 9 | 118550584/0 | Vite |
| 10 | 2135030 | Vite |
| 11 | 3210024 | Candela |
| 12 | 118550585/0 | Guarnizione Collettore Cilindro |
| 13 | 118550586/0 | Collettore Aspirazione |
| 14 | 118550587/0 | Guranizioni Carburatore |
| 15 | 118550588/0 | Guarnizione Base Cilindro |
| 16 | 118800182/0 | Fascia Elastica |
| 17 | 118800244/0 | Spinotto Pistone |
| 18 | 118550590/0 | Fermo Spinotto |
| 19 | 118805102/0 | Assieme Pistone |
| 20 | 118800246/0 | Cuscinetto |
| 21 | 118550591/0 | Gabbia A Rulli |
| 22 | 118800247/0 | Albero Motore |
| 23 | 123072005/0 | Linguetta Volano |
| 24 | 118800248/0 | Carter Motore, Lato Avviatore |
| 25 | 3112030 | Cuscinetto A Sfere |
| 26 | 118800249/0 | Guarnizione Carter |
| 27 | 118800250/0 | Carter Motore, Lato Frizione |
| 29 | 118550592/0 | Anello Di Tenuta |
| 30 | 2135050 | Vite |
| 31 | 118550593/0 | Vite |
| 34 | 118550596/0 | Arpione |
| 35 | 2135180 | Vite |
| 36 | 118550597/0 | Fermacatena |
| 37 | 118800251/0 | Vite |
| 38 | 118550598/0 | Lamierino Base Barra |
| 39 | 123878020/0 | Vite |
| 40 | 118550599/0 | Anello Di Tenuta |
| 41 | 118550600/0 | Bobina Analogica Type B |
| 41 | 118804679/0 | Bobina Digitale Type A |
| 42 | 123878021/0 | Vite |
| 43 | 2321050 | Rondella |
| 44 | 118550601/0 | Cavo Massa |
| 45 | 123120004/0 | Dado |
| 46 | 118550602/0 | Ass. Volano Magnete With Type B ignition |
| 46 | 118804678/0 | Ass. Volano Magnete With Type A ignition |
| 51 | 118550603/0 | Ass. Frizione |
| 55 | 118800252/0 | Rasamento Campana |
| 56 | 118550604/0 | Ass. Campana Frizione |
| 57 | 118550605/0 | Gabbia A Rulli |
| 58 | 118550606/0 | Vite Senza Fine |
| 59 | 118800253/0 | Coperchio Pompa Olio |
| 60 | 118550607/0 | Ass. Pompa Olio |
| 61 | 118800254/0 | Tubo |
| 62 | 118550608/0 | Rondella |
| 63 | 118800255/0 | Tubo Pescante Olio |
| 65 | 118800256/0 | Raccordo |
| 66 | 118550609/0 | Ass. Filtro Olio |
| 67 | 118802952/0 | Ugello Mandata Olio |
| 70 | 8724091 | Kit Membrane-Guarnizioni Carb. |
| 71 | 118800210/0 | Carburatore |
| 72 | 118800211/0 | Collettore Aspirazione |
| 73 | 118800212/0 | Vite |
| 74 | 118804231/0 | Primer |
| 75 | 118800204/0 | Tubo Pescante |
| 76 | 3657050 | Molla Attacco Candela |
| 77 | 3748880 | Cappuccio Candela |
| ALPINA A 4000 (2017) 228216000/10 pag.2 | ||
| 1 | 118800183/0 | Ass. Carter Frizione Nero |
| 2 | 123878017/0 | Vite |
| 3 | 123044213/0 | Boccola |
| 4 | 123044214/0 | Boccola |
| 5 | 118800184/0 | Paramano |
| 6 | 118800748/0 | Contrappeso |
| 7 | 123430572/0 | Molla |
| 8 | 118800747/0 | Molla |
| 9 | 123657007/0 | Rondella |
| 10 | 112154320/0 | Dado |
| 11 | 323670001/0 | Piastrina |
| 12 | 118800745/0 | Molla |
| 13 | 118800257/0 | Lamierino Base Barra |
| 14 | 123753001/0 | Spina |
| 15 | 383315051/0 | Leva Sgancio Freno |
| 17 | 123753000/0 | Rullino |
| 18 | 323315067/0 | Leva Aggancio Freno |
| 19 | 118800746/0 | Molla Freno |
| 20 | 118800185/0 | Nastro Freno |
| 21 | 123878023/0 | Vite |
| 22 | 323109525/0 | Coperchio Molla Freno |
| 25 | 118800186/0 | Dado |
| 26 | 118800187/0 | Dado |
| 27 | 118800258/0 | Rondella |
| 28 | 118800259/0 | Coprifiltro Giallo |
| 29 | 118800188/0 | Filtro Aria |
| 30 | 118800261/0 | Copricilindro Giallo |
| 31 | 118800742/0 | Gommino |
| 34 | 118800189/0 | Vite |
| 35 | 118800263/0 | Gommino |
| 37 | 118800264/0 | Gommino Leva Aria |
| 38 | 118800190/0 | Asta Acceleratore |
| 40 | 118800191/0 | Ass. Avviatore Nero |
| 44 | 118800192/0 | Puleggia Avviamento |
| 46 | 118800278/0 | Molla Avviamento |
| 47 | 118800193/0 | Impugnatura Avviamento |
| 50 | 123878025/0 | Vite |
| 51 | 118800266/0 | Gommino Antivibrante |
| 52 | 123878022/0 | Vite |
| 53 | 118800194/0 | Gommino Antivibrante |
| 54 | 118800195/0 | Tappo Per Gommino Antivibrante |
| 55 | 118800196/0 | Molla |
| 56 | 118800197/0 | Impugnatura-Corrimano |
| 59 | 323208402/0 | Piastrina |
| 60 | 118800198/0 | Ass. Valvola Sfiato |
| 64 | 118800744/0 | Gommino |
| 65 | 112728124/0 | Vite |
| 66 | 118800255/0 | Tubo Pescante Olio |
| 67 | 118800214/0 | Filtro Carburante |
| 68 | 118800200/0 | Ass. Impugnatura |
| 69 | 118800201/0 | Molla |
| 72 | 118800199/0 | Filtro Carburante |
| 76 | 118800202/0 | Interruttore |
| 79 | 118800205/0 | Leva Di Sicurezza |
| 80 | 118800206/0 | Molla |
| 81 | 118800207/0 | Leva Acceleratore |
| 82 | 118800208/0 | Molla |
| 83 | 118800209/0 | Coperchio Impugnatura |
| 88 | 118800213/0 | Cavo Di Stop |
| 91 | 118800215/0 | Ass. Tappo Miscela |
| 92 | 118800216/0 | Ass. Tappo Olio |
| 93 | 118550594/0 | Tassello Tendicatena |
| 94 | 118550595/0 | Vite |
| 95 | 118800128/0 | Barra Guida 16"-3/8"-0,050" |
| 96 | 118801745/0 | Catena 16"-3/8"-0,50"-57E |
Scheda tecnica
Potrebbe anche piacerti