
(modificale nel modulo Rassicurazioni cliente)
(modificale nel modulo Rassicurazioni cliente)
(modificale nel modulo Rassicurazioni cliente)
| Rasaerba Eletrrico AL3 46 E/295487060/A12-2017 | ||
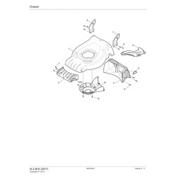
| Chassis Pag.1 | ||
| Pos. | Codice | Descrizione |
| 1 | 381004018/0 | Chassis Rosso |
| 1 | 381004024/0 | Chassis Nero |
| 1 | 381004729/0 | Chassis Grigio |
| 2 | 322108301/0 | Convogliatore Anteriore |
| 2 | 322108301/1 | Convogliatore Anteriore |
| 3 | 112728699/0 | Vite |
| 4 | 322108302/0 | Convogliatore Posteriore |
| 5 | 112728699/0 | Vite |
| 6 | 322545213/0 | Piastrina |
| 7 | 381005139/0 | Staffa Sinistra |
| 8 | 112727801/0 | Vite |
| 9 | 381005137/0 | Staffa Destra |
| 10 | 322060242/0 | Carter Cinghia |
| 11 | 322140239/0 | Mulching Deflector Cruiser |
| 12 | 112728530/0 | Vite |
| Regolazione Altezza di Taglio Pag.2 | ||
| 1 | 322545189/0 | Piastrina |
| 2 | 322735597/0 | Settore Regolazione Altezza Sinistro |
| 2 | 322735597/1 | Settore Regolazione Altezza |
| 3 | 381005141/0 | Supporto Ruota |
| 3 | 381005159/0 | Supporto Ruota |
| 4 | 381003354/0 | Leva Regolazione Altezza |
| 5 | 122519811/0 | Perno |
| 6 | 112521350/0 | Rondella |
| 7 | 112155000/0 | Dado |
| 8 | 322545211/0 | Piastrina |
| 9 | 322735595/0 | Settore Regolazione Altezza Destro |
| 9 | 322735595/1 | Settore Regolazione Altezza |
| 10 | 381005143/0 | Supporto Ruota |
| 10 | 381005161/0 | Supporto Ruota |
| 11 | 381003442/0 | Leva Regolazione Altezza |
| 12 | 322600247/0 | Protezione Ruota |
| Mascherina Pag.3 | ||
| 1 | 322226170/0 | Mascherina, Nero |
| 2 | 112728698/0 | Vite |
| Manico, Parte Inf Pag.4 | ||
| 1 | 381006735/0 | Manico, Parte Inferiore |
| 2 | 112819110/0 | Vite |
| 2 | 112819120/0 | Vite |
| 3 | 112523060/0 | Rondella |
| 4 | 122399900/0 | Manopola |
| 5 | 112293200/0 | Dado |
| 6 | 322551582/0 | Piastrina Isolamento |
| 7 | 112819110/0 | Vite |
| 8 | 112523060/0 | Rondella |
| 9 | 122399900/0 | Manopola |
| 10 | 112293200/0 | Dado |
| 11 | 112155000/0 | Dado |
| 12 | 112521350/0 | Rondella |
| 13 | 112521350/0 | Rondella |
| 14 | 112793701/0 | Vite |
| 15 | 381008698/0 | Dotazione Viteria |
| Manico, Parte Sup Pag.5 | ||
| CE | 381600547/2 | Salvamotore CE |
| UK | 381600548/2 | Salvamotore UK |
| 1 | 381007017/2 | Manico, Parte Superiore |
| 2 | 122192000/1 | Fascetta |
| 3 | 381600547/2 | Salvamotore CE |
| 4 | 112728701/0 | Vite |
| 7 | 322230350/2 | Fulcro |
| 8 | 122450115/0 | Molla |
| 9 | 322785144/1 | Supporto |
| 10 | 322322881/1 | Leva Freno Motore, Nero |
| Ruote e Coprimozzi Pag.6 | ||
| 1 | 381007448/0 | Ruota |
| 1 | 381007448/1 | Ruota - Short Lungo |
| 2 | 119216035/0 | Cuscinetto |
| 3 | 322110687/0 | Coprimozzo Grigio |
| 5 | 381007449/0 | Ruota |
| 5 | 381007449/1 | Ruota |
| 6 | 119216035/0 | Cuscinetto |
| 9 | 322110689/0 | Coprimozzo Grigio |
| Motore Elettrico/Coltello (Lama) Pag.7 | ||
| 1 | 122055058/0 | Capottina Nera |
| 2 | 122785061/0 | Supporto Capottina |
| 2 | 322785061/1 | Supporto Capottina |
| 3 | 112728710/0 | Vite |
| 4 | 118563009/0 | Motore Rst 1600W 220/230V 50Hz |
| 4 | 118563047/2 | Motore Elettrico 1600W |
| 4 | 118563605/0 | Motore Elettrico 1600W |
| 4 | 118563665/0 | Motore Elettrico 1600W |
| 4 | 18563061/2 | Motore Hlt |
| 5 | 118740049/0 | Fan |
| 5 | 118740051/0 | Fan |
| 5 | 118740054/0 | Ventola Per Motore Atb |
| 6 | 118222038/0 | Condensatore |
| 6 | 118222045/0 | Condensatore 16 μf |
| 7 | 112735410/0 | Vite |
| 8 | 112583500/0 | Grower |
| 9 | 112293200/0 | Dado |
| 10 | 322207211/4 | Flangia Motore |
| 11 | 322720360/2 | Schermo |
| 12 | 112793701/0 | Vite |
| 13 | 112139440/0 | Linguetta |
| 14 | 112728680/0 | Vite |
| 15 | 322463186/3 | Mozzo Coltello |
| 16 | 181004346/3 | Lama |
| 16 | 181004397/0 | Coltello Alettato |
| 16 | 181004460/0 | Lama Mulching |
| 16 | 81004346/2 | Lama |
| 17 | 112583500/0 | Grower |
| 18 | 112793101/0 | Vite |
| 19 | 381004352/0 | Vite |
| 19 | 381004352/1 | Vite |
| Sacco Di Raccolta Pag.8 | ||
| 1 | 322785331/0 | Supporto Fulcro Parasassi Nero |
| 2 | 122450464/0 | Molla |
| 3 | 322109554/0 | Copertura Parasassi, Nero |
| 4 | 112728699/0 | Vite |
| 5 | 322600206/1 | Parasassi Nero |
| 6 | 322393644/0 | Maniglia Sacco Nera |
| 7 | 381486018/0 | Sacco, Parte Superiore Nero |
| 8 | 122608561/0 | Rinforzo Inf |
| 9 | 112728692/0 | Vite |
| 10 | 322545159/0 | Piastrina |
| 11 | 181002318/0 | Sacco, Tela |
Scheda tecnica
Potrebbe anche piacerti