Valex genuine spare parts or replacement parts for to repair Drill Hammer 4035 - 1421399.
Fix Your Power Tool. All Spares are Ready For Quick Delivery. Our Spares are Genuine Parts and Come with a Full Guarantee.
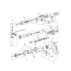
In the following table, look for the model of the Drill and the respective parts of the code.
Drill Hammer 4035 - 1421399
1
HANDLE
3052073
2
FRONT HANDLE
3052074
3
BAFFLE
3052075
4
PLUG TIP
5951269
5
CYLINDER ASSY
5951270
6
ROTATION ASSY
5951271
7
LEVER
5951272
8
FRONT CARTER
3052076
9
ROTOR
7400550
10
ARMATURE
7400551
11
BRUSH HOLDER
3052083
12
CARBON BRUSH 7,9X4,9X18,7
7400553
13
BEARING HOLDER
3052077
14
SWITCH
7400549
15
STOP ROTAION
5951279
16
LAMELLE
5951330
All product specifications in this catalog are based on information taken from official sources, including the official manufacturer’s Valex websites, which we consider as reliable. Unfortunately, even the official documents may contain mistakes and printing errors – we are not able to confirm that all of these data are precise and represent the facts. Most of the manufacturers reserve the right to change the product characteristics or complement without notice. We strongly recommend using the published information as a basic information subject to Valex brand review. Please refine the important parameters by the selling assistant when making a purchase. All content included in this catalog is the intellectual property of www.bricoutensili.com. Any publication or copying (full or partial) without a reference to the source page is prohibited.