- Online only
(modificale nel modulo Rassicurazioni cliente)
(modificale nel modulo Rassicurazioni cliente)
(modificale nel modulo Rassicurazioni cliente)
| Snow Throwers ST 1151 P/18-2860-32-2018 | ||
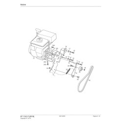
| Engine Pag.1 | ||
| # | Part NUm. | Description |
| 10 | 1811-2887-01 | Engine |
| 11 | 1811-2888-01 | Washer |
| 12 | 1811-2889-01 | Washer |
| 13 | 1811-2890-01 | Screw |
| 14 | 1811-2891-01 | Belt Guide |
| 15 | 1811-2892-01 | Bolt |
| 16 | 1811-2893-01 | Engine Pulley |
| 17 | 1811-2894-01 | Screw |
| 18 | 1811-2895-01 | V-Belt |
| 19 | 1811-2896-01 | Nut |
| 20 | 1811-2897-01 | Ball Bearing |
| 21 | 1811-2898-01 | Tension Arm |
| 22 | 1811-2899-01 | Screw |
| 23 | 1811-2900-01 | Spring |
| 24 | 1811-2901-01 | Nut |
| 25 | 1811-2902-01 | Bolt |
| 260 | 1811-2903-01 | Washer |
| 261 | 1811-2904-01 | Engine Bracket |
| 262 | 9959-0816-16 | Screw |
| 263 | 9959-0820-16 | Screw |
| Frame Pag.2 | ||
| 25 | 1811-2905-02 | Handle-lower |
| 26 | 1811-2906-01 | Screw |
| 27 | 1811-2907-01 | Washer |
| 28 | 1811-2908-02 | Cover |
| 30 | 1811-2909-01 | Rivet |
| 31 | 1811-2910-01 | Cover-side |
| 32 | 1811-2911-01 | Nut |
| 37 | 1811-2912-01 | Seal Strip |
| 38 | 1811-2913-01 | Seal |
| 39 | 1811-2914-11 | Clips |
| 40 | 1811-2915-11 | Clips |
| 41 | 9747-0631-02 | Lock Nut |
| 42 | 9997-0512-16 | Screw |
| 44 | 1811-2916-01 | Screw |
| 45 | 1811-2917-01 | Washer |
| 46 | 1811-2918-02 | Cover |
| 47 | 1811-2919-01 | Screw |
| Auger Housing Pag.3 | ||
| 48 | 1811-2920-01 | Screw |
| 49 | 1811-2907-01 | Washer |
| 50 | 1811-2921-01 | Bearing Flange |
| 51 | 1811-2911-01 | Nut |
| 52 | 1811-2922-01 | Nut |
| 53 | 1811-2923-01 | Auger Housing |
| 54 | 1811-2924-01 | Screw |
| 55 | 1811-2925-01 | Bracket |
| 56 | 1811-2926-01 | Bearing |
| 57 | 1811-2927-01 | Bearing Flange |
| 58 | 1811-2928-01 | Pulley |
| 59 | 1811-2929-01 | Pulley |
| 60 | 1811-2930-01 | Rivet |
| 61 | 1811-2931-01 | Support |
| 62 | 1811-2932-01 | Auger |
| 63 | 1811-2933-01 | Rivet |
| 64 | 1811-2934-01 | Bracket |
| 66 | 1811-2935-01 | Blade-Auger |
| Discharge case Pag.4 | ||
| 67 | 1811-2936-01 | Nut |
| 68 | 1811-2888-01 | Washer |
| 69 | 1811-2937-02 | S.P. |
| 70 | 1811-2938-01 | Stay |
| 71 | 1811-2939-01 | Knob |
| 73 | 1811-2940-02 | S.P. |
| 74 | 1811-2922-01 | Nut |
| 75 | 1811-2919-01 | Screw |
| 76 | 1811-2940-01 | Screw |
| 77 | 1811-2941-01 | Guide |
| 78 | 1811-2942-01 | Chute Ring |
| 79 | 1811-2943-01 | Screw |
| 80 | 1811-2944-01 | Screw |
| Wheel Pag.5 | ||
| 81 | 1811-2945-01 | Circlip |
| 82 | 1811-2946-01 | Washer |
| 83 | 1811-2947-01 | Wheel |
| 84 | 1811-2948-01 | Side Frame-Rh |
| 85 | 1811-2949-01 | Washer |
| 86 | 1811-2950-01 | Nut |
| 87 | 1811-2916-01 | Screw |
| 88 | 1811-2907-01 | Washer |
| 90 | 1811-2911-01 | Nut |
| 91 | 1811-2951-01 | Side Frame-Lh |
| 92 | 1811-2952-01 | Wheel Shaft |
| 93 | 1811-2953-01 | Support |
| 125 | 1811-2954-01 | Ball Bearing |
| 126 | 1811-2955-01 | Hub cap |
| Handle Pag.6 | ||
| 93 | 1811-2905-02 | Handle-lower |
| 94 | 1811-2956-01 | Nut |
| 95 | 1811-2939-01 | Knob |
| 96 | 1811-2957-01 | Washer |
| 97 | 1811-2958-01 | Handle, Upper Part |
| 98 | 1811-2959-01 | Bolt |
| 99 | 1811-2960-01 | Control Handle, Upper |
| 100 | 1811-2961-01 | Control Cable |
| 101 | 1811-2962-01 | Cover |
| 102 | 1811-2963-01 | Bracket |
| 103 | 1811-2964-01 | Spring |
| 104 | 1811-2965-01 | Control Cable |
| 105 | 1811-2966-01 | Bolt |
| 106 | 1811-2967-01 | Linhjul |
| 107 | 1811-2968-01 | Pulley |
| 108 | 1811-2911-01 | Nut |
| Chute rotation Pag.7 | ||
| 109 | 1811-2969-01 | Screw |
| 110 | 1811-2970-01 | Cotter Pin |
| 111 | 1811-2971-01 | Washer |
| 112 | 1811-2972-01 | Washer |
| 113 | 1811-2973-01 | Bracket |
| 114 | 1811-2888-01 | Washer |
| 115 | 1811-2889-01 | Washer |
| 116 | 1811-2956-01 | Nut |
| 117 | 1811-2974-01 | Rod |
| 118 | 1811-2971-01 | Washer |
| 119 | 1811-2975-01 | Knob |
| 120 | 1811-2976-01 | Nut |
| 121 | 1811-2977-01 | Grommet |
| 122 | 1811-2978-01 | Eye bolt |
| 123 | 1811-2979-01 | Washer |
| 124 | 1811-2980-01 | Nut |
Data sheet