
(modificale nel modulo Rassicurazioni cliente)
(modificale nel modulo Rassicurazioni cliente)
(modificale nel modulo Rassicurazioni cliente)
Stiga original spare parts for to replace broken parts or to fix Brushcutter SBC 232 287220002/16 - Season 2017.
In the following table, look for the model of the Brushcutter and the respective parts of the code.
| SBC 232 287220002/16 - Season 2017 - Engine Pag.1 | ||
| # | Part Num. | Description |
| 1 | 118804038/0 | Screw |
| 2 | 118804045/0 | Washer |
| 3 | 118804000/0 | Clutch |
| 4 | 118804046/0 | Washer |
| 5 | 112789008/0 | Screw |
| 6 | 118804032/0 | Flywheel cover |
| 8 | 112293200/0 | Nut |
| 9 | 112369500/0 | Elastic Washer |
| 10 | 112521350/0 | Washer |
| 11 | 118804012/0 | Flywheel |
| 12 | 118804011/0 | Electronic Ignition Coil Ass'y |
| 13 | 2135130 | Screw |
| 14 | 118804024/0 | Crankcase, Clutch Side |
| 15 | 118804003/0 | Fuel Tank Assy |
| 16 | 118803961/0 | Support |
| 17 | 118801188/0 | Seal ring |
| 18 | 3112030 | Ball bearing |
| 19 | 118803988/0 | Crankshaft |
| 20 | 123072002/0 | Flywheel key |
| 21 | 118804076/0 | Crankcase Gasket |
| 22 | 118804026/0 | Crank Case, starter side |
| 23 | 118803996/0 | Starter Cup |
| 24 | 118804051/0 | gasket |
| 25 | 118803994/0 | Starter Assy |
| 26 | 118803997/0 | Needle Bearing |
| 27 | 118804059/0 | Circlip |
| 28 | 118804041/0 | Piston pin |
| 29 | 118804031/0 | Piston |
| 30 | 118804021/0 | Piston Ring |
| 31 | 118804077/0 | Cylinder gasket |
| 32 | 118804030/0 | Cylinder |
| 33 | 3210024 | Spark Plug |
| 34 | 118803969/0 | Head Cover Yellow Cylinder |
| 35 | 118804084/0 | Muffler gasket |
| 36 | 118803991/0 | Muffle |
| 37 | 118804047/0 | Muffle Guard |
| 38 | 2135180 | Screw |
| 39 | 112521320/0 | Washer |
| 40 | 112581500/0 | Grower |
| 41 | 6981283 | Outfit, Screws |
| 42 | 118804053/0 | Intake Manifold Gasket |
| 43 | 112727796/0 | Screw |
| 44 | 2135120 | Screw |
| 45 | 118804078/0 | Gasket |
| 46 | 118804067/0 | Intake Manifold |
| 47 | 6981102 | Outfit, Screws |
| 48 | 118804082/0 | Carburetor Gasket |
| 49 | 118804007/0 | Carburetor |
| 50 | 118804063/0 | Air Cleaner Base |
| 51 | 2135250 | Screw |
| 52 | 118803174/0 | Knob Gray |
| 53 | 118804074/0 | Air filter |
| 54 | 118803968/0 | Yellow filter cover |
| 55 | 112760475/0 | Screw |
| 56 | 6981268 | Screw |
| 57 | 112727356/0 | Screw |
| 58 | 118804086/0 | Air Guide |
| 59 | 112727810/0 | Screw |
| 60 | 118803163/0 | Spark Plug cap |
| 61 | 322735152/0 | Oil cap |
| 62 | 118804006/0 | Fuel Hose |
| 63 | 112727790/0 | Screw |
| 64 | 112523020/0 | Washer |
| 65 | 118803975/0 | Starter Cam |
| 66 | 118804061/0 | Starter Spring |
| 67 | 118803976/0 | Starter Pulley |
| 68 | 118803181/0 | Starter cord |
| 69 | 118804060/0 | Spring |
| 70 | 118804068/0 | rope Guide |
| 71 | 118803984/0 | Starter Handle |
| 72 | 118804069/0 | Yellow Starter plate |
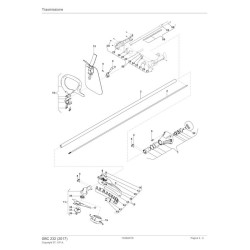
| SBC 232 287220002/16 - Season 2017 - Trasmission Pag.2 | ||
| 1 | 118804001/0 | Support Transmission Assy |
| 2 | 118804042/0 | Drive shaft |
| 3 | 118803959/0 | Transmission Pipe |
| 4 | 6981145 | Screw |
| 5 | 2132180 | Screw |
| 6 | 112727801/0 | Screw |
| 8 | 118804057/0 | Harness support |
| 9 | 2135180 | Screw |
| 10 | 118803955/0 | Yellow Handgrip Front Assy |
| 11 | 118801184/0 | Gear case Assy |
| 12 | 118804054/0 | Plastic Protection Guard Plate |
| 14 | 2132180 | Screw |
| 15 | 118803954/0 | Safety cover Assy |
| 16 | 118801124/0 | 2 Hedges Nylon head |
| 17 | 118801125/0 | 3 Teeth Disk |
| 19 | 118804016/0 | Harness |
| 20 | 118804037/0 | Clutch Drum |
| 21 | 118803966/0 | Yellow Left Handgrip |
| 22 | 118803972/0 | Yellow Right Handgrip |
| 23 | 118803149/0 | Switch |
| 24 | 118803147/0 | Switch |
| 25 | 118803150/0 | ThrottleLever, Yellow |
| 26 | 118803146/0 | Clamp |
| 28 | 118803151/0 | Spring |
| 29 | 118803148/0 | Spring |
| 30 | 112727810/0 | Screw |
| 31 | 112726388/0 | Screw |
| 32 | 118804014/0 | Switch |
| 33 | 118803985/0 | Throttle cable |
| 34 | 118803155/0 | Stop Wire |
| 36 | 2452090 | Nut |
| 37 | 118803206/0 | Case Dust cover |
| 38 | 118803205/0 | Lower Ring Nut |
| 39 | 118803204/0 | Upper ring Nut |
| 41 | 112727815/0 | Screw |
| 42 | 118803202/0 | Support |
| 43 | 118804056/0 | Line Cutter Blade |
| 44 | 6981149 | Screw |
| 45 | 112728531/0 | Screw |
| 46 | 118804058/0 | Guard |
| 55 | 118804956/0 | Handgrip, Yellow Assy |
| 56 | 118804957/0 | Assembly Wire |
Data sheet
You might also like