(modificale nel modulo Rassicurazioni cliente)
(modificale nel modulo Rassicurazioni cliente)
(modificale nel modulo Rassicurazioni cliente)
We have the original Spares RURMEC for Mixer EV14 the diagram, parts list and tool repair that help you need to get your tools running like new again.
Fix Your Mixer EV14. All Spares are original and can be supplied at Low and discounted prices For Shipping. Our Spares are Genuine Parts and Come with a Full Guarantee.
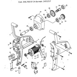
In the following table, look for the model of the Mixer and the respective parts of the code.![]()
| Mixer EV 14 | ||
| # | Part Num. | Description |
| 1 | 360.001.2 | MOTOR ASS'Y |
| 2 | 360.002 | CARBON BRUSH EV 14 |
| 3 | 360.003.1 | CASING MOTOR EV 14 |
| 4 | 360.004 | CAP EV12 - EV14 |
| 5 | 360.005 | NUT SQUARE EV12 - EV14 |
| 6 | 360.006 | BALL BEARING 626 2RSL EV14 |
| 7 | 360.007 | BALL BEARING 608 2Z EV14 |
| 8 | 360.008 | SCREW EV12 - EV14 |
| 9 | 360.009 | LEAD EV12 - EV14 |
| 10 | 360.010 | SWITCH EV12 - EV14 |
| 11 | 360.011.1 | CAPACITOR SUPPRESSOR EV14 |
| 12 | 337.001 | POWER CABLE EVP20 / 23 |
| 13 | 360.013.1 | SCREW CABLE CLAMP EV 14 |
| 14 | 360.014 | CABLE CLAMP EV12 - EV14 |
| 15 | 331.626 | CABLE |
| 16 | 360.016 | WASHER 4.3 |
| 17 | 360.017 | 2,9X9,5 SCREW |
| 18 | 360.018.1 | GEAR BOX EV 14 |
| 19 | 360.019 | SCREW M 5X20 EV12 - EV14 |
| 20 | 360.020 | SHAFT EV12 - EV14 |
| 22 | 360.022 | WASHER EV 12 - EV14 |
| 23 | 360.023.1 | WHEEL SHAFT EV 14 |
| 24 | 360.024 | INSERT |
| 25 | 332.555 | BEARING HK 0810 |
| 26 | 360.026.1 | WHEEL EV12 - EV14 |
| 27 | 360.027 | PINION EV12 - EV14 |
| 28 | 337.026 | BEARING 6003 2RS |
Data sheet
You might also like