(modificale nel modulo Rassicurazioni cliente)
(modificale nel modulo Rassicurazioni cliente)
(modificale nel modulo Rassicurazioni cliente)
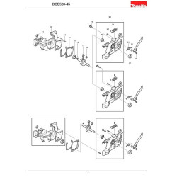
Makita original spare parts for to make maintenance, replacement of damaged parts or repair electrical or mechanical components of the Chainsaw DCS50-45.
In the following table, look for the model of Chainsaw and the respective parts of the code.![]()
| Chainsaw DCS50-45 | ||
| # | Part NUm. | Description |
| 1 | 908005205 | TORX HEAD SCREW M5X20 DCS4630/ |
| 2 | 001142012 | CRAMP DCS430/520/4300I/5200I/ |
| 3 | 965401011 | RUBBER BUSHING DCS330S/390/430 |
| 5 | 965525042 | GASKET |
| 8 | 027132020 | PISTON RING DCS5200I |
| 9 | 001132010 | PISTON |
| 10 | 020132050 | SPRING RING C10X0,8 430/4300I/ |
| 11 | 962900050 | RADIAL RING |
| 12 | 020111631 | CRANKCASE(MAG.) |
| 13 | 936430160 | SPIRAL PIN 3X16 DPC6430/7331/8 |
| 14 | 965525002 | GASKET DCS430/520/4300I/5200I |
| 15 | 960102129 | BALLBEARING 6201 |
| 16 | 939620371 | KEY 2X3,7 430/520/4300I/5200I/ |
| 17 | 027120010 | CRANKSHAFT DCS430/431/4300I/5 |
| 18 | 962211030 | NEEDLE CAGE DCS430/520/4300I/5 |
| 19 | 027213520 | HEX HEAD SCREW DCS430/520/4300 |
| 21 | 027213320 | LEAF SPRING DCS430/520/4300I/5 |
| 22 | 934950160 | CLAMPING SLEEVE |
| 23 | 960102159 | BALL BEARING 6202 C3 DPC6430/7 |
| 24 | 027213270 | SPRING DCS430/520/4300I/5200I |
| 25 | 027213510 | RING DCS430/520/4300I/5200I |
| 26 | 027213500 | SHOULDER NUT DCS430/520/4300I/ |
| 27 | 962900052 | RADIAL RING 15/24X7 DPC6430/73 |
| 29 | 963100051 | GASKET DCS430/520/6000I/6800I |
| 30 | 020173061 | SNOW FILTER |
| 31 | 908605145 | FILLISTER HEAD SCREW DPC6430/7 |
| 32 | 020173612 | COVER FOR PREFILTER |
| 33 | 020173011 | PREFILTER DCS430/520/4300I/520 |
| 34 | 908105204 | COUNTERSUNK SCREW M5X20 |
| 35 | 965401011 | RUBBER BUSHING DCS330S/390/430 |
| 36 | 908005305 | FILLISTER (TORX) SCREW M5X30 D |
| 37 | 923305000 | SQUARE NUT |
| 38 | 020111070 | CRAMP DCS430/520/4300I/5200I |
| 39 | 980113841 | LABEL DCS430/520/4300I/5200I/6 |
| 40 | 957605112 | SHORT CIRCUIT SWITCH ASSY 430/ |
| 42 | 908005095 | FILLISTER HEAD SCREW (TORX) M5 |
| 43 | 389213080 | TENSION SCREW 330S/390/430/5 |
| 44 | 001213020 | NUT WITH PIVOT DCS430/520/4300 |
| 45 | 905808305 | GUDGEON M8X30 430/520/4300I/52 |
| 46 | 020111172 | GUIDE PLATE 430/520/4300I/5200 |
| 48 | 010245010 | AIR VENT VALVE DCS6000I/9010 |
| 49 | 908005125 | TORX HD SCREW M5X12 DPC6430/73 |
| 50 | 020111082 | CHAIN CATCH 430/520/4300I/5200 |
| 51 | 001111011 | SPECIAL SCREW M12X1 430/520/43 |
| 55 | 965403490 | RUBBER BUFFER |
| 56 | 021114051 | FIXING BUSH DCS430/431/4300I/5 |
| 57 | 908005305 | FILLISTER (TORX) SCREW M5X30 D |
| 58 | 913455164 | SELF-CUTTING SCREW 5,5X16 DCS4 |
| 59 | 020310600 | COVER DCS430/520/4300I/5200I |
| 60 | 913455164 | SELF-CUTTING SCREW 5,5X16 DCS4 |
| 63 | 963232045 | PACKING RING DCS430/520/4300I/ |
| 65 | 963601240 | FELT DPC6430/7331/8132/6410/73 |
| 66 | 020117301 | CATCH LEVER DCS430/520/4300I/5 |
| 67 | 957114010 | VENT VALVE DBC3300/4000/9010/4 |
| 68 | 020117160 | BEND SPRING DCS430/520/4300I/5 |
| 69 | 020117301 | CATCH LEVER DCS430/520/4300I/5 |
| 71 | 020117273 | SPRING DCS430/520/4300I/5200I |
| 72 | 965404520 | GASKET DCS430/520/4300I/5200I |
| 73 | 965404460 | FUEL LINE DCS430/520/4300I/520 |
| 74 | 935932320 | CYLINDRICAL PIN DCS430/520/430 |
| 75 | 913447134 | SELF-CUTTING SCREW 4,7X13 DCS4 |
| 76 | 965403282 | RUBBER BUFFER 109/110/111/115 |
| 77 | 908005165 | FILLISTER SCREW(TORX) M5X16 33 |
| 79 | 965402262 | STARTER GRIP DCS6000I/9010 |
| 80 | 020112630 | FAN HOUSING CPL DCS430/520/430 |
| 82 | 020163031 | REWIND SPRING IN HOU DCS430 |
| 84 | 985000155 | STARTER ROPE 100M DCS4630/5030 |
| 85 | 027162070 | CABLE DRUM |
| 86 | 924108400 | DISC 8,4 DCS430/520/4300I/5200 |
| 87 | 929108080 | SAFETY DISC 8X0,8 DCS430/520/4 |
| 88 | 020112010 | AIR DUCT DCS430/520/4300I/5200 |
| 89 | 920308024 | HEX NUT M8 DCS4630/5030/5031/1 |
| 90 | 928308001 | SPRING WASHER 8/17 DCS330S/390 |
| 92 | 965604180 | SPRING DCS330S/390/430/520/430 |
| 94 | 970502050 | INSULATING HOSE M DPC6430/7331 |
| 95 | 970502110 | INSULATING HOSE M DCS4630/5030 |
| 96 | 908605205 | FILLISTER HEAD SCREW DPC6430/7 |
| 100 | 122166020 | SPRING 12,8 DCS430/520/4300I/5 |
| 102 | 001147000 | SHORT CIRCUIT CABLE (DUCATI) 4 |
| 103 | 970310200 | IGNITION CABLE M DPC6430/7331/ |
| 105 | 905005184 | SELF-CUTTING SCREW 5,5X18 DCS |
| 106 | 027213221 | SENGAGING LEVER DCS430/520/4 |
| 107 | 027213462 | HAND GUARD DCS430/431/4300I/52 |
| 108 | 980114237 | LABEL DCS4630/5030/5031/DCS350 |
| 110 | 027213150 | RUBBER BUSH DCS430/520/4300I/5 |
| 111 | 027213161 | BUSH |
| 112 | 908005205 | TORX HEAD SCREW M5X20 DCS4630/ |
| 113 | 923208004 | HEX NUT M8 DPC6430/7331/8132/8 |
| 115 | 027213130 | SHAFT FOR BRAKE LEVER DCS430/5 |
| 116 | 027213140 | SHAFT FOR LEVER DCS430/520/430 |
| 118 | 027213280 | PROTECTION COVER DCS430/520/43 |
| 119 | 027213350 | BRAKE BAND HOLDER DCS430/520/4 |
| 120 | 913205125 | TAPPING LENS SCREW M5X12 DCS43 |
| 121 | 027213050 | BRAKE SPRING WITH LEVER CPL DC |
| 122 | 924500049 | WASHER DCS430/520/4300I/5200I |
| 123 | 913205125 | TAPPING LENS SCREW M5X12 DCS43 |
| 124 | 027213111 | COVER PLATE DCS430/520/4300I/5 |
| 125 | 913205125 | TAPPING LENS SCREW M5X12 DCS43 |
| 126 | 927304000 | CLIP DCS4630/5030/5031/DCS46 |
| 127 | 001111011 | GUIDE PLATE DCS430/520/4300I/5 |
| 129 | 927304000 | CLIP DCS4630/5030/5031/DCS46 |
| 130 | 913205125 | TAPPING LENS SCREW M5X12 DCS43 |
| 131 | 027213120 | SPRING DCS430/520/4300I/5200I |
| 132 | 027213560 | RUBBER PLATE |
| 133 | 020245020 | PRESSURE LINE DCS430/520/4300I |
| 134 | 020245041 | PRESSURE LINE DCS430/520/4300I |
| 136 | 030245070 | REPAIR KIT CPL. DCS6000I/6800I |
| 137 | 027245010 | PUMP DRIVE DCS430/431/4300I/52 |
| 138 | 030245070 | REPAIR KIT CPL. DCS6000I/6800I |
| 139 | 908005125 | TORX HD SCREW M5X12 DPC6430/73 |
| 140 | 930916160 | SPRING RING DPC6430/7331/8132/ |
| 141 | 001245320 | STOP RING |
| 142 | 027245021 | STOP DISC DCS430/431/4300I/520 |
| 143 | 962210025 | NEEDLE CAGE DCS430/520/4300I/5 |
| 144 | 020224070 | RIM SPROCKET .325",T=8 DCS430/ |
| 145 | 027223101 | CLUTCH DRUM |
| 147 | 024184021 | TENSION SPRING DPC6430/7331/81 |
| 148 | 001182060 | GUIDE DISC |
| 151 | 020174170 | HEAT SHIELD |
| 152 | 965522033 | GASKET DCS430/520/4300I/5200I |
| 157 | 908005095 | FILLISTER HEAD SCREW (TORX) M5 |
| 158 | 928405000 | SPRING WASHER DPC6430/7331/813 |
| 159 | 908205625 | FILLISTER HEAD SCREW M5X62 |
| 161 | 001118062 | NUT |
| 162 | 908605145 | FILLISTER HEAD SCREW DPC6430/7 |
| 163 | 020173202 | AIR FILTER CPL (NYLON) DCS430/ |
| 164 | 908005165 | FILLISTER SCREW(TORX) M5X16 33 |
| 165 | 027118154 | HOOD CPL DCS430/520/4300I |
| 166 | 965404780 | GASKETDCS430/431/4300I/520/52 |
| 167 | 908005095 | FILLISTER HEAD SCREW (TORX) M5 |
| 168 | 965525032 | GASKET DCS4320/520/4300I/5200I |
| 169 | 027118054 | BOTTOM |
| 170 | 965404230 | 'PLUG (CARBURETOR HEATING) DCS |
| 171 | 965401024 | RUBBER BUSH DCS430/520/4300I/5 |
| 172 | 965404410 | RUBBER BUSH DCS430/520/4300I/5 |
| 173 | 965404341 | GASKET |
| 174 | 020131043 | INTER MEDIATE FLANGE |
| 175 | 965524022 | GASKET |
| 177 | 027150830 | CHOKE LEVER DCS430/520 |
| 178 | 020118030 | GUIDE PIECE |
| 179 | 908205658 | 'FILLISTER HEAD SCREW M5X65 |
| 180 | 924105300 | 'WASHER 5,3 DCS430/520/4300I/5 |
| 181 | 020171100 | CONNECTING MUFF DCS430/520/430 |
| 182 | 020117281 | THROTTLE LINKAGE CO DCS430/52 |
| 188 | 001151240 | IDLE STOP SCREW (S)DCS430/520 |
| 189 | 021151230 | PRESSURE SPRING (S) DCS330S/35 |
| 190 | 118151190 | FLAT SCREW 103/105/108/DCS3501 |
| 191 | 001151165 | PUMP COVER |
| 193 | 021151150 | PUMP DIAPHR RUBBER DCS430/431/ |
| 194 | 021151180 | SCREEN DPC6430/7331/7132/7311/ |
| 195 | 118151060 | SCREW DCS330S/390/430/520/4510 |
| 196 | 021151320 | THROTTLE SHUTTER DCS430/520 |
| 197 | 001151580 | SLEEVE DCS430/520 |
| 198 | 001151590 | LEVER DCS430/520 |
| 199 | 118151060 | SCREW DCS330S/390/430/520/4510 |
| 200 | 001151600 | CHOKE SHAFT DCS430/520 |
| 201 | 118151020 | SCREW DCS330S/390/430/520/DBC4 |
| 202 | 021151120 | DIAPHRAGMCOVER DCS330S/390/43/ |
| 204 | 957150040 | SET OF CONTROL PIECES 330S/390 |
| 205 | 144150030 | COVER DISC DCS430/520 |
| 206 | 001151260 | CHOKE SHUTTER DCS330S/390/430 |
| 207 | 118151060 | SCREW DCS330S/390/430/520/4510 |
| 208 | 118151170 | FRICTION BALL DPC6430/7331/813 |
| 209 | 118151160 | FRICTION SPRING DPC6430/7331/8 |
| 210 | 021151530 | SPRING (H) DCS330S/390/430/520 |
| 211 | 001151310 | SPRING DCS330S/390/430/520/DCS |
| 212 | 021151480 | SPRING (L) DPC6430/7331/8132/ |
| 213 | 001151301 | THROTTLE SHAFT DCS430/520 |
| 214 | 001151510 | MAIN ADJUSTM. SCREW (H) DCS430 |
| 215 | 001151470 | IDLING ADJUSTM.SCREW (L) 330S/ |
Data sheet
You might also like