(modificale nel modulo Rassicurazioni cliente)
(modificale nel modulo Rassicurazioni cliente)
(modificale nel modulo Rassicurazioni cliente)
Worldwide Distributors and wholesalers. We offer low prices and a professional repair service able to advise you for to buy the most suitable spare part to quickly solve any maintenance and repair issues for Cordless Drill Driver DV18DE.
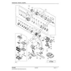
In the following table, look for the model of the Cordless driver drill and theirs spare part.![]()
| HIKOKI CORDLESS IMPACT DRIVER DRILL DV18DE Parts List | ||
| # | Part Num. | Description |
| Pag.1 | ||
| 1 | 379124 | SCREW SX M6 |
| 2 | 335961 | SPINDLE 13VLRU-N |
| 3 | 379096 | GEAR BOX COMPL. INCLUD.4-6.10-36 |
| 4 | 379102 | RING NUT |
| 5 | 327146 | ELASTIC STOP |
| 6 | 379100 | NUT COMPLETE INCLUD.7-9 |
| 7 | 379925 | COVER |
| 8 | 379101 | C-RING |
| 9 | 379114 | ADJUSTMENT NUT |
| 10 | 370607 | SPRING |
| 11 | 370603 | SPRING PLATE |
| 12 | 379099 | SHAFT |
| 13 | 327136 | SPRING C |
| 14 | 339772 | TOOTHED RING |
| 15 | 327147 | WASHER A |
| 16 | 379098 | PAWL |
| 17 | 327133 | PAWL SPRING |
| 18 | 370608 | ARM (NEW) |
| 19 | 379097 | GEAR CASE |
| 20 | 379268 | PIVOT D2.2 |
| 21 | 328717 | WASHER B |
| 22 | 370609 | STOP RING |
| 23 | 319744 | ROLLER |
| 24 | 306936 | STEEL BALL |
| 25 | 379116 | RING GEAR |
| 26 | 379115 | PLANETARY SUPPORT (C) |
| 27 | 379267 | PLANETARY SET (C) (5 PCS) |
| 28 | 379117 | LOCKING PLATE |
| 29 | 379119 | GEAR SLIDING RING |
| 30 | 379118 | PINION (C) |
| 31 | 379269 | PLANE SET (B) (4PCS) |
| 32 | 379120 | PINION (B) |
| 33 | 370614 | GEAR SET (A)(4PCS.) |
| 34 | 370604 | RING GEAR |
| 35 | 379121 | PLATE (B) |
| 36 | 379122 | SPACER |
| 37 | 341137 | FIELD INCLUD.47.48 |
| 38 | 361190 | ARMATURE INCLUD.39 |
| 39 | 379110 | PINION ROTOR |
| 40 | 379104 | GEAR SLIDE |
| 42 | 313687 | |
| 43 | 379108 | REAR COVER |
| 44 | 373041 | SHOCK ABSORBER |
| 45 | 339768 | SELECTOR |
| 46 | 379106 | CASE COMPLETE (A+B) |
| 47 | 379109 | SWITCH |
| 48 | 339769 | CONNECTOR |
| 49 | 379397 | HOOK COMPLETE INCLUD.50.51 |
| 50 | 337357 | M4 SCREW FOR HOOK (BLACK) |
| 51 | 372229 | HOOK |
| 52 | 306952 | GRIP STRAP |
| Accessories Pag.2 | ||
| 502 | 329897 | BATTERY PROTECTION |
| 503 | 379126 | |
| 504 | 379251 | |
| 505 | 379127 | INNER HOUSING |
| 506 | 336471 | CASE ASS'Y (STACKABLE 2) |
| 507 | 336472 | CLIP |
| 508 | 336473 | GRIP |
| 509 | 336474 | PIVOT |
| 510 | 983006 | + DRIVER BIT NO.2 65L |
Data sheet
You might also like