
(modificale nel modulo Rassicurazioni cliente)
(modificale nel modulo Rassicurazioni cliente)
(modificale nel modulo Rassicurazioni cliente)
and original spare parts Worldwide Distributor. We offer low prices and a professional repair service able to advise you for to buy the most suitable spare part to quickly solve any maintenance and repair issues for Lawn Mower PRO 55 ASK3 (2010) 292153328/PRO.
In the following table, look for the model of the Lawn Mower and the respective parts of the code.![]()
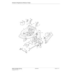
| ALPINA PRO 55 ASK3 (2010) 292153328/PRO pag.1 | ||
| # | Part Num. | Description |
| 1 | 381003543/0 | Chassis-red To 31-August-2010 |
| 1 | 381003543/1 | Red Chassis From 01-September-2010 To 31-August-2013 |
| 1 | 381004744/0 | Chassis Gray From 01-September-2013 |
| 5 | 112728522/0 | Screw |
| 6 | 322060200/0 | Belt Cover Not For BBC Models; To 31-August-2007 |
| 6 | 322060200/1 | Belt Cover Not For BBC Models; From 01-September-2007 |
| 7 | 112731350/0 | Screw |
| 8 | 112523040/0 | Washer |
| 9 | 122034000/0 | Water washing connection |
| 10 | 119035000/0 | O-ring |
| 11 | 112728519/0 | Screw |
| 12 | 322060144/2 | Cover To 31-August-2009 |
| 12 | 322060144/3 | Adjust case From 01-September-2009 |
| 13 | 122570200/0 | Positions plate |
| 14 | 112728520/0 | Screw |
| 15 | 112155000/0 | Nut |
| 17 | 322778397/1 | Left bracket |
| 20 | 322778396/1 | Right bracket |
| 21 | 122601001/0 | Protection |
| 22 | 112155000/0 | Nut |
| 23 | 112793301/0 | Screw |
| 24 | 122595352/0 | Door |
| 25 | 112729600/0 | Screw From 01-September-2014 |
| 25 | 112731350/0 | Screw |
| 26 | 322108205/0 | Conveyor To 31-August-2014 |
| 26 | 322108205/1 | Conveyor From 01-September-2014 |
| 27 | 112789000/0 | Screw |
| 28 | 112523020/0 | Washer |
| 29 | 112154330/0 | Nut |
| 30 | 112731350/0 | Screw |
| 31 | 322545147/0 | plate |
| 33 | 322038407/0 | Bearing bushing |
| 34 | 112731350/0 | Screw |
| 35 | 322545156/0 | plate |
| 36 | 122038400/1 | Bearing bushing |
| 51 | 381002801/1 | Front Wheel Axle To 31-August-2011 |
| 51 | 381002865/1 | Front Wheel Axle From 01-September-2011 To 31-August-2012 |
| 51 | 381302865/0 | Front Wheel Axle From 01-September-2013 |
| 58 | 181001134/0 | Control Command Rod Height ST./Tecumseh/B&S Engine; To 31-August-2011 |
| 58 | 381002040/0 | Height Adjustment Control Rod From 01-September-2011 |
| 59 | 112000930/0 | Benzing ring |
| 61 | 122446187/0 | Spring |
| 62 | 112604899/0 | Crown Fixator |
| 63 | 122529662/0 | Fulcrum |
| 64 | 322672151/0 | Anti-friction washer |
| 65 | 381001269/0 | Rear Wheel Axle © |
| 66 | 381000479/1 | Height Adjust Sector |
| 66 | 381000479/2 | Height Adjust Sector |
| 67 | 322672152/0 | Anti-friction washer |
| 68 | 322785109/0 | Height Adjustment Support |
| 69 | 112155000/0 | Nut |
| 70 | 112793301/0 | Screw |
| 71 | 322785113/0 | Handle support |
| 72 | 112293201/0 | Nut |
| 73 | 112729600/0 | Screw |
| 74 | 112793301/0 | Screw |
| 75 | 125038002/1 | Bushing |
| 76 | 122393611/1 | Handle To 31-August-2009 |
| 76 | 322393611/2 | Handle From 01-September-2009 |
| 78 | 112293201/0 | Nut |
| 79 | 112622640/0 | Plug To 31-August-2018 |
| 79 | 112622640/1 | Pin From 01-September-2018 |
| 80 | 122446175/0 | Spring |
| 171 | 322140224/0 | Mulching deflector To 31-August-2013 |
| 171 | 322140224/1 | Mulching deflector From 01-September-2013 |
| ALPINA PRO 55 ASK3 (2010) 292153328/PRO pag.2 | ||
| 1 | 381006869/1 | Handle, Upper Part Only for Models with B&S IS |
| 1 | 381007028/1 | Handle, Top Black |
| 2 | 112819105/0 | Screw |
| 3 | 122671651/0 | Washer |
| 4 | 322399804/1 | Yellow knob |
| 5 | 112293200/0 | Nut |
| 6 | 122430309/0 | Spring |
| 7 | 112154330/0 | Nut |
| 8 | 181000757/0 | B&S Engine Brake Cable |
| 9 | 181003291/2 | Motor Brake Lever To 31-August-2006 |
| 9 | 181003291/3 | Motor Brake Lever From 01-September-2006 |
| 10 | 122041966/0 | Bushing |
| 11 | 381000670/0 | Traction Control Cable From 01-September-2004 |
| 11 | 381001139/0 | Traction Control Cable From 01-September-2003 To 31-August-2004 |
| 11 | 381001145/0 | Traction Control Cable To 31-August-2003 |
| 12 | 122291050/0 | Black Handle Grip |
| 13 | 181003288/1 | Traction lever |
| 14 | 122041965/0 | Bush To 31-August-2004 |
| 14 | 322041965/1 | Bush From 01-September-2004 |
| 15 | 181007091/0 | Throttle cable B&S Engine / Tecumseh Engine |
| 16 | 122399801/0 | Black Knob |
| 17 | 112726388/0 | Screw |
| 18 | 112290800/0 | Nut |
| 19 | 112728460/0 | Screw |
| 20 | 122943006/0 | Screw |
| 21 | 381008499/1 | Outfit Screws |
| 22 | 422120164/0 | Black dashboard |
| 23 | 114356795/1 | Label |
| 24 | 112788910/0 | Screw |
| 25 | 112523020/0 | Washer |
| 26 | 112581500/0 | Grower |
| 27 | 112291000/0 | Nut |
| 28 | 181007099/0 | Gear Control Cable |
| 29 | 122399802/0 | Yellow knob |
| ALPINA PRO 55 ASK3 (2010) 292153328/PRO pag.3 | ||
| 1 | 112608600/0 | Seeger |
| 2 | 122570120/1 | Ratchet Wheel Left side |
| 3 | 122120105/1 | Corona To 31-August-2016 |
| 3 | 122120105/2 | Corona From 01-September-2016 |
| 4 | 322600091/1 | Wheel Protection To 31-August-2012 |
| 4 | 322600268/0 | Wheel Protection From 01-September-2012 |
| 5 | 122570110/1 | Ratchet Wheel Right side |
| 6 | 112608600/0 | Seeger |
| 7 | 119216035/0 | Bearing |
| 8 | 381002811/0 | Rear Wheel Axle To 31-August-2012 |
| 8 | 381302867/0 | Rear Wheel Axle From 01-September-2012 |
| 9 | 122753000/0 | Plug |
| 10 | 181003075/0 | Traction group To 31-August-2003 |
| 10 | 181003080/0 | F.R. Gear Box Pan / Np 3 Speed From 01-September-2003 |
| 11 | 122601904/0 | Pulley To 31-August-2002 |
| 11 | 122601908/0 | Pulley From 01-September-2002 To 31-August-2015 |
| 11 | 122601908/1 | Pulley From 01-September-2015 |
| 12 | 112645705/0 | Elastic pin ø5X32 |
| 13 | 122033282/1 | Adjustment rod |
| 14 | 122041957/0 | Bush To 31-August-2001 |
| 14 | 122041957/1 | Bush From 01-September-2001 |
| 15 | 122450063/0 | Spring |
| 16 | 322680009/0 | Washer |
| 17 | 112154510/0 | Nut |
| 18 | 122110230/0 | Hubcap |
| 19 | 135064197/0 | Belt |
| ALPINA PRO 55 ASK3 (2010) 292153328/PRO pag.4 | ||
| 1 | 481007317/0 | Wheel |
| 2 | 322110416/0 | Gray hubcap |
| 3 | 122122200/0 | Bearing |
| 4 | 481007318/1 | Wheel |
| 5 | 322110417/0 | Gray hubcap |
| 6 | 112521350/0 | Washer |
| 7 | 112155000/0 | Nut |
| 8 | 112530150/0 | Spring washer To 31-August-2011 |
| 8 | 122675100/0 | Washer From 01-September-2011 |
| ALPINA PRO 55 ASK3 (2010) 292153328/PRO pag.5 | ||
| 1 | 122465607/1 | Hub With Pulley, Crankshaft Ø 22.2 To 31-August-2007 |
| 1 | 122465607/2 | Hub With Pulley, Crankshaft Ø 22.2 From 01-September-2007 To 31-August-2010 |
| 1 | 122465607/3 | Hub With Pulley, Crankshaft Ø 22.2 From 01-September-2010 To 31-December-2018 |
| 1 | 122465607/4 | Hub With Pulley, Crankshaft Ø 22.2 From 01-January-2019 |
| 2 | 181004381/1 | Standard knife |
| 3 | 122160400/0 | Elastic disc |
| 4 | 112523080/0 | Washer |
| 5 | 112735698/0 | Hex-Head Screw |
| 6 | 112139100/0 | Woodruff key |
| 7 | 112691900/0 | Screw |
| 8 | 112155000/0 | Nut |
| 9 | 112521350/0 | Washer |
| ALPINA PRO 55 ASK3 (2010) 292153328/PRO pag.6 | ||
| 1 | 381008050/0 | Black Parasassi To 26-January-2020 |
| 1 | 381008050/1 | Black Parasassi From 27-Januray-2020 |
| 2 | 122451000/0 | Spring |
| 3 | 122517856/1 | Deflector Rod |
| 6 | 322486102/0 | Grass Bag Upper Part |
| 7 | 122608526/0 | Grass Bag Lower Stiffening A To 26-January-2020 |
| 7 | 122608526/1 | Lower Reinforcement From 27-Januray-2020 |
| 8 | 181002212/0 | Grass Bag, Black Canvas without Logo |
| 9 | 112728680/0 | Screw |
| 10 | 112523050/0 | Washer |
Data sheet
You might also like