
(modificale nel modulo Rassicurazioni cliente)
(modificale nel modulo Rassicurazioni cliente)
(modificale nel modulo Rassicurazioni cliente)
Fix Your Electric Lawn Mower BL 320 E/293320064/A14-2019. All Spares are original and can be supplied at Low and discounted prices For Shipping. Our Spares are Genuine Parts and Come with a Full Guarantee.
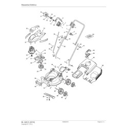
In the following table, look for the model of the Electric Lawn Mower and the respective parts of the code.![]()
| Lawn Mower BL 320 E | ||
| # | Part Num. | Description |
| 1 | 118810075/0 | Handle, Upper Part |
| 2 | 118810086/0 | Lower plate |
| 3 | 118810087/0 | Upper plate |
| 4 | 112291000/0 | Nut |
| 5 | 118810083/0 | Hook |
| 6 | 112735654/0 | Screw |
| 7 | 112728099/1 | Screw |
| 8 | 118810148/0 | Lever |
| 9 | 118810090/0 | Semi-handgrip Inf. Salvamotore |
| 10 | 118810080/0 | Spring |
| 11 | 118810061/0 | Pin |
| 12 | 112735654/0 | Screw |
| 13 | 118810065/0 | Capacitor |
| 14 | 118810062/0 | Switch |
| 15 | 123878020/0 | Screw |
| 16 | 2312100 | Washer |
| 17 | 118810089/0 | Half Handle |
| 18 | 118810147/0 | Button |
| 19 | 112728099/1 | Screw |
| 20 | 118810156/0 | Gray cover |
| 21 | 118810140/0 | Yellow Engine Cover |
| 23 | 112543001/0 | Washer |
| 24 | 118810093/0 | Washer |
| 25 | 118810057/0 | Electric motor |
| 26 | 118810099/0 | Screw |
| 27 | 118810077/0 | Motor Pulley |
| 28 | 118810092/0 | Belt |
| 29 | 118810059/0 | Pulley |
| 30 | 118810071/0 | Bearing |
| 31 | 118810084/0 | Motor plate |
| 32 | 118810069/0 | Bearing |
| 33 | 112000955/0 | Benzing ring |
| 34 | 118810072/0 | Washer |
| 35 | 118810064/0 | Compressor |
| 36 | 118810158/0 | Temperature sensor |
| 38 | 118810060/0 | Cable |
| 39 | 118810142/0 | Stone guard Yellow |
| 40 | 118810137/0 | Knob |
| 41 | 112291000/0 | Nut |
| 42 | 112000930/0 | Benzing ring |
| 43 | 112727784/0 | Screw |
| 44 | 118810144/0 | Handle |
| 45 | 118810146/0 | Lower Handle |
| 46 | 118810145/0 | Hupper side bag |
| 47 | 118810085/0 | knob |
| 48 | 118810143/0 | Lower side bag |
| 49 | 118810096/0 | Spring |
| 50 | 118810160/0 | Screw |
| 51 | 118810139/0 | Gray Chassis |
| 52 | 118810138/0 | Handle, Lower Part |
| 53 | 118810078/0 | Spring |
| 54 | 118810067/0 | Rear Wheel Axle |
| 55 | 118810081/0 | Wheel |
| 56 | 118810153/0 | Hubcap |
| 57 | 112604898/0 | Crown Fixator |
| 58 | 118810066/0 | Front Wheel Axle |
| 59 | 118810002/0 | Blade |
| 60 | 122671651/0 | Washer |
| 61 | 112793312/0 | Screw |
| 62 | 118810141/0 | Front Handle, Gray |
| 63 | 118810170/0 | Screw kit |
Data sheet
You might also like