(modificale nel modulo Rassicurazioni cliente)
(modificale nel modulo Rassicurazioni cliente)
(modificale nel modulo Rassicurazioni cliente)
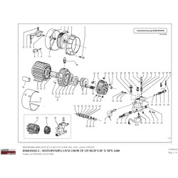
| 86050048-3 - IDRO NPX 1400 220/50 -G- pag. 1 | ||
| # | Part Num. | Description |
| 001 | 3.002.0122 | SCREW M6X12ZNT |
| 002 | 4.613.0094 | YELLEW UPPER FAIRING J.4 |
| 003 | 4.608.0062 | LOWER COACHWORK JOLLY 4/93 |
| 004 | 4.612.0030 | Substituted by 4.612.0046 CABLE HO5 3X1.5 L=5000S/FASTUM |
| 005 | 4.608.0074 | LONG SPACER FOR TANK JOLLY 4/93 |
| 006 | 4.006.0135 | ROTOR WITH NOZZLE FOR ROTOX D. 1,40 |
| 007 | 4.608.0073 | SHORT SPACER FOR TANK JOLLY 4/93 |
| 008 | 5.613.0096 | BOILER AXLE JOLLY 4/93 |
| 009 | 4.608.0082 | GAS OIL-CHEM TANK CAP |
| 010 | 3.200.0038 | O-RING GASKET 53,65X2,62 REF.3212 |
| 011 | 3.006.0026 | Substituted by 6.605.0168 WHEEL D.260X85 BLACK |
| 012 | 3.099.0019 | BLOCK WHEEL D.250x55 D.20 |
| 013 | 3.099.0096 | Substituted by 4.608.0434 WHEEL COVER |
| 014 | 5.009.0340 | QUICK COUPLING ASSY +GASKET+RING NUT |
| 015 | 3.100.0043 | 3/8 M ROTATING QUICK COUPLING |
| 016 | 4.618.0016 | HOSE 5/16 210BAR MT.10 C/M AP1031 3/8 |
| 017 | 6.001.0053 | Substituted by 3.700.0036 HP SPRAY GUN S'02 3/8' |
| 018 | 3.701.0015 | LANCE INOX L.700 +PL4/1+WASHER+ QUICK CONN.M22 - NO NOZZLE INCLUDED |
| 019 | 3.103.0050 | HIGH PRESSURE NOZZLE 1/8''M 15045 (C25045) |
| 86050048-3 - IDRO NPX 1400 220/50 -G- pag. 2 | ||
| 002 | 4.608.0079 | DASHBOARD '93 WITH COMPLETE SILKSCREEN |
| 003 | 4.608.0019 | BLACK THERMOSTATE KNOB 3079/1 |
| 005 | 3.403.0001 | Substituted by 3.403.0091 THERMOSTAT 30/150 BULB 6,5 |
| 006 | 3.105.0003 | DETERGENT REGULATING COCK WITHRUBBER HOLDER D.7 |
| 007 | 4.608.0065 | BOX DASHBOARD '93 |
| 008 | 4.608.0071 | GUIDING CABLE COVER DASHBOARD '93 |
| 009 | 4.008.0122 | Substituted by 5.009.0165 SWITCH SEALING SURROUND |
| 010 | 4.008.0121 | Substituted by 5.009.0165 TIN SWITCH COVER |
| 011 | 3.401.0025 | MICRO BREAKER ABT WK 160 CO |
| 012 | 4.608.0066 | SWITCH HOLE CAP |
| 015 | 3.107.0004 | PRESSURE GAUGE DIAM.50 0/250 1/4REAR+CLAMP |
| 016 | 4.618.0014 | PRESSURE GAUGE TUBE DN 2X330TG |
| 017 | 4.008.0556 | TRANSPARENT HOSE D.6x12 L=400 REINFORCED |
| 018 | 3.099.0282 | TWO-WIRES WRAPPER FOR 6X12 HOSE (15126) |
| 019 | 3.405.0023 | JUNCTION BOX |
| 020 | 4.608.0078 | GASKET |
| 025 | 5.611.0027 | Substituted by 5.611.0194 FLANGE FOR BURNER |
| 027 | 4.614.0004 | STANDARDIZED ELECTRODES COUPLE WITH ROD |
| 028 | 3.100.0017 | ELBOW 4 1/8 COPPER TUBE |
| 029 | 3.099.0015 | RING SEEGER I D.21 SP1 DIN 472 |
| 030 | 4.608.0002 | SITE GLASS DIAM.20 SP.1,8 |
| 031 | 4.605.0001 | WROUGHT BURNER FLANGE |
| 032 | 3.104.0004 | Substituted by 3.104.0028 DIESEL NOZZLE 1,25 45-B |
| 033 | 4.606.0066 | HOUSING FIXING ROD |
| 034 | 4.616.0001 | COPPER TUBE D.4 |
| 035 | 3.400.0013 | IGNITION TRANSFORMER 230/50 818C/S C/W WIRE L.600 |
| 036 | 4.607.0072 | Substituted by 6.605.0102 MOTOR CLAMP |
| 038 | 4.608.0036 | FEEDING CABLE CONNECTOR |
| 039 | 4.608.0068 | GUIDING HANDLE COMPACT 4P |
| 040 | 5.613.0094 | HANDLE HOLDER JOLLY 4/93 |
| 047 | 3.004.0015 | PLAIN WASHER D.22X39X2 UNI6592 |
| 048 | 4.606.0013 | COIL FIXING NUT 1/2 BRASS SPEC. |
| 049 | 5.611.0043 | DIESEL FILTER UNIT JOLLY 4/93 |
| 050 | 4.618.0035 | TUBE R1 PUMP/COIL TG480 |
| 051 | 4.618.0033 | TUBE R2 FROM COIL TO BLOCK JOLLY 4/93 |
| 052 | 5.611.0012 | EXTERNAL BURNER COVER DIAM.341 |
| 053 | 5.611.0099 | HIGH TENSION CABLE L=480XELECTRODE UNIFIED W/PROT |
| 054 | 3.003.0001 | NUT E. M4 MEDIO UNI 5588 CL8 ZNT |
| 055 | 3.004.0003 | WASHER D.4X8 DIN6798 ZNT |
| 056 | 5.613.0147 | INOX EXTERNAL BURNER COVER |
| 057 | 5.610.0105 | DEFLECTOR D.82 |
| 058 | 5.613.0027 | COMBUST.CHAMB.INWARD COVER CHIMM. L=110 |
| 059 | 4.604.0001 | COIL TOP H.335 |
| 060 | 5.613.0095 | BODY BOILER JOLLY 4/93 |
| 061 | 4.608.0116 | Substituted by 4.608.0536 REFRACTORY GROUND D.290X20 FOR BURNER |
| 063 | 4.607.0006 | COIL FIXING STRIP PLATE 20/10 |
| 064 | 4.608.0162 | L990 INSULATING ROPE FOR BOILER BASE |
| 065 | 5.613.0097 | BASE BOILER JOLLY 4/93 |
| 067 | 3.100.0018 | RAPID COUPLING 3/8 M. 08 (465) |
| 069 | 4.606.0087 | BULB ASSY |
| 070 | 3.004.0004 | ALUMINIUM WASHER 21X30XSP 1,5 |
| 071 | 3.100.0020 | REDUCTION M.GAS/M.GAS 1/2-3/8 |
| 072 | 5.613.0093 | Substituted by 5.613.0282 THERMOSTATE BULB HOLDER JOLLY4/93 |
| 073 | 4.618.0036 | TUBO B.P. D.20X10 3/8M-3/8M L .570 |
| 074 | 4.606.0019 | SUCTION CONNECTOR M22 IDRO COMPACT |
| 075 | 4.008.0031 | INLET WATER FILTER H2O D.16 CONICAL |
| 076 | 5.609.0013 | Substituted by 5.609.0059 THERMOSTAT BODY |
| 86050048-3 - IDRO NPX 1400 220/50 -G- pag. 3 | ||
| 001 | 4.608.0017 | Substituted by 6.605.0086 PUMP SIDE HALF FEMALE SCREW GMV D.150 |
| 002 | 4.608.0083 | FAN PVC D.180 DOWNSWED HUB ESP.5 |
| 003 | 3.002.0068 | SCREW TCEI M6X12 UNI 5931 ZNT |
| 004 | 4.608.0129 | Substituted by 6.605.0086 HALF COVER MOTORSIDE |
| 005 | 3.002.0067 | AUTOTHREAD.SCREW TC-TC 3,2X26RAP.FIX |
| 006 | 3.002.0060 | SELF TAPPING CROSS HEAD SCREW3.9X16 RAPID FIX |
| 007 | 4.608.0022 | SETTING THROTTLE LEVER GMV 150 |
| 008 | 4.608.0021 | SETTING THROTTLE GMV 150 |
| 009 | 3.099.0012 | Substituted by 6.605.0173 GASOIL PUMP PLASTIC COUPLING |
| 010 | 3.414.0002 | COIL 220/50 GAS OIL DELTA PUMP |
| 011 | 3.551.0002 | Substituted by 3.551.0037 GAS OIL PUMP DOUBLE PIPE+ELECTRODE 220V |
| 012 | 3.100.0015 | STRAIGHT CONNECT.1/8M. FOR COPP.TUBE D.4 |
| 013 | 4.607.0257 | FAN CONNECTION |
| 014 | 4.607.0233 | MOTOR AIR CONVOY |
| 015 | 5.602.0027 | HOUSING LW.T 400/50 2P D.135 H130 |
| 016 | 3.001.0001 | BALL RADIAL BEARING 6204-2Z |
| 017 | 5.605.0033 | Substituted by 5.606.0143 ROT SHAFT 70H125 |
| 018 | 3.002.0015 | AUTOTAPPING SCREW TCEI M6X25 ZNT |
| 019 | 4.605.0034 | Substituted by 5.609.0072 MOTOR FLAGE FOR BODY GUIDE |
| 020 | 3.201.0019 | OIL SEAL RING D.25X40X7 DOUBLELIP |
| 021 | 5.609.0072 | MOTOR FRONT FLANGE FOR BODY GUIDE |
| 022 | 3.200.0002 | O-RING GASKET 90X2,5 |
| 023 | 3.001.0029 | BEARING |
| 024 | 4.605.0041 | PLATE 9.30' |
| 025 | 3.002.0003 | HEXAGON SOCKET HEAD CAP SCREWM8X25 UNI 5931 ZNT |
| 026 | 4.607.0208 | AXIAL BEARING |
| 027 | 5.009.0088 | PISTON ASSY D.15 CERAMIC |
| 028 | 4.007.0011 | PISTON RECALL SPRING D.15 30L.42 |
| 030 | 3.002.0032 | SCREW TCEI M8X30 UNI 5931 ZNT |
| 031 | 3.002.0004 | SCREW STEI 3/8 G.DIN 906 (OIL LOAD CAP) |
| 032 | 3.099.0003 | OIL LEVEL INDICATOR SLNS-3/8 HOBBY |
| 033 | 4.005.0184 | BEST BODY GUIDE WITH WINGS '01 |
| 034 | 3.099.0301 | OIL CAP ZIGRIN. WITH HOLE GOLD |
| 035 | 5.009.0207 | CAP ASSY |
| 036 | 3.201.0002 | O-RINGBADSLSF 15X25,4X5 /7 |
| 037 | 3.200.0019 | O-RING 12.4X1.78 SH.90 |
| 039 | 5.009.0101 | CAP VALVE SUCTION DELIVERY-ORMOUNTED |
| 040 | 5.609.0064 | VALVE CAP ASSY + OR |
| 041 | 3.099.0136 | PIN 2X12 UNI 1708 |
| 042 | 4.606.0093 | Substituted by 4.606.0206 PRESSURE REGULATION KNOB |
| 044 | 3.200.0046 | O-RING 21,95X1,78 REF.2087 |
| 045 | 4.607.0207 | PRESSURE REGULATION |
| 046 | 4.606.0105 | SPACER FOR HEAD REGULATOR |
| 047 | 4.607.0206 | PLATE FOR SPRING |
| 048 | 5.609.0077 | Substituted by 5.609.0199 HOLD-ROD ASSY FOR BRASS HEAD |
| 049 | 5.609.0080 | SEAL SEAT ASSY + OR |
| 050 | 3.106.0001 | Substituted by 3.106.0034 SECURITY VALVE G1/4 M D6 200 BAR |
| 051 | 4.607.0263 | Substituted by 4.007.0181 REVOLVING JOIN 3/8 F-3/8 M 1/4F |
| 052 | 5.609.0079 | OUTLET COUPLING FOR BRASS HEAD |
| 053 | 4.607.0259 | NO RETURN VALVE SPRING L=20 |
| 054 | 5.609.0041 | NON RETURN VALVE + OR ASSEMBLY |
| 055 | 4.606.0085 | BRASS HEAD |
| 056 | 4.606.0001 | 1/4G CAP |
| 057 | 3.002.0078 | HEXAGON SOCKET HEAD CAP SCREW M8X40 UNI 5931 ZNT |
| 058 | 3.004.0022 | WASHER SNHOR D.8X13 SP.0,8 |
| 062 | 3.100.0023 | NIPPLE 3/8 CIL.SV. 3/8 CIL.SV |
| 063 | 4.606.0019 | SUCTION CONNECTOR M22 IDRO COMPACT |
| 064 | 4.008.0031 | INLET WATER FILTER H2O D.16 CONICAL |
| 065 | 3.704.0005 | AIR PRESSURE SWITCH PR5 45BAR1/4 L.650 |
| 068 | 5.009.0346 | Substituted by 6.005.0117 SUCTION VALVE WITH PLATE AND SEAT |
| 069 | 4.608.0105 | BRASS HEAD VALVE SPACER |
| 070 | 3.201.0018 | WATER SEAL RING |
| 071 | 4.608.0106 | ANTIEXTRUSION RING |
| 072 | 3.200.0003 | O-RING GASKET 25,12X1,78 REF.2100 |
| 073 | 4.606.0040 | SECOND SEALING BUSHING 130/8 OT. ESP.4 |
| 074 | 3.201.0003 | WATER SEALING RING N.15X22X4 |
| 075 | 4.606.0041 | SECOND SEALING HOLDER RING 130/8 ESP.1 |
| 076 | 4.008.0391 | OIL SEAL SPACER |
| 077 | 3.200.0004 | O-RING GASKET 12,4X1,78 REF.2050 |
| 078 | 5.009.0164 | Substituted by 6.005.0030 DETERGENT INJECT. HOSE FITTING |
| 079 | 3.005.0001 | 12 BALL INOX 420 DIAM.5 DEGREE OFACCURACY G 500 |
| 080 | 4.007.0014 | DETERG.STOP VALVE SPRING 4X8 ESP.3 |
| 081 | 5.606.0053 | Substituted by 8.680.0088 MOTOR LW.M 230-50 |
| 082 | 5.007.0063 | CERAMIC PISTON BODY GUIDE |
| 083 | 5.008.0143 | TESTATA OTT.'99 INIETT.D.1,9 X IDRO A CALDO |
| 084 | 4.606.0088 | RUBBER HOLDER 1/4 G M D.7 |
| 085 | 3.404.0007 | CAPACITOR 65mF 450 V.50XL120 FASTON MALE |
| 086 | 3.406.0020 | TIGHT ANTI-TEARING CABLE HOLDER PG.13,5 |
Data sheet
You might also like