• Online only
DeWalt DCH214 Type 1 Rotary Hammer Parts
search
  • DeWalt DCH214 Type 1 Rotary Hammer Parts
  • DeWalt DCH214 Type 1 Rotary Hammer Parts - Housing
  • DeWalt DCH214 Type 1 Rotary Hammer Parts - Gear Box

DeWalt DCH214 Type 1 Rotary Hammer Parts

€3.33
Tax included

DeWalt DCH214-QW Type 1 Rotary Hammer Spare Parts

DEWALT, original Accessories and spare parts, Worldwide Distributors and wholesalers. We offer low prices and a professional repair service able to advise you for to buy the most suitable spare part to quickly solve any maintenance and repair issues for DCH214-QW  Cordless Rotary Hammer Type 1.
ITEM CODE: 323489-00
Quantity
on Demand Only Call Us Before

  Politiche per la sicurezza

(modificale nel modulo Rassicurazioni cliente)

  Politiche per le spedizioni

(modificale nel modulo Rassicurazioni cliente)

  Politiche per i resi

(modificale nel modulo Rassicurazioni cliente)

DeWalt DCH214-QW Type 1 Rotary Hammer Spare Parts

DEWALT, original Accessories and spare parts, Worldwide Distributors and wholesalers. We offer low prices and a professional repair service able to advise you for to buy the most suitable spare part to quickly solve any maintenance and repair issues for DCH214-QW  Cordless Rotary Hammer Type 1.

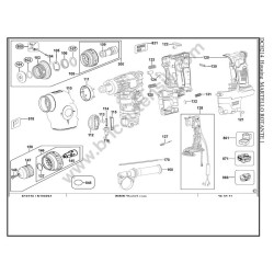
Open PDF Drawing in this page to check spare parts you need.
DCH214-QW  Cordless Rotary Hammer Type 1

DCH214-QW - ROTARY HAMMER SPARE PARTS Type 1
# part Num. Description
101 323489-00 CAP
102 579212-00 RING SNAP 21
103 N774198 TUBE SA
103 N774198 TUBE SA
104 583890-00 BALL 7.0
105 578387-00 SDS BALL PLATE (WASHER SDS 1.4MM)
106 871690 SPRING BEVEL
107 590306-00 FELT SEAL
108 N591847 SPINDLE AND SHAFT SA
109 N403112 SPINDLE
110 574937-00 COVER
111 490785-00 SLEEVE
112 575023-00 SELECTOR
113 324006-16 SCREW
114 478843-00 SPRING
115 575026-00 CAP
116 575024-00 BUTTON RELEASE
120 N123179 CLAMSHELL PAIR
121 330065-08 SCREW M4x18 T20
122 N072124 F-R BAR DCH ZODIAC
123 575030-00 SPRING, TOP, AVS
124 575032-00 PIN, CYLINDER 8*18, AVS
125 479313-00 SPRING, BOTTOM, AVS
127 N123191 LED LIGHT
128 N160455 SWITCH & PCB SA
130 N094649 STEEL-LATCH DCH ZODIAC
131 N119679 SPRING
132 N122099 BLOCK
137 579212-00 RING SNAP 21
145 584676-00 SPINDLE
146 N591847 SPINDLE AND SHAFT SA
147 582512-02 CHUCK KEYLESS
148 605256-02 SCREW, CHUCK (1/4-28 UNF-LH)
150 N591847 SPINDLE AND SHAFT SA
160 N112156 SIDE HANDLE
170 580787-00 DEPTH STOP
200 493674-00 SPINDLE SA
201 583890-00 BALL 7.0
202 577795-00 RING
203 577139-00 SEAL
204 493676-00 BEARING BUSH
205 590299-00 O-RING
206 493675-00 BEAT PIECE
207 493677-00 GUIDE BUSH
208 580990-00 RING RAM CATCHER
209 323762-07 RING
210 590302-00 BEARING NEEDLE
211 488105-00 CIRCLIP SW28
212 589350-00 WASHER
213 589346-00 SPRING
214 492817-00 BUSH
215 N071966 REPAIR KIT
216 479478-00 BEARING, BALL 6906
217 589348-00 WASHER
218 488390-00 CIRCLIP SW26 1.5MM
219 491536-00 O-RING
220 492820-00 HOUSING PAIR
221 478909-00 SEAL - DISCONTINUED
222 N178363 SERVICE KIT RAM (SERVICE)
223 577168-00 RING O DYNAMIC 13X3
224 492822-00 HOLLOW PISTON, DCH (SERVICE)
225 N108992 WASHER
226 490286-00 SPRING
227 492823-00 PIN-BALL, DCH (SERVICE)
228 492824-00 CRANKSHAFT
230 N168103 BEARING, BALL
240 N466046 COMPRESSION SPRING
241 492826-00 COLLAR
242 323763-10 RING. SNAP 8
244 N621023 BEARING
245 N450704 SA GEAR 3M WIDTH BEARING (SERVICE)
246 NA210726 PLATE, TRANSMISSION
247 590312-00 PIN
250 492829-00 MOTOR SA
251 582865-00 FELT FILTER
252 323711-34 O RING, 9 X 1.5
253 478898-00 LEVER SA
254 577802-00 WASHER SHIM
255 490129-00 SCREW
260 493511-00 BRUSH PAIR (X 2)
300 N591846 CHUCK SA
800 870889-02 RENOLIT PARAGON EP GREASE ½ - 90 GRAMS
800 870889-03 RENOLIT PARAGON EP GREASE ½ - 20 GRAMS
801 487130-04 GREASE GLK FLUID 249 NLGI 000 (10G SERVICE)
818 493152-02 LABEL
821 N108883 RATING PLATE
836 596006-99 S.T.CIRCLIP REMOVER
836 596007-99 S.T.CIRCLIP INSERTER
836 596005-99 SERVICE TOOLING KIT
846 N178361 SERVICE KIT
861 576657-05 TOOL BOX
866 N195933 BATTERY 18V - 4.0AH - 72WH DCB182-XE
866 N195933 BATTERY 18V - 4.0AH - 72WH DCB182-XE
871 N450536 ASS. DCS565P2-QW / DCB115 BATTERY CHARGER
All product specifications in this catalog are based on information taken from official sources, including the official manufacturer’s DEWALT websites, which we consider as reliable. Unfortunately, even the official documents may contain mistakes and printing errors – we are not able to confirm that all of these data are precise and represent the facts. Most of the manufacturers reserve the right to change the product characteristics or complement without notice. We strongly recommend using the published information as a basic information subject to DEWALT brand review. Please refine the important parameters by the selling assistant when making a purchase. All content included in this catalog is the intellectual property of www.bricoutensili.com. Any publication or copying (full or partial) without a reference to the source page is prohibited.
DEWALT DCH214 Tipo 1
6 Items

Data sheet

SHIPPING IN:
RESERVATION ONLY
MORE INFO:
info@bricoutensili.com
CHECK ITEM CODE OR S/N:
CHECK YOUR TOOL CODE OR S/N BEFORE CHECKOUT
New

Download

You might also like

Comments (0)
No customer reviews for the moment.